Самодельный тракторный плуг
Покупка агрегата может обойтись довольно дорого, поэтому на выручку приходит возможность сделать плуг для МТЗ-82 (или МТЗ-1221) своими руками.
Есть более простая конструкция, которая в принципе выполняет те же самые задачи, что и плуг — самодельный культиватор на МТЗ-80. Разница между ними заключается в том, что плуг вспахивает почву, переворачивая при этом пласты земли, а культиватор землю просто пропахивает. Однако самодельный культиватор для трактора МТЗ — популярное устройство, так как сделать его проще, чем самодельный плуг.
Для грамотного изготовления плуга трактористу придется воспользоваться хорошими чертежами квалифицированных специалистов, поэтому лучше поискать. Некачественный чертеж негативно скажется на последующей конструкции и качестве вспашки почвы, значит, и урожайности. При конструкции самодельного культиватора, напротив, подойдет и схематичный чертеж.

После того как чертеж готов, его нужно перенести на твердый картонный лист и вырезать шаблон. Чтобы сделать плуг, нужно использовать материалы из нержавеющей стали или другого, более твердого металла. Так, можно использовать старую рессору от отечественного автомобиля или даже диск циркулярной пилы.

Рассмотрим процесс изготовления плуга. Даже мастеру, имеющему минимальный опыт в конструировании подобной техники, под силу создать простейший навесной плуг — однокорпусной, с использованием поворотных механизмов. Такое дополнительное тракторное оборудование включает в себя лемех и отвал на МТЗ. Для изготовления представленных элементов потребуются только стальные листы. В этом случае самоделка конструируется по определенному алгоритму.

- Производство лемеха из дискового элемента, снятого с циркулярной пилы. Чтобы заточить режущую часть, необходимо отбить ее на наковальне, как отбивается обычная коса или плоскорез.
- Следующий этап — изготовление отвала. Процесс довольно простой и требует минимальных навыков. Понадобится металлическая труба.
- Финальный этап — изготовление прочих элементов конструкции. Такая переделка не представляет особой сложности.
Для того чтобы собрать качественный самодельный оборотный плуг, нужно использовать специальные клинья с углом в 25°. После установки клиньев на вспомогательный металлический лист устанавливается лемех, который в свою очередь закрепляется на полотне при помощи сварочного шва.
Щитки, расположенные с боков, крепятся на лемех в вертикальном положении, для этого нужно выполнить дуговую сверку. Необходимо следить за тем, чтобы боковой щиток выходил за лемех на 8 мм и располагался выше лезвия на 10 мм. В конце процесса нужно создать сплошную поверхность, сваривая между собой лемех и отвал.
Пошаговая инструкция изготовления:
- перед тем как производить сборку, необходимо создать макет из картона;
- лучше всего делать изделие из стали серии 9ХС;
- если макет был составлен правильно, то плуг будет собрать достаточно просто;
- при помощи сварки прикрепить лемех к листу стали;
- сверху прикрепить боковой щиток с наложением на конструкцию;
- после этого прикрепить лемех к отвалу, угол крепления 6-8 градусов;
- мотоблок нужно закрепить на какой-нибудь надежной опоре;
- необходимо снять колесо с ТС;
- на ось крепится специальное устройство вала;
- закрепляем ось рядом с колесом и фиксируем шурупами;
- при помощи гаек прикрепляем полученное устройство к мотоблоку;
- гайки должны быть закручены не полностью, чтобы была возможность регулировки.
Подробное видео по сборке плуга можно найти в интернете.
Необходимые материалы и инструменты
Для того, чтобы сделать плуг своими руками, необходимы следующие инструменты и материалы:
- вальцы;
- болгарская пила;
- заточка;
- резак по металлу;
- различные крепежи;
- труба, диаметр которой определяется под плуг;
- другие крепежные элементы;
- аппарат для сварки.
Наладка плуга
Самодельное навесное оборудование
Практически любое навесное оборудование для трактора возможно изготовить самостоятельно. Это может быть и самодельная картофелекопалка, и самодельная роторная косилка (или сенокосилка), и роторный плуг, культиватор, окучник. Иногда можно переделать какое-либо оборудование, сделав его более функциональным.
Самыми популярными запросами в поисковике остаются конструкция активного плуга на МТЗ или ДТ и вопрос о том, как сделать культиватор своими руками. Ведь культиваторы — верные помощники сельскохозяйственных работников. Самый сложный элемент на МТЗ или ДТ — почвофреза. На переделанном культиваторе с качественной фрезой можно проводить окучивание долгое время.
Понять, как сделать установку навесного оборудования, будь то плуги для тракторов, самодельный культиватор, картофелекопалка для трактора или другие самоделки, несложно. Главное, действовать по заданным алгоритмам и сверяться со схемами и чертежами. Точно также можно без лишних усилий понять, как настроить чизельный плуг колесного трактора. Установить чизели на колесном тракторе — трудоемкий процесс, который тем не менее может сделать сам тракторист.
Настройка глубины обработки почвы
Для настройки глубины обработки почвы необходимо выполнить следующие действия:
- Определить необходимую глубину обработки с учетом типа почвы, условий работы и требований к качеству обработки.
- Измерить текущую глубину обработки с помощью специального измерительного инструмента. Если она не соответствует необходимой, то переходите к следующему шагу. В противном случае настройка не требуется.
- Подготовить плуг к настройке, убедившись, что все элементы плуга находятся в исправном состоянии и правильно установлены.
- Настроить глубину обработки с помощью специальных регулировочных механизмов плуга, таких как шпаклевочные винты или гидравлические цилиндры. В зависимости от модели плуга, эти механизмы могут находиться на раме или корпусах плуга.
- После настройки глубины обработки, проведите тестовую обработку участка почвы и проверьте качество работы плуга. Если результаты не соответствуют требованиям, корректируйте настройку глубины обработки.
После завершения настройки глубины обработки почвы, необходимо проверить ее регулярно в процессе работы с плугом МТЗ 1221 и корректировать при необходимости.
Предварительные регулировки плуга – моменты, которые необходимо учитывать при работе
Выполнять предварительную регулировку нужно ещё до выезда трактора в поле, соблюдая при этом такую очередность действий:
- Под опорное колесо на плуге и левые тракторные колёса укладывают прокладки (их высота равняется глубине вспашки, с разбежностью порядка 2-5 см) и опускают плуг вниз таким образом, чтобы лемеха касались поверхности;
- Посредством винтового механизма на опорном колесе слегка опускают его вниз, вплоть до контакта с прокладкой;
- По поперечной плоскости плуг выравнивают посредством правого раскоса, смонтированного на тракторной навеске, а по его продольной плоскости – за счёт тяги центрального типа. Главное требование – рама должна быть параллельна основанию по обеим плоскостям;
- Раскосы навески выставляют в соответствии с передним отверстиями в продольных тягах, при этом верхняя тяга крепится к рамке автосцепливания исключительно через отверстие. Недопустимо соединение через паз, поскольку это вызывает некоторые проблемы и неустойчивое перемещение плуга при его движении на глубине;
- Цепи ограничительного типа, установленные на навеске, выставляют за счёт вращения винтовых стяжек вплоть до их небольшого провисания. Это позволяет добиться малого раскачивания плуга в положении транспортировки – порядка 20 мм, не более;
- Устанавливают левый раскос на навесном комплекте таким образом, чтобы промежуток между шарнирными осями составлял 515 мм. В процессе работы не допустима смена длины левого раскоса, данное значение должно быть фиксированным.
Плуг для самодельного трактора
Небольшие сельхозмашины умельцы часто собирают своими руками, что в дальнейшем требует такой же работы над навесным оборудованием. Чтобы сварить плуг на трактор, понадобится старое сельхозоборудование. Плюс такого агрегата – полная адаптация под выполняемые задачи, мощность и производительность машины. Самодельные плуги также актуальны и в случаях, когда надо подсоединить подобное оборудование к японским мини-тракторам, размеры креплений навески которых не совпадают с отечественными устройствами.

Чаще всего мастера работают с двухкорпусным плугом с лемехами и отвалами. Его можно дополнять предплужниками, благодаря которым проводят работы по срезу верхнего задернованного слоя земли. Несущий элемент – рама. Для нее используют металлический круглый или прямоугольный профиль толщиной 2-3 мм.
В нижней части всей конструкции располагается лемех. Он состоит из носка, лезвия и пятки. Лемех поднимает пласт земли, который далее двигается к отвалу. Для направления движения агрегата используется полевая доска. Рабочие органы самодельного плуга крепятся к раме при помощи стойки. Корпус плуга делают из легированной стали, для усиления его дополняют рессорной сталью, что особенно необходимо при работе по иссушенным землям.

Преимущества самодельного плуга:
- соответствие размеров с параметрами обработки. Индивидуально выбирают угол отвала, глубину и качество вспашки, площадь захвата;
- максимальное использование КПД, что предупреждает перегрузку двигателя и продлевает эксплуатационный срок;
- сочетание различных деталей и насадок для расширения функциональных возможностей навесного оборудования и проведения полного спектра полевых работ.
Предварительные регулировки плуга – моменты, которые необходимо учитывать при работе
Выполнять предварительную регулировку нужно ещё до выезда трактора в поле, соблюдая при этом такую очередность действий:
Под опорное колесо на плуге и левые тракторные колёса укладывают прокладки (их высота равняется глубине вспашки, с разбежностью порядка 2-5 см) и опускают плуг вниз таким образом, чтобы лемеха касались поверхности;
- Посредством винтового механизма на опорном колесе слегка опускают его вниз, вплоть до контакта с прокладкой;
- По поперечной плоскости плуг выравнивают посредством правого раскоса, смонтированного на тракторной навеске, а по его продольной плоскости – за счёт тяги центрального типа. Главное требование – рама должна быть параллельна основанию по обеим плоскостям;
- Раскосы навески выставляют в соответствии с передним отверстиями в продольных тягах, при этом верхняя тяга крепится к рамке автосцепливания исключительно через отверстие. Недопустимо соединение через паз, поскольку это вызывает некоторые проблемы и неустойчивое перемещение плуга при его движении на глубине;
- Цепи ограничительного типа, установленные на навеске, выставляют за счёт вращения винтовых стяжек вплоть до их небольшого провисания. Это позволяет добиться малого раскачивания плуга в положении транспортировки – порядка 20 мм, не более;
- Устанавливают левый раскос на навесном комплекте таким образом, чтобы промежуток между шарнирными осями составлял 515 мм. В процессе работы не допустима смена длины левого раскоса, данное значение должно быть фиксированным.
Особенности конструкции плуга
Плуг ПЛН 3-35 легкий и подходит для МТЗ 80
Агрегатируется ПЛН-3–35 с тракторами класса 1,4 кН. К таким относятся трактора МТЗ 80 и 82. Устанавливается плуг с углоснимами или с предплужником. Если на последнем корпусе вмонтирован вертикальный нож, то рисковые уже не ставятся. Зависит выбор от вида почвы, которую необходимо обрабатывать и состояния трактора.
Собрать после покупки необходимо в единую конструкцию следующие части плуга:
- Корпус;
- Рама;
- Опорное колесо;
- Предплужник;
- Прицепную часть бороны;
- Навеску.
При сборке и регулировки плуга необходимо понимать, что прицепились бороны и чисток это его части. Винт упорного колеса необходим для регулирования глубины вспышки почвы. Монтировать предплужником следует в зависимости от глубины обработки почвы. Советуем устанавливать предплужником на МТЗ 80 по следующим правилам:
- Фиксация стоек на верхнем отверстии соответствует глубине вспышки на 20 см;
- Стойки во втором отверстии — вспашка на глубину 22 см;
- Стойка на третьем отверстии — глубина вспаши 25 см;
- Стойка на четвертом отверстии — глубина вспашки 27 см;
- Нижнее отверстие соответствует вспышке на глубину 30 см.
Корпус плуга собирается из лемехов, которые крутятся к цельной стойке. Туда же прикрепляют отвал и половую доску. Корпус плуга бывать нескольких видов: вырезным, скоростным, безотвальным и классическим с почвоуглубительным элементом.
Предплужник плуга для трактора МТЗ 80 состоит из рабочей части и небольшого корпуса. Используется предплужник во время задели остатков от растений. Состоит конструкция предплужника из элементов: отвала, лемеха, стойки.
Колесо на плуге необходимо чтобы регулировать глубину пахоты. Чтобы правильно установить глубину, пользуйтесь указаниями выше и отметками на стойке. Состоит колесо из диска с ободом, кронштейна со ступицей и полуоси.
К трактору плуг присоединяется при помощи навеса. Борону прикрепляют на специальный прицеп. Подробнее настройку оборудования можно увидеть на видео:

Подготовка инструментов и материалов для работы
Конструирование плуга своими руками требует четкого плана действий и подбора нужных инструментов и материалов. Желательно заранее ознакомиться с готовыми чертежами изделия. Кроме этого, самодельное изделие для обработки земли должно отличаться простотой конструкции и эффективностью применения.

Для изготовления стандартного варианта собственноручного плуга потребуется следующее:
- лемех или стальная заготовка;
- перфоратор;
- стальной материал для изготовления отвала и полевой доски;
- сварочный инвертор;
- углошлифовальная машина;
- крепеж, в виде набора болтов и гаек;
- стойка из металла для изготовления основания плуга.
При захватывании слоя грунта свыше 25 см поверхность и материал плуга подвергаются сильным нагрузкам, последствием которых может стать скорый износ изделия. В качестве материала заготовки лучше всего выбрать углеродистую сталь 9ХС или закаленную сталь 45 толщиной 4-5 мм.

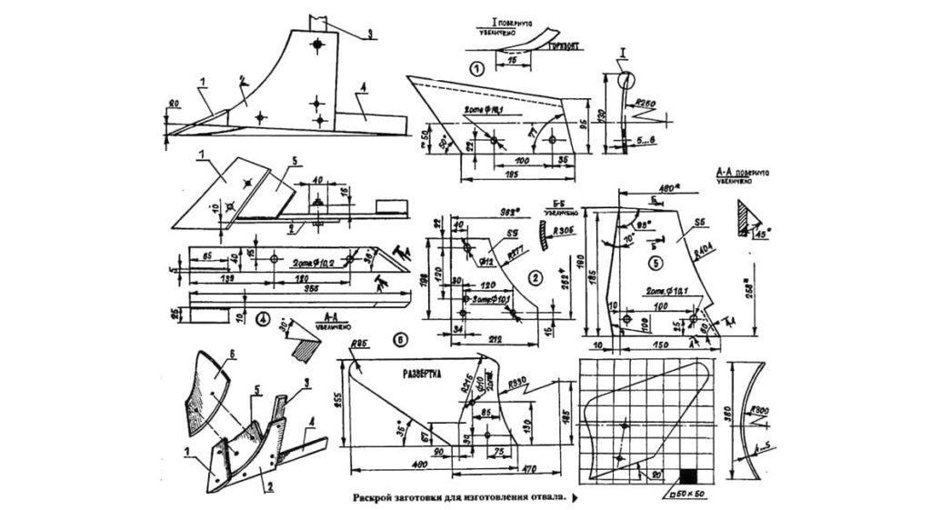
Плужник (ниже представлен на фотографии) является одной из основных частей плуга. Для удобства пользования его лучше выполнить съемным, проще будет производить заточку.

Далее начинаем изготовление рабочей части корпуса плуга, отвечающей за подъем грунта и проворачивание его в борозду. Для изготовления отвальной части существует несколько способов. Поверхность соприкосновения отвальной стороны имеет форму цилиндра. Используя гибочное оборудование, произвести такую заготовку не составит большой трудности.


Другой вариант подразумевает наличие готовой трубы диаметром 0,55-0,6 м и с толщиной стенки 3-5 мм. Из обычного картона делается шаблон, покрывающий необходимую площадь трубы, по контуру которой с помощью электрогазосварочного оборудования вырезается нужная форма.
Для исключения выпуклостей и заусенцев используйте молоток с напильником. Самым сложным способом изготовления плуга считается изготовление заготовки в металлургической печи с последующей правкой готовой матрицей (иногда используют тракторный отвал плуга).

Заготовкой для корпуса изделия служит лист из стали с содержанием углерода от 0,03 до 0,1%, толщиной не менее 3 мм. Для выдержки размеров рекомендуется сначала собрать модель из картона, а затем приниматься за металлическую основу.

Подготовка трактора МТЗ 82 к раскатке
Разъединение топливных магистралей
Перед разъединением трубопроводов перекрывается кран на питающем штуцере топливного бака. Отсоединяется питающий топливопровод на отстойнике грубой очистки, отсоединяется трубки обратки ТНВД и форсунок. Причём свободный край обратки насоса, ведущий к баку, нужно зафиксировать выше уровня топлива в баке для исключения течи, так как перекрывающих кранов в этой магистрали нет.
Отсоединение системы гидравлики и усилителя руля
В ранней конструкции МТЗ 80(82) – отсоединяется карданный привод от руля к ГУРу или дозатору. В случае современной комплектации трактора со встроенной системой гидравлического усиления руля ГОРУ в основную гидравлику – отсоединить рукава подающие давление на гидроцилиндр рулевой трапеции. При этом масло нужно слить с гидробака, либо обеспечить длину гидрорукавов для фиксирования свободных концов выше уровня ёмкости. Но также при небольшом расстоянии раскатки и достаточной длине гидрорукавов можно уйти от их разъединения. В случае использования навесного гидрофицированного оборудования спереди трактора также придётся отсоединить питающие трубопроводы.
Отсоединение электрической части
В последних версиях тракторов в части отсоединения проводки проще, так как система оснащена соединительными бобышками, упрощающими задачу. В старых тракторах отсоединение проводки нужно осуществлять отдельно каждого провода. Кроме этого, отсоединяется силовой кабель от аккумулятора на стартер и кабель зарядки от генератора.
Наладка плуга
От правильной наладки пахотного агрегата зависит производительность, качество вспашки и последующих операций по обработке почвы, расход ГСМ и как следствие себестоимость произведённой продукции. Перед началом регулировки проверяется целостность конструкции исправность и размещение всех рабочих органов.
Настройка навески
Перед присоединением плуга к трактору левый раскос навесного устройства устанавливают, так чтобы его длина от центра оси крепления верхнего шарнира до центра оси нижнего была 515 мм, длина правого раскоса предварительно устанавливается меньше на половину глубины предполагаемой обработки почвы. Успешная быстрая наладка агрегата также зависит от технического состояния навески трактора: степени износа шарнирных соединений, поворотного вала, рычагов и кронштейнов. При регулировке приходится отклоняться от стандартных параметров, установки длинны раскосов, учитывая увеличенные люфты в сочленениях конструкции.
Установка глубины обработки и ширины захвата
После присоединения к трактору затягивают стяжки раскосов навески до небольшого провисания с обеспечением люфта на шарнирах планок крепления к плугу до 20 мм. Затем на ровной площадке производят регулировку положения оборудования с учётом глубины обрабатывания почвы. Под левые колёса трактора и под регулируемое опорное колесо плуга подкладывают подкладки равные глубине вспашки за минусом 15-20 мм компенсируемых прогрузание грунта. Изменяя длину верхней центральной тяги навески, добиваются параллельного положения плуга в продольной плоскости, относительно площадки, и регулировкой правого раскоса навески параллельное положение в поперечной плоскости. Лемеха корпусов должны равномерно прикасаться к поверхности площадки.
От установки первого корпуса зависит производительность и качество обработки. Нормальную ширину захвата переднего корпуса регулируют поперечным смещением рамы плуга по балке его подвески, с изменением длинны стяжек навески, и расстановкой колёс трактора.
При правильном расположении плуга воображаемая линия силы сопротивления должна совпадать с осевой линией трактора. Это обеспечит устойчивость хода в борозде. Свидетельством неправильного выбранного положения плуга будет постоянное затягивание машины в сторону от борозды, вынуждающее водителя постоянно корректировать ход трактора. Положение плуга относительно колеи устанавливают таким образом, чтобы линия от точки верхнего края пятки лемеха переднего корпуса совпала с внутренней линией следа правого заднего колеса трактора. Для устойчивого баланса агрегата колея должна быть 1500 мм. Колёса на оси устанавливают несимметрично, смещая левое на 700 мм, а правое колесо на 800 мм от оси.
Доналадка в поле
Последующая наладка пахотного агрегата производится непосредственно в поле. После прохождения первой борозды задний корпус должен давать обработку на заданной глубине, а передний половину глубины. Это связано с отсутствием борозды. На последующих проходах вспашки в борозде производят окончательную регулировку агрегата.
- При сильном заглублении переднего корпуса — уменьшают длину правого раскоса.
- Если чрезмерно заглублён задний корпус плуга — укорачивают центральную тягу навески.
Хорошая вспашка определяется равномерным рыхлением без ложбин и горбов с устойчивой глубиной обработки, хорошим оборотом пласта и заделкой пожнивных остатков без невозделанных прогалин почвы.
Предварительные регулировки плуга – моменты, которые необходимо учитывать при работе
Выполнять предварительную регулировку нужно ещё до выезда трактора в поле, соблюдая при этом такую очередность действий:
- Под опорное колесо на плуге и левые тракторные колёса укладывают прокладки (их высота равняется глубине вспашки, с разбежностью порядка 2-5 см) и опускают плуг вниз таким образом, чтобы лемеха касались поверхности;
- Посредством винтового механизма на опорном колесе слегка опускают его вниз, вплоть до контакта с прокладкой;
- По поперечной плоскости плуг выравнивают посредством правого раскоса, смонтированного на тракторной навеске, а по его продольной плоскости – за счёт тяги центрального типа. Главное требование – рама должна быть параллельна основанию по обеим плоскостям;
- Раскосы навески выставляют в соответствии с передним отверстиями в продольных тягах, при этом верхняя тяга крепится к рамке автосцепливания исключительно через отверстие. Недопустимо соединение через паз, поскольку это вызывает некоторые проблемы и неустойчивое перемещение плуга при его движении на глубине;
- Цепи ограничительного типа, установленные на навеске, выставляют за счёт вращения винтовых стяжек вплоть до их небольшого провисания. Это позволяет добиться малого раскачивания плуга в положении транспортировки – порядка 20 мм, не более;
- Устанавливают левый раскос на навесном комплекте таким образом, чтобы промежуток между шарнирными осями составлял 515 мм. В процессе работы не допустима смена длины левого раскоса, данное значение должно быть фиксированным.
Рекомендации от практиков
Применение тракторов МТЗ 82(80) с другими пахотными машинами обусловлено мощностью трактора. Передовые технологии обработки земли предполагают работу с чизельными плугами для безотвального глубокого рыхления. К сожалению самая малая модификация такой машины с захватом в ПЧ 2,5 требует мощности не менее 130 л.с и агрегатируется с новыми марками МТ3 1221, 1523, 2022.
В частных условиях механизаторы конструируют чизельные плуги для МТЗ 82(80) используя мощные части рам старых тяжёлых дисковых борон БДТ или культиваторов КПС присоединяя пару регулируемых опорных колес. Рабочие органы приобретают у производителей сх. машин обеспечивая ширину захвата до 1,5 м.
Подсветка номера ваз 2112 своими руками
Приспособление для вдавливания задних суппортов форд фокус 3 своими руками
Круиз на т4 своими руками
Лук зеленый сушеный как сделать
- Подключение дхо на рено дастер своими руками
Самодельный тракторный плуг
Покупка агрегата может обойтись довольно дорого, поэтому на выручку приходит возможность сделать плуг для МТЗ-82 (или МТЗ-1221) своими руками.
Есть более простая конструкция, которая в принципе выполняет те же самые задачи, что и плуг — самодельный культиватор на МТЗ-80. Разница между ними заключается в том, что плуг вспахивает почву, переворачивая при этом пласты земли, а культиватор землю просто пропахивает. Однако самодельный культиватор для трактора МТЗ — популярное устройство, так как сделать его проще, чем самодельный плуг.
Для грамотного изготовления плуга трактористу придется воспользоваться хорошими чертежами квалифицированных специалистов, поэтому лучше поискать. Некачественный чертеж негативно скажется на последующей конструкции и качестве вспашки почвы, значит, и урожайности. При конструкции самодельного культиватора, напротив, подойдет и схематичный чертеж.

После того как чертеж готов, его нужно перенести на твердый картонный лист и вырезать шаблон. Чтобы сделать плуг, нужно использовать материалы из нержавеющей стали или другого, более твердого металла. Так, можно использовать старую рессору от отечественного автомобиля или даже диск циркулярной пилы.
Рассмотрим процесс изготовления плуга. Даже мастеру, имеющему минимальный опыт в конструировании подобной техники, под силу создать простейший навесной плуг — однокорпусной, с использованием поворотных механизмов. Такое дополнительное тракторное оборудование включает в себя лемех и отвал на МТЗ. Для изготовления представленных элементов потребуются только стальные листы. В этом случае самоделка конструируется по определенному алгоритму.

- Производство лемеха из дискового элемента, снятого с циркулярной пилы. Чтобы заточить режущую часть, необходимо отбить ее на наковальне, как отбивается обычная коса или плоскорез.
- Следующий этап — изготовление отвала. Процесс довольно простой и требует минимальных навыков. Понадобится металлическая труба.
- Финальный этап — изготовление прочих элементов конструкции. Такая переделка не представляет особой сложности.
Для того чтобы собрать качественный самодельный оборотный плуг, нужно использовать специальные клинья с углом в 25°. После установки клиньев на вспомогательный металлический лист устанавливается лемех, который в свою очередь закрепляется на полотне при помощи сварочного шва.
Основные правила изготовления навесного оборудования
Глубина вспашки навесного оборудования на трактор 82 регулируется методом перемещения большого колеса. Именно поэтому его необходимо устанавливать по центру плуга. Сделать это можно с легкостью своими руками с помощью зажимных хомутов.

Самодельный плуг характеризуется незначительными поворотами, что благотворительно влияет на увеличение ширины вспашки. Для того, чтобы в результате поворотов данное навесное оборудование на трактор МТЗ 82 не сломалось, необходимо использовать только высококачественные материалы производства.
Советы по изготовлению навесного оборудования:
- Для того чтобы плуг для МТЗ 82 мог самостоятельно удерживать борозду, к нему приспосабливают двухколесный блок. Ширина бороздового колеса должна составлять 4-5 сантиметра, а диаметр – 32 сантиметра. Диаметр полевого колеса должен составлять 20 сантиметров. Ось для колес плуга на трактор 82 производят из трубы, размер которой составляет 19 дюйма.
- Для того чтобы правильно сделать плуг для МТЗ 80-82, необходимо примерить отвал к лемеху. Он требует максимально плотной стыковки с полотном.
- Правильное изготовление навесного оборудования на трактор МТЗ 80-82 требует использование специальных болтов для скрепления лемеха с металлическим листом.
- Для изготовления отвала используется стальная труба, диаметр которой составляет 55-60 сантиметров, а толщина стенки – 0,4-0,5 сантиметра.
- Независимо от способа изготовления агрегата, необходимо, чтобы его лемех был съемным. Это позволит его качественно заточить перед тем, как пахать землю.
- Самым тяжелым способом изготовления навесного оборудования своими руками является нагревание заготовки в горне. Именно поэтому лучше всего использовать металл, которые поддается холодной ковке.
Изготовить навесное оборудование самостоятельно достаточно просто. Для этого необходимо всего лишь использовать качественный металл и иметь сварку. Выполняются все работы по строго установленной технологии.
Преимущества плугов самостоятельного изготовления
Самодельный плуг своими руками имеет немало достоинств и нередко выигрывает при сравнении его с покупным аналогом.

Во-первых, создавая технику владелец изначально учитывает все особенности почвы данной местности, чтобы устройство было более эффективно в применении.

Это выражается в оценке угла овала, необходимых настроек глубины будущего вспахивания, а также задается нужная ширина.


Также создавая конструкцию по индивидуальному плану можно учесть и иные дополнительные крепежи полезные для увеличения полезности обработки необходимой почвы.

А применяя качественный материал для изготовления самодельный плуг для минитрактора может иметь длительный срок использования.

Предварительные регулировки плуга – моменты, которые необходимо учитывать при работе
Выполнять предварительную регулировку нужно ещё до выезда трактора в поле, соблюдая при этом такую очередность действий:
Под опорное колесо на плуге и левые тракторные колёса укладывают прокладки (их высота равняется глубине вспашки, с разбежностью порядка 2-5 см) и опускают плуг вниз таким образом, чтобы лемеха касались поверхности;
- Посредством винтового механизма на опорном колесе слегка опускают его вниз, вплоть до контакта с прокладкой;
- По поперечной плоскости плуг выравнивают посредством правого раскоса, смонтированного на тракторной навеске, а по его продольной плоскости – за счёт тяги центрального типа. Главное требование – рама должна быть параллельна основанию по обеим плоскостям;
- Раскосы навески выставляют в соответствии с передним отверстиями в продольных тягах, при этом верхняя тяга крепится к рамке автосцепливания исключительно через отверстие. Недопустимо соединение через паз, поскольку это вызывает некоторые проблемы и неустойчивое перемещение плуга при его движении на глубине;
- Цепи ограничительного типа, установленные на навеске, выставляют за счёт вращения винтовых стяжек вплоть до их небольшого провисания. Это позволяет добиться малого раскачивания плуга в положении транспортировки – порядка 20 мм, не более;
- Устанавливают левый раскос на навесном комплекте таким образом, чтобы промежуток между шарнирными осями составлял 515 мм. В процессе работы не допустима смена длины левого раскоса, данное значение должно быть фиксированным.
Подготовка перед работой
Перед началом работы с плугом МТЗ 1221 необходимо выполнить ряд подготовительных действий.
1. Оцените состояние плуга и его компонентов. Проверьте наличие повреждений, износа и трещин. Убедитесь, что все детали находятся в исправном состоянии.
2. Подготовьте трактор МТЗ 1221 к работе с плугом. Установите специальное крепление на трактор, согласно инструкции производителя. Убедитесь, что крепление надежно закреплено и не будет ослабляться во время работы.
3. Проверьте уровень масла в гидравлической системе трактора. Заправьте систему согласно требованиям производителя.
4. Проверьте уровень масла в коробке передач трактора МТЗ 1221. Заправьте коробку согласно требованиям производителя.
5. Установите плуг на трактор, согласно инструкции производителя. Убедитесь, что плуг надежно закреплен и не будет скользить или колебаться во время работы.
6. Настройте глубину пахоты плуга. В зависимости от типа почвы и задачи, установите соответствующую глубину пахоты.
После выполнения всех подготовительных действий плуг МТЗ 1221 готов к работе. Не забывайте соблюдать правила безопасности и контролировать работу плуга во время работы.
Основные регулировки плуга
Правильно собранный агрегат подлежит обязательной настройке. Устройство должно иметь:
- Корпус или несколько корпусов;
- Несущую раму;
- Опорное колесо или несколько колес;
- Предплужник или предплужники;
- Прицепное устройство для бороны;
- Навеску.
Полевой обрез лемеха и отвал корпуса должны находиться в параллельной вертикальной плоскости, выступая за поверхность на 5 – 8 мм. Не допускается выступание отвала за лемех в сторону непаханого поля.
Все головки крепления лемеха не должны выступать за рабочую поверхность. Такое же требование относится к отвалам подплужника и корпуса. Для многокорпусного агрегата лезвия лемехов надо устанавливать параллельно Носки и пятки надо располагать на параллельных прямых. Проверить регулировку можно с помощью отрезка шпагата. Отклонение не может превышать более 5 мм.
Обычно навеска выполняется по трехточечной схеме, но для трактора ДТ-75 достаточно двухточечной системы. Втулка крепится на нижней оси со сдвигом на 140 мм от оси трактора вправо. Вилки тяг прикрепляют к скобе втулки, а ограничительные цепи соединяют с вилками трактора.
Главное условие – добиться прямолинейности хода по горизонтали. Проверяется эта регулировка по соотношению ширины захвата и шириной хода трактора. В результате вычисляется расстояние между вертикальной частью борозды и наружным краем колеса.
Регулировочный винт опорного колеса позволяет оперативно регулировать глубину возделывания. Положение предплужника регулируют до определенной глубины вспашки:
- Глубина 20 см – верхнее положение;
- На 22 см – второе сверху положение;
- Глубина до 25 см – третье отверстие фиксации;
- До 27 см – четвертое положение;
- Глубина 30 см – самое нижнее отверстие.
Чтобы точно выполнить все регулировки необходимо выставить агрегат на ровную площадку. Для этого трактор и плуг устанавливают на подложки. В заключение плуг выравнивается с помощью раскоса навески трактора и основной центральной тяги. Во время работы длину левого раскоса изменять нельзя.
Чем регулируется горизонтальное положение рамы у навесных плугов?
Основа плуга — это треугольная рама с талрепами, которая регулирует горизонтальное и вертикальное положение. Корпус лемеха регулируется при помощи стойки. Глубина вспашки регулируется ограничительным колесом.
У навесных плугов (рис. 1.17) горизонтальность рамы в продольной и вертикальной плоскостях регулируется звеном N–Д верхней тяги навески трактора. Длина этого звена может изменяться винтовой парой 3. При изменении длины N–Д рама плуга поворачивается относительно точки С. У полунавесных и навесных плугов с двумя опорными колесами раму в таком положении фиксируют после соответствующей установки длин тяг N–Д и регулируемых тяг навесок плугов.





































