Устройство агрегата и технические параметры
Двигатель
- СМД-61 (производитель ХЗТД).
- ЯМЗ-236Д (производитель Автодизель).
В качестве пускового устройства использовался бензиновый стартовый двигатель, который запускался электростартером.
К техническим особенностям обоих силовых агрегатов относят возможность выполнения пускового нагрева, что улучшало запуск зимой.
Двигатели, которыми комплектовался Т-150к, имеют следующие технические характеристики (приведены для СМД-61, а в скобках указаны параметры ЯМЗ-236Д):
- Число цилиндров – 6 шт.
- Расположение –V-образное, под углом развала в 90 градусов.
- Мощность – 160,0 (175,0) л. с.
- Объем – 9,2 (11,2) л.
- Охлаждающая жидкость – тосол (возможно применение воды).
- Масса ДВС – 0,95 (1,00) т.
- Расход топлива – 217,0 (220,0) г/кВт.час.
- ТНВД – распределительного типа, с двумя плунжерами.
- Количество оборотов – 2000 (2100) об/мин.
Кабина
Сама кабина изготовлена из шумо и вибропоглощающих материалов и узлов, где с уменьшенными колебаниями обеспечивает комфортные условия для механизатора.
Выполнению работы способствует круговое остекление и наличие стеклоочистителей. Для комфортной работы зимой установлен специальный отопитель. После тюнинга кабины в 2013 году, в устройстве для безопасности применен специальный каркас.
Трансмиссия
Трансмиссия выполнена в механическом варианте:
- двухдисковая муфта сцепления в сухом варианте исполнения;
- КПП;
- раздаточная коробка;
- две конические главные передачи;
- межколесные дифференциалы;
- ВОМ (в базовом исполнении – задний).
Коробка передач трактора Т-150к выполнена с использованием гидравлического управления, с возможностью переключения скорости при движении.
Раздаточная коробка выполняет деление на диапазоны. С учетом характеристик такого деления количество передач трактора для переднего хода возрастает до 12, для заднего движения – до 4, при этом скорость движения (км/ч) составляет:
ВОМ имеет двухскоростное независимое исполнение, характеристики по частоте вращения в 540 и 1000 оборотов об/мин.
Преимущества и недостатки
Колесная версия трактора «Т-150», как уже говорилось ранее, пользуется огромной популярностью и в наши годы. В 70-ые годы же ХХ века, агрегат, обладающий такими выдающимися характеристиками, вызвал настоящий фурор среди производителей тяжелой сельскохозяйственной техники.
Преимуществами машины стали такие факторы, как:
- Легкий доступ ко всем основным конструкционным частям.
- Отличные показатели пригодности для ремонта.
- Высокое удобство при эксплуатации и обслуживании.
- Отсутствие протечек масла.
Однако, даже такая отличная машина не могла обойтись без конструкционных недостатков, тем или иным образом проявляющихся в работе – ведь ничто в мире не идеально. Колесный «Т-150» расходует топливо в завышенных количествах. Кроме этого, трактор наносит повреждения почве при проведении сельскохозяйственных работ и может забуксовать на влажной земле. По сравнению со своим гусеничным собратом, колесная версия обойдется покупателю намного дороже и при этом, потеряет в производительной мощности.
Габариты и масса тракторов Т-150 и Т-150К
Отечественный агрегат обладает классической конструкцией с расположенным в передней части мотором. К основным габаритно-массовым показателям машины относится:

- Масса без топлива и других жидкостей – 7536 кг, а при полностью заполненном баке и картере – 8137 кг.;
- На передний мост распределяется 5200 кг от общего веса агрегата, а на задний – 2937 кг.;
- Длина трактора с навесным инвентарем – 5800 мм., по кромкам крыльев сзади – 5590 мм.;
- Ширина с узкой колеёй – 2230 мм, а с широкой – 2250 мм.;
- Дистанция между задней и передней осью – 2865 мм.
Габариты трактора достаточно большие, из-за чего он, как правило, используется только на больших угодьях, площадью в несколько десятков гектаров.
Колёсный трактор Т-150К
Эта модель практически не отличается от своего собрата. Разницу можно наблюдать лишь в ходовой части и трансмиссии. Т-150К имеет шарнирно-составную раму и два ведущих моста. Задний мост при выполнении некоторых работ можно отключать. Это даёт преимущества при повороте трактора, движении на сложных участках местности и облегчает рулевое управление.
В схему трансмиссии включён дополнительный вал отбора мощности (ВОМ). Он служит для передачи мощности навесному оборудованию. На передней части составной полурамы расположены основные узлы трактора: силовая установка, кабина и коробка передач. Задняя полурама предназначена для агрегатирования с навесным и прицепным оборудованием.
Хорошо продуманная гидравлическая система, обеспечивает трактору грузоподъёмность до 3 500 килограмм. Для установки дополнительных приспособлений предусмотрена двух- и трёхточечная схема крепления.
В остальном, конструкции машин сходится. Но есть расхождения по некоторым техническим характеристикам. Например, колёсный трактор Т-150К обладает большей транспортной скоростью – 30 км/час.
Это обуславливается тем, что на машину устанавливался шестицилиндровый дизель СМД-62. Силовая установка выдавала больше мощности – 165 лошадиных сил. Мощный мотор требовал соразмерного топливного бака. Поэтому конструкторы увеличили объём до 375 литров.
Трактор Т-150К
Кроме того, была более продумана схема работы с навесным оборудованием. При выполнении сельскохозяйственных работ, машина могла оснащаться всеми разновидностями сельхозорудий. Трактор мог агрегатироваться даже с широкозахватными сеялками и плугами. Рулевое управление было более практичным, что обеспечивало машине неплохую манёвренность.
Гусеничный трактор при меньшей мощности двигателя, выдавал большее тяговое усилие. При этом расход топлива был значительно ниже, чем у колёсной версии.
Широкое гусеничное полотно, обеспечивало более надёжное сцепление с поверхностью и снижало удельное давление на грунт. Благодаря этой особенности, трактор получил высокую оценку от агрономов всей страны.
Система навесного оборудования
Трактор Т-150К колесный относиться к машинам общего назначения и может быть использован для выполнения широкого спектра операций.
Перечень основных видов работ:
- Сельскохозяйственные: пахота, культивации, обработка почвы перед посевом и буксировка сеялок, дискование, а также уборка зерновых культур при помощи несамоходного комбайна. Скорость движения от 7 до 14 км/ч.
- Транспортные операции с буксировкой прицепов и полуприцепов на скорости до 30 км/ч.
- Выполнение дорожных, дорожно-строительных и других видов работ с применением навесного и полунавесного и буксируемого оборудования.
Трактор отличается высокой энергонасыщенностью и оснащен прицепным устройством специальной конструкции.

Помимо прочего имеется вал отбора мощности для подключения соответствующего навесного оборудования.
Агрегатирование трактора с машинами осуществляется в строгом соответствии и с инструкцией. Перечень навесного оборудования и агрегатов включает в себя:
- Лущильник дисковый с шириной захвата в 15 м.
- Плуги: лущильники; пятикорпусные навесные;
шестикорпусные полунавесные; пятикорпусный для тяжелых и каменистых грунтов. - Бороны дисковые тяжелые и стандартные.
- Культиваторы в сцепке (две или три единицы).
- Сеялки. Сцепка из трех или четырех агрегатов.
- Катки для прикатывания.
- Буксируемые комбайны силосо- и кукурузоуборочные.
- Разбрасыватели удобрений минеральных, органических, пылевидных и жидких.
- Транспортные работы с использованием двухосного полунавесного и трехосного прицепа.
- Культиватор-плоскорез для глубокого рыхления почвы.
- Борона игольчатая в сцепке из пяти устройств.
- Сеялки-культиваторы для посева зерновых культур.
Широкое применение колесного трактора Т-150К объясняется его многофункциональностью и возможностью передвижения по дорогам общего пользования. Высокая проходимость делает его незаменимым при выполнении многих видов сельскохозяйственных работ.
Отличия от предшественника – гусеничного трактора Т-74
Т-150 отличается от предшественника повышенной эксплуатационной массой (в полтора раза) и мощностью дизеля (более чем в два раза). Также в конструкции центр тяжести смещен вперед, по отношению к центру опорной поверхности. Это позволяет использовать тягу для выравнивания давления по всей длине опорной поверхности гусеничной цепи. Центр тяжести был смещен за счет отделения коробки передач с механизмом поворота от заднего моста и перемещения их вперед, непосредственно к двигателю.

По сравнению с Т-74 Т-150 обеспечивает значительный прирост производительности, за счет работы на более высоких скоростях и с большей тягой. Снижает вредное воздействие на плодородный слой почвы – давление и проскальзывание. Передача мощности с 2-мя потоками позволяет значительно снизить нагрузки, повысить долговечность всех узлов трансмиссии, уменьшить габариты и увеличить дорожный просвет. По условиям работы Т-150 конечно был намного предпочтительнее более архаичного Т-74.
Модификации трактора Т-150К
На его базе создано семейство самоходных машин, предназначенных для выполнения разных видов работ.
Харьковский тракторный завод производит следующие модификации Т-150К:

Т-155 – армейская инженерная машина, используется для выполнения инженерно-заградительных работ и буксировки артиллерийских орудий разного калибра.
Легкий колесный тягач Т-155К со специальным оборудованием для инженерных войск и артиллерии. Модификация имеет бульдозерный отвал и модуль для рытья траншей и выполнения других земляных работ.
Тягач существенно отличается от базовой версии конструкцией прицепного устройства, вместо маятникового подвеса установлен стандартный крюк. На удлиненной задней полураме смонтирована грузовая платформа.

Т-156 — фронтальный погрузчик, предназначен для выполнения погрузочных работ и имеет специальное оборудование в виде вместительного ковша объемом в 1,3 куб, м. Трактор оснащен 8-ю фарами для освещения места проведения работ, для обеспечения из работы добавлен еще один аккумулятор 6СТ-140А3.

ЛТ-157 — трелевочный трактор, спректирован специально для работ в лесу. Основные отличия от базовой версии: наличие каркаса безопасности, улучшена тепло- и шумоизоляция кабины. Машина оборудована трелевочным чокером, мощной лебедкой, стальным щитом и бульдозерным отвалом, по специальному заказу возможна комплектация с клещевым захватом.

Т-158 — трактор колесный промышленный предназначен для выполнения технологических и транспортных операций. Комплектуется тяговым крюком с демпфером и автомобильным седельным прицепным устройством.

Т-150КД — оснащен бульдозерным отвалом
Все представленные версии трактора Т-150К изготовлены из стандартных узлов и механизмов. Унификация упрощает снабжение организаций и предприятий запасными частями, расходными материалами и комплектующими.
Переоборудование тракторов Т-150: установка неродных двигателей
Одной из причин, по которой тракторы Т-150 и Т-150К получили такую популярность, является их высокая ремонтопригодность и простота обслуживания. Машины можно легко переоборудовать и установить другое, неродное оборудование, которое было бы эффективнее для выполнения конкретных задач.

Одним из направлений переоборудования трактора Т-150 является замена мотора. Двигатели СМД-60 и СМД-62 имеют идентичную геометрию и способы подключения, поэтому установить вместо одного движка другой не составляет труда.
Переоборудование трактора Т-150 с двигателем ЯМЗ-236 или ЯМЗ-238 (последний мотор часто монтируется на машины самостоятельно) представляет собой более сложную задачу. Самый простой способ модернизации трактора — с помощью специального комплекта для переоборудования. Он стоит в пределах 50 тыс. р и является набором переходников для быстрой установки нового двигателя. Конечно, речь идет о модернизации трактора Т-150 с двигателем СМД-60 или СМД-62. Заменить движки ЯМЗ одной версии на другую можно в большинстве случаев без особых сложностей.

Также востребованной является модернизация по установке мазовского двигателя на Т-150. Конструктивно это самая сложная задача, поскольку придется адаптировать все крепления, детали рамы и трансмиссии.
Устройство трансмиссии агрегата
В конструкцию трактора входит механическая трансмиссия на ручном управлении. Она состоит з таких элементов:
- Двухдискового сухого сцепления, оснащенного пневмоусилителем привода;
- Коробки переключения скоростей;
- Главной передачи;
- Карданного вала;
- Межколесного дифференциала;
- Конечной передачи;
Узлы и механизмы трансмиссии расположены в отдельных корпусах.
Крутящий момент передается к дифференциалам заднего и переднего мостов посредством карданного вала. Они могут работать даже при сильном смещении задней и передней полурамы по отношении друг к другу.
Карданная передача снабжается промежуточной опорой с подшипником подвесного типа. И передний, и задний мост трактора являются ведущими. При этом задняя часть подключена постоянно, что гарантирует более безопасное управление агрегатом.

В конструкцию главной передачи входит ведомая и ведущая шестерни, имеющие спирально-конической зацепление. Этот механизм гарантирует различные частоты вращения колес при входе в поворот.
Сам привод выполняется при помощи колесных редукторов или конечных передач. Ведомый механизм каждой передачи установлен в отдельный корпус, расположенный в непосредственной близости к колесу.
Конструкция трансмиссии трактора не отличается сложностью. Благодаря этому даже новички, не знающие, как управлять агрегатом, достаточно быстро разберутся в принципе работы его ходовой части.
Технические характеристики

Этот мощный, маневренный полноприводный трактор имеет очень компактные размеры 6,13 x 2,46 x 3,17 м. Сухая масса машины составляет 8 400 кг, колесная база — 2,86 м, колея — 1,68/1,86 м. Дорожный просвет составляет 300 и 400 мм для гусеничных и колесных тракторов соответственно, а радиус поворота не превышает 6,5 м.
Полурамный тип имеет шарнирную раму, состоящую из швеллеров и поперечных балок, которые крепятся большим количеством заклепок. В передней части рамы расположен силовой агрегат, соединенный с трансмиссией через механизм сцепления, и коробка передач с редуктором и карданной передачей. Шарнирно-сочлененная рама поворачивается с помощью энергии от 2 гидравлических цилиндров.
- Разработчик — Харьковский тракторный завод
- Тип двигателя — ЯМЗ-236Д-3, шестицилиндровый V-образный дизельный двигатель
- Мощность — 165 л.с.
- Номинальная скорость — 2100 об/мин
- Рабочий объем двигателя — 11 литров.
- Электрический стартер — да
- Расход топлива — 220 г/кВтч
- Коробка передач — механическая, с 12 скоростями движения вперед
- Независимая коробка отбора мощности — да
- Скорость вращения ПТС — 500 и 1000 об/мин
- Тормоза — с пневматическим приводом
- Колеса — одинарные или двойные (в зависимости от модификации)
- Тип задней навески — 3-точечная гидравлическая
- Мощность навесного оборудования — 4500 кгс
- Объем колесной базы — 2860 мм
- Размеры колеи — 1680 и 1860 мм.
- Размеры трактора, мм. Длина — 6130, Ширина — 2406, Высота — 3195
- Дорожный просвет — 400 мм
- Вес трактора — 8200 кг
- Полный привод 4×4 — да
- Радиус поворота — 6500 мм
- Макс. скорость вперед — 30 км/ч
- Макс. скорость назад — 10 км/ч.
Двигатель

T-150 оснащался шестицилиндровым дизельным двигателем мощностью 150 л.с. В более поздних версиях мощность двигателя была увеличена до 180 л.с. Теперь потенциальные покупатели получают еще одну модификацию трактора Т-150 с двигателем ЯМЗ мощностью 175 л.с.
Двигатель охлаждается воздухом и сначала очищается циклонным масляным фильтром. Для облегчения холодного запуска топливо предварительно подогревается с помощью PFB-10.
- Рабочая мощность 129 кВт.
- Количество оборотов вала в минуту — 2100.
- Размеры двигателя 112 x 105 x 106 см.
- Собственный вес 1 тонны 35 кг.
Расход топлива
Расход топлива в рабочем режиме составляет 258 г/кВтч. Объем топливного бака первых моделей составлял 375 литров, в то время как у более поздних моделей этот показатель увеличился до 430 литров.
Расход топлива во время работы составил 28 литров в час. Полного 430-литрового бака хватает на 12-часовую рабочую смену и доставку в гараж.
Коробка передач

Эксплуатационные возможности T-150 расширяются благодаря многодиапазонной трансмиссии. Оператор, транспортер, замедлитель и реверс имеют по четыре скорости. максимальная транспортная скорость версии T-150K достигает 30 км/ч.
Сложность конструкции редуктора компенсируется многократно.
- Переключение вниз и вверх без перебоев в работе.
- Гибкие тяговые характеристики.
- Многорежимная активация рабочих элементов навесного оборудования.
Возможность обслуживания коробки передач без снятия корпуса коробки передач с трансмиссии. Конструкция трансмиссии позволяет отсоединить ее от переднего моста.
Кабина KTZ 150, расположенная в центре рамы, с 1913 года получила жесткий внутренний каркас, а также более эффективное отопление. Стандартное оборудование включало удобную рулевую колонку, регулируемое по весу и высоте сиденье водителя, вентилятор, обогрев переднего стекла и зеркала заднего вида.
Механическая трансмиссия трактора T150 характеризуется рядом особенностей: отсутствие передачи мощности при переключении передач (во время движения или работы); регулируемые тяговые характеристики; поддержка необходимой рабочей скорости с соответствующим навесным оборудованием. Крутящий момент передается от коробки передач к раздаточной коробке и от раздаточной коробки к мосту. Трансмиссия приводит в действие специальное навесное оборудование, например, КЗК-10.
Гидравлическая система

Трактор Т-150 оснащен задней сцепкой третьего тягового класса, которая представляет собой шарнирную четырехзвенную трехточечную навеску.
Благодаря мощному двигателю машина предназначена для тяжелых работ: вспашки целины большим плугом, очистки улиц от снега, трелевки леса, буксировки заблокированных машин и транспортировки груженых прицепов.
Техническое обслуживание

Техническое обслуживание Особенностью и гусеничных, и колесных тракторов является их простое обслуживание. Данная техника предназначена для эксплуатации на протяжении длительного периода времени. Перед каждым выездом следует проверять и, при необходимости, доливать топливо, охлаждающую жидкость и масло, проверять работоспособность тормозной и рулевой системы, заряд аккумулятора.
Замена моторного масла должна происходить спустя 500 часов эксплуатации. Летом рекомендуется использовать масло марки М-10Г2к, в зимнее время — М-10ДМ. Трансмиссионное масло подлежит замене один раз в год, перед началом эксплуатации или через 1000 отработанных часов.
Основные виды неисправностей
Многие владельцы трактора Т-150 отмечают проблему с карданной передачей.
Если идет большой нагрев этого узла:
Проверьте радиальный зазор в игольчатых подшипниках.
- Если зазор более 0,5 мм, то необходимо заменить крестовину вместе с подшипниками.
- Если он менее 0,5 мм., то просто дополнительно смажьте этот узел.
Если идет радиальное биение карданных валов:
Проверьте отсутствие подвижности в радиальном направлении фланцев коробки передач.
В случае ослабления их крепления, снимите карданный валы и затяните болты и гайки крепления фланцев.
Следующие причины могли привести к тому, что гидравлический насос не поднимает навесное оборудование:
- Он выключен;
- На рабочую кромку гнезда перепускного клапана попали посторонние частицы;
- Холодное масло.
История трактора Т-150
Предшественник Т-150, самоходная установка Т-125. После поездки Никиты Хрущёва, 1-го секретаря ЦК КПСС, в США (1959г.) поставлена задача Харьковскому заводу, наладить выпуск колёсных тракторов для фермерских нужд. Руководил проектом главный инженер завода А.А.Сошников. Благодаря поставленной работе, в 1962 году выпущен первый Т-125, новый, оригинальный трактор, альтернативы которому не было. Эту самоходную машину впоследствии заменил трактор т150.

К концу шестидесятых годов прошлого века стало ясно, что будущее отрасли тракторостроения, ориентация на технику, способную достигать высоких результатов мощности и скорости. На этом фоне, главный конструктор Харьковского завода Б.П.Кашуба и главный инженер В.В.Библик пришли к единому мнению о создании новой модели унифицированного трактора, с возможностью использования гусеничного и колёсного хода.
Кашуба Борис Павлович (главный конструктор ХТЗ):

Несмотря на сложность задач, в 1973 году на конвейер поставлен гусеничный трактор т 150. Позже, после доработки и модернизации появилась колёсная модель – трактор т 150к. Машина пользовалась большей популярностью, поскольку наличие колёс позволяло использовать трактор и на стройке и в селе. В 79г. колёсная модель с успехом прошла международные испытания на полигоне в Небраске (США), это позволило ей выйти на международный рынок.

Трактор т 150к получился удачным, из-за популярности выпуск происходит и сегодня. Отличительные особенности, мощность и производительность, надёжность, способность работать на скоростях до пятнадцати км/ч. За время выпуска, Харьковский завод произвел 753000 экземпляров машин, которые сегодня выполняют поставленные перед ними задачи.
Трактор Т-150: технические характеристики
Все модели тракторов Т-150 оборудованы дизельным 6-цилиндровым четырехтактным наддувным двигателем СМД-60. Его мощность – 158 лошадиных сил. Размещение цилиндров – V-подобное, охлаждение – жидкостное. Запускается двигатель по двойному алгоритму – с начала стартером заводится пусковой бензиновый мотор, который в свою очередь разгоняет главный двигатель. Очистка воздуха для топливной системы трехуровневая – 2-ступенчатая очистка сухим фильтром от пыли плюс инерционно-масляная (так называемая тонкая очистка). При отрицательных температурах (от –5°С) двигатель запускается с помощью специальной нагревательной системы ПЖБ-300.
Другие технические параметры трактора:
- вместительность бачка для горючего – 315 л;
- средний расход топлива – 258 г*кВт/час;
- габариты – 2945*6130*2220;
- вес агрегата – 7685 кг;
- ширина колеи – 1860 мм.
Устройство
Кабина
При проектировании агрегата, советские инженеры уделили отдельное внимание устройству кабины трактора. И, стоит отметить, у них получилось создать по-настоящему удобное и комфортное рабочее место
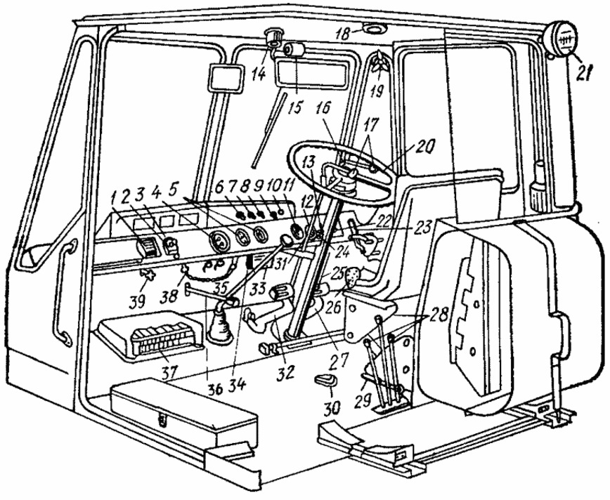
Рисунок 4. Схема кабины трактора «Т-150К»
Кабина обладала двумя полноценными местами, а также была надежно защищена от пыли и шума, которые, несомненно, сопутствовали работе тракториста. Среди систем коммуникации стоит отметить достойную систему вентиляции, а также отличное отопительное устройство. Среди оборудования кабины также можно выделить козырек, наилучшим образом защищающий глаза рабочего от солнечных лучей. В остальном все стандартно – место под медицинскую аптечку, обзорные зеркала и стеклоочистители.
Чтобы показать, насколько комфортабельно спроектирована кабина, стоит сообщить о том, что ее конструкция предусматривала даже наличие крючков для одежды! Кроме этого, присутствовали также места, предназначенные для установки термоса и кулера с питьевой водой.
Само водительское место можно было регулировать, что называется, «под себя». Механизмы позволяли регулировать высоту и уровень наклона сиденья в зависимости от массы и роста тракториста.
Навесное оборудование
Конструкционные особенности трактора «Т-150К» позволяли использовать эту машину для различных задач. В наше время на выбор покупателя предлагается огромное количество всевозможного навесного оборудования:
- Шнеко-роторное оборудование.
- Щеточное оборудование.
- Прицепное моечное оборудование.
- Снегоочистительное оборудование.
- Погрузочное оборудование.
- Узкоспециализированные навесные устройства – разбрызгиватели песка, косилки для травы, навесное сварочное оборудование, и многие другие виды навесных устройств.
Как вы видите, за годы использования, трактор этой модели был использован для решения самых разнообразных вопросов. Комплекты навесного оборудования позволяют агрегату быть полезным даже спустя большое количество времени.
Трактор Т-125: устройство и основные характеристики
В 1965 году тракторный завод в Харькове освоил мелкосерийное производство новой колесной машины трехтонного класса, разработка которой началась еще в 1959 году. Первые партии машин для испытаний в различных условиях появились еще в начале 1962 года. Инициатором создания таких тракторов стал Н. С. Хрущев, который увидел подобную технику во время своего визита в США. Новая машина была создана под руководством главного конструктора завода ХТЗ А. А. Сошникова и получила обозначение Т-125. Одной из основных черт такой техники стало сочетание характеристик скоростного трактора с повышенной проходимостью и тягача.
Основной сферой использования нового трактора стали сельскохозяйственные, дорожные и транспортировочные работы. При использовании в поле трактор Т-125, благодаря наличию полного привода, мог выполнять широкий спектр работ при различном состоянии грунта. Колеса большого диаметра обеспечивали дорожный просвет около 400 мм, который уменьшался на 50 мм при установке механизма навески. На фотографии ниже представлены тракторы Т-125 и МТЗ-52 на одной из выставок.

При транспортировке трактор работал с полуприцепами с грузоподъёмностью до 20 тыс. кг. При этом допускалась эксплуатация таких транспортных средств на дорогах общего пользования и на проселках, а также в условиях бездорожья. Максимальная скорость трактора Т-125 в сцепке с прицепом достигала 30 км/час.
Двигатель и трансмиссия
В качестве силового агрегата применялся шестицилиндровый 130-сильный дизельный двигатель модели АМ-03 с двухдисковым сухим сцеплением. По многим узлам мотор был унифицирован с широко распространенными дизелями ЯМЗ-236. Устройство коробки передач трактора Т-125 классическое для машин со всеми ведущими колесами.
Основная коробка имеет четыре главные передачи и дополнительный пониженный ряд, применяемый при работах в условиях тяжелого бездорожья или при разгоне с места с большой нагрузкой. С коробкой передач стыковалась двухступенчатая раздаточная коробка. Серийный экземпляр машины представлен на фотографии ниже, хорошо видна отштампованная надпись «Т-125» на боковине капота.

Благодаря такой трансмиссии трактор мог иметь скорость переднего хода в диапазоне от 0,7 до 29 км/час. При этом на первых двух скоростях (без пониженной передачи) достигалось тяговое усилие 3500 кг.
Ходовая часть и кабина
Трактор оснащался двумя ведущими мостами, причем задний жестко стыковался с рамой. Передний мост имел рессорную подвеску и подключаемый с места водителя привод. Сама рама состояла из двух частей, соединенных между собой шарнирным узлом. Конструкция мостов и колес позволяла осуществлять регулировку колеи на два фиксированных значения – 1630 и 1910 мм. Для привода вспомогательных и навесных устройств на задней части трактора имелся вал отбора мощности. Для него существовали два комплекта сменных шестерен, которые обеспечивали частоту вращения 540 или 1000 оборотов. Ниже представлена фотография трактора ХТЗ Т-125 на одной из выставок сельскохозяйственной техники.

Цельнометаллическая кабина водителя имела два раздельных сидения и оснащалась эффективной системой обогрева и вентиляции. Дополнительную вентиляцию в жаркое время можно было осуществлять через откидное лобовое стекло. Большая площадь остекления дверей и задней части кабины обеспечивали хороший обзор для водителя трактора Т-125. В схему рулевого управления был включен гидравлический усилитель, который значительно облегчал управление машиной. Для остановки трактора весом почти 7000 кг использовались тормоза с пневматическим приводом.
На базе трактора был создан ряд модификаций, таких как версия для леспромхозов Т-127, дорожная машина Т-128, инженерный трактор КТ-125 и погрузчик с фронтальной загрузкой Т-126. Схема машины для заготовки леса приведена ниже.

Семейство машин выпускалось недолго, до 1969 года, и за это время было собрано всего 195 тракторов базовой версии и еще 62 машины различных модификаций. До нашего времени не сохранилось ни одной машины. Редкостью являются даже фотографии Т-125 и машин на его базе.
Энергонасыщенный Т-150к (ХТЗ)
Колесный энергонасыщенный трактор Т-150к впервые сошел с конвейера Харьковского тракторного завода в 1971 году.
Оригинальная, изначально без аналогов конструкция, а также технические характеристики Т-150к позволили применять на следующих сельхозработах:
- обработка почвы (основная, предпосевная)
- выполнение посевных операций совместно с широкозахватными посадочными агрегатами;
- погрузочно-разгрузочные операции с использованием дополнительного навесного оборудования;
- выполнение уборочных работ совместно с высокопроизводительными специальными комплексами;
- участие в заготовке кормов;
- транспортные перевозки.
Разнообразие в использовании трактора в сельском хозяйстве обеспечивала способность агрегатирования с специализированным навесным, полунавесным и прицепным оборудованием (более 50 наименований), а также выполнение ремонта в условиях сельских мастерских.
Эксплуатационные показатели трактора Т 150К
Основа трактора, сдвоенная рама, соединённая шарниром. Такая конструкция наделяет изделие манёвренностью. Модель унифицирована, используется на гусеничном, или колёсном ходу, маркируется Т-150/Т-150К соответственно.
При повороте руля, меняя траекторию движения агрегата, половины рам поворачиваются кругом оси на подвижном креплении двух частей рам. Систему трактора в движение приводит гидравлика, работа которой напрямую связана с масляной помпой.
Комплектация передней половины рамы предусматривает:
- Силовую установку;
- Трансмиссию;
- Кабину водителя;
- Управляющие и контролирующие механизмы.
Плавность хода обеспечивается рессорами с профилем половины эллипса, прикреплёнными к передней паре колёс. Вторая пара установлена к базовым конструкциям жёстко. Импульс силовой установки ведущим колёсам передаётся валом кардана.
Т-150/Т-150К работают по формуле 4Х4. Усилие для движения по поверхности создаётся за счёт перематывания замкнутой сплошной ленты (Т-150) или за счёт колёсного хода с особым рисунком протектора (Т-150К). На колёсную модель устанавливают шины с низким давлением, одинакового размера 1440 на 510мм. Такая компоновка делает трактор проходимым, улучшая эксплуатацию на разных типах дорог.




































