Инструкция по эксплуатации
В прилагаемой к мотоблоку Крот инструкции по эксплуатации изготовитель указывает следующую информацию:
- настройка механизмов и устранение неполадок;
- правила техники безопасности при работе с агрегатом;
- особенности использования устройства;
- информация о параметрах и строении сельхозмашины.
Надежная и продолжительная работа мотоблока зависит от правильного и регулярного техобслуживания, а также от грамотного и постоянного ухода. Пользователю необходимо выполнять несложные манипуляции по уходу за механизмом. В таком случае культиватор может прослужить более 10 лет.
В качестве топлива надо использовать смесь бензина марки АИ-80 или АИ-76 и масла марки М-12-ТПТУ или М8В1.
От правильного и регулярного техобслуживания зависит работа мотоблока
Уровень масла должен постоянно контролироваться и при необходимости восполняться до нужного количества
После каждого использованию культиватора важно проводить очищение от грязи. По окончании процедур сельхозмашина протирается насухо, а ее рабочие узлы смазываются
Первый запуск
Правильный запуск мотоблока при первом использование определяет его дальнейшую службу. Этот процесс называется обкаткой и длится не менее 15 часов
До начала и после обкатки важно проверить, соответствует ли уровень рабочих жидкостей норме и долить при необходимости до нужного количества
Процесс обкатки заключается в прохождении таких этапов:
- Проверка агрегатов, узлов и мотора на работоспособность. Тщательно проверить коробку передач.
- Определение уровня масла в картере. Запуск двигателя всухую приведет к его заклиниванию.
- На время обкатки мотоблок не рекомендуется нагружать. Лучший вариант – работа на холостом ходу. В крайних случаях нагрузка на устройство не должна превышать 50% от нормы.
Если соблюдены все требования и первый запуск прошел успешно, то можно с уверенностью утверждать, что детали механизма хорошо притерлись друг к другу
Это важное условие для дальнейшей успешной эксплуатации культиватора
В мотоблоке постоянно контролироваться должен уровень масла
Обслуживание
Обслуживание мотоблока предусматривает регулярное совершение следующих операций:
- регулировочные;
- моечные;
- крепежные;
- контрольные;
- смазочные;
- заправочные и другие работы.
Периодичность таких манипуляций составляет от 5 часов до 1 раза в сезон. Рассмотрим классификацию периодических работ по частоте выполнения.
Каждые 5 часов проводят такие манипуляции:
- очистка зоны около глушителя, всего мотокультиватора, протирка насухо;
- очистка наружных поверхностей головки цилиндра и самого цилиндра;
- замена в редукторе мотора масла (после первых 5 часов работы);
- осмотр крепежных соединений ходовой части и двигателя;
- контроль уровня масла в ходовой части и редукторе;
- контроль герметичности редукторов ходовой части и двигателя, карбюратора, бензобака и топливопровода.
Не рекомендуется нагружать мотоблок на время обкатки
Каждые 25 часов или раз в сезон:
- регулировка клиноременной передачи;
- очистка воздушного фильтра и контроль его состояния;
- проверка креплений резьбовых соединений ходовой части и двигателя с использованием инструмента ЗИП;
- замена масла в редукторе ходовой части.
Через каждые 50 часов или каждый сезон:
- очищение свечей зажигания;
- замена в воздушном фильтре фильтрующего элемента, эту процедуру можно проводить чаще при работе в сложных условиях;
- замена масла в редукторе двигателя (при повышенной температуре окружающей среды проводится чаще – через 25 часов).
Каждые 100 часов или каждый сезон:
- смазывание тросов управления;
- установка новой свечи зажигания;
- очищение и смазывание стартера;
- очищение глушителя;
- замена масла в редукторе ходовой части;
- очищение от нагара канавок поршневых колец, поршня, головки цилиндра, выхлопных продувочных окнах цилиндра.
Следует выполнять предписания, чтобы не допустить возникновения преждевременных неисправностей
Каждые 300 часов или каждый сезон:
- промывание бензокрана и карбюратора;
- промывка топливного бака.
Сфера применения и возможности использования
Конкретное назначение мотокультиватора «Крот» – это выполнение широкого спектра сельскохозяйственных работ по обработке почвы. На дачных и приусадебных участках, на огородах и в подсобном хозяйстве. Владельцы этих небольших «земельных угодий» знают по опыту, что перекопать их вручную можно только лишь с существенной затратой времени и физических сил. А мотоблок «Крот» как раз и призван сберечь время, силы и здоровье своего владельца.
Эта малая (как по размерам, так и по мощности), агротехника применяется, в первую очередь для рыхления, выравнивания, боронования земли на небольших (до 0,1 га) земельных участках. В инструкции к мотоблоку «Крот» указывается, что он предназначен для неглубокой (до 25-ти сантиметров) обработки (фрезерования без оборота пласта) почвы; её рыхления, боронования, выравнивания, прополки междурядий и других подобных работ «на личных приусадебных, огородных и садовых участках с обрабатываемой площадью от 0,04 до 0,1 га)».
Основные операции по обработке земли осуществляются с помощью рабочего органа мотокультиватора – фрезы (роторов с ножами специальной формы). Крутящий момент от двигателя через клиноременную передачу, шестерни и звёздочки с цепью передается на вал редуктора с закрепленными на нем роторами. Ножи роторов при вращении отрезают пласты почвы, крошат и перемешивают их, одновременно вызывая поступательное движение мотокультиватора вперёд.
По сравнению с плугом, фреза лучше рыхлит почву, измельчает корни сорной растительности, а также равномерно перемешивает с почвой органические и минеральные удобрения по всей глубине обработки. Производители уверяют, что применение мотокультиватора «Крот» возможно даже на тяжёлых почвах, и при обработке целинных участков.

Мотоблок «Крот» также можно использовать для перекачивания воды из открытых водоёмов и ёмкостей. Для этого на его раму устанавливается насосная установка, соединённая клино-ременной передачей с двигателем. А с тягового редуктора клино-ременная передача при этом снимается. Насосная установка «МНУ-2», используемая для данной работы, естественно, приобретается отдельно.
Некоторую пользу «Крот» может принести также и для перевозки грузов массой до 200 кг на малогабаритной тележке «ТМ-200» с поворотно-сцепным устройством. Обрезиненные колёса надеваются на выходные валы редуктора.
«Крот» сравнительно прост в обращении, не требует большого помещения для хранения, а незначительные масса и габариты упрощают его транспортировку.
Первая бензопила в линейке Калибр
Первая представительница линейки, которая отличается самыми низкими характеристиками мощности и производительности, это бензопила Калибр БП 1500/16У.

Давайте сразу разберемся, как расшифровывается обозначение.
- Буквы БП — это сокращение от слова бензопила.
- 1500 – мощность двигателя.
- 16 – означает, что на пилу устанавливается шина длиной 16 дюймов.
- Буква У, в конце обозначения, говорит о наличии системы бокового натяжения цепи, наличие системы считается улучшением (улучшенная).
Характеристики БП 1500/16У
Как было сказано ранее, мощность данной модели 1,5 кВт, что в переводе чуть более двух лошадей. В принципе этого достаточно для решения каких-то не сложных задач, но пилить толстые деревья с такой мощностью некомфортно и долго, т.к. скорость реза низкая.
Вес полностью собранной пилы 6,1 кг, в сравнении с одноклассниками, например Штиль 180, эта модель Калибр очень тяжелая, к тому же сильно проигрывает по максимальному количеству оборотов, которых у нее всего 11000 об/мин, в то время как Штиль выдает 13500.
Бензокоса Калибр БК-1500 – описание модели
Эта мотокоса отличается хорошим подбором комплектующих, надежностью и внушительным запасом крутящего момента. Бензокоса Калибр оснащена 2-тактным 1-цилиндровым мотором, выдерживающим длительную нагрузку при работе в плохих погодных условиях.

Технические характеристики модели включают:
- мощность штатного мотора – 2 л. с.;
- объем штатного цилиндра ДВС – 43 см3;
- максимально возможный диаметр скашивания травы при использовании лески – 44 см;
- диаметр срезания травы при использовании ножа – 25,5 см;
- вес в собранном виде – 7,5 кг.
Коса оборудована U-образной велосипедной рукояткой, которую можно регулировать по высоте. Для управления триммером производитель предусмотрел в его комплектации многофункциональную прорезиненную рукоятку.
Устройство и навесное оборудование
Культиватор МК-3-02 имеет стандартное для техники своего класса устройство:
- Силовая установка. Агрегат оснащен бензиновым четырехтактным двигателем с воздушным охлаждением. В базовой комплектации на него установлен американский мотор Lifan 168F-2, собранный по лицензии в Китае. Двигатель отличается низким уровнем шума и вибрации, что обеспечивает комфорт в работе с оборудованием.
- Рама. Предназначена для крепления узлов и механизмов культиватора. Каркас собран сварным методом из закаленной стали. Защита металла от коррозии обеспечивается нанесенным на него антикоррозионным покрытием. На задней части рамы установлены опорные колеса с регулируемым клиренсом.
- Коробка передач. Передача крутящего момента на ведущую ось производится по цепному редуктору. Движущиеся части находятся в масляном картере, за счет чего обеспечивается постоянная смазка подвижных деталей.
- Органы управления. Представляют собой сдвоенную рукоятку, на которой находятся рычаги и кнопки. Рукоятка регулируется по углу наклона, ширине и высоте. Для работы в ночное время используется фара, работающая от внешнего аккумулятора.
- Защитные приспособления. Рабочие органы сзади и по бокам оснащены пластиковыми кожухами, задерживающими землю, камни и корни растений. На двигателе установлен температурный датчик, подающий сигнал о критически высокой температуре.
Предусмотрена установка на культиватор такого навесного оборудования:
- Фрезы. Представляют собой лопасти, закрепленные на квадратном основании. Фрезы выполняют функции рыхления почвы, подготовки небольших котлованов, прополки грядок и огородов от сорняков. Лопасти изготовлены из прочной легированной стали, выдерживающей высокие механические нагрузки.
- Окучник. Изделие выполнено в виде дисков, края которых могут быть ровными или зубчатыми. Используется для создания грядок из разрыхленной земли и засыпки канавок после закладки в них семян или клубней.
- Передний отвал. Предназначен для расчистки дорожек и площадок от свежего снега. Может использоваться для перемещения сыпучего материала на небольшие расстояния.
- Пневматические колеса. Устанавливаются на оси, применяются для буксировки садовых тачек весом до 100 кг.
Изделие имеет ограниченную мощность, оно не приспособлено для работы с тяжелым навесным оборудованием.
Бензотриммер Калибр Бк 750 Конструкция Устройство Описание
Переносной триммер Калибр БК-1580
движок: бензиновый, тип триммера: переносной, Мощность ДВС: 2.10 л.с., количество тактов мотора: двухтактный, режущий элемент триммера: леска и ножик, ширина скашивания: 42 см, конструкция подробнее. штанги: ровная, количество колес: нетскрыть
Описание: двигатель: бензиновый, тип триммера: переносной, Мощность ДВС: 2.10 л.с., количество тактов двигателя: двухтактный, режущий элемент триммера: леска и нож, ширина скашивания: 42 см, конструкция подробнее. штанги: прямая, количество колес: нетскрыть
Достоинства: относительно не громоздская, удобная, неплохо косит газон и бурьян,цена
Недостатки: быстро сломалась, хотя не ожидали от нее изначально мега возможностей
Комментарий: Родители попользовались 2 месяца пока накрылась об курс, жалко конечно было. Думаем над покупкой серьезного агрегатора, так как не только у меня печальный опыт в использовании ручных газонокосилок. Но удобен сам процесс косить траву, крепится просто, чистится тоже
Достоинства: Мощность и низкая цена. Удобные органы управления. Лучший обзор бензотриммер калибр бк-1980 калибр бк 750 конструкция устройство описание. Ремень с поясом и карабином. в комлекте. Инструмент, емкость для смешивания топлива-тоже в комплекте. Внятная инструкция по сборке и эксплуатации.
Недостатки:
Лучший Обзор Бензотриммер калибр бк-1980
Для кого-то это хохма, для кого-то жизненный урок. Вы решили приобрести дешевейшую технику с рассчётом, что.
Дешёвая китайская мотокоса. Бензотриммер калибр бк 1580 видео. Прикольный ремонт.
Личное мнение Бензотриммер Калибр БК-1980. В целом тример хороший, единственно катушку лучше от хугсварны. Сильный шум двигателя во время работы. Очень хлипкая катушка с леской разбивается в хлам при контакте с любым препятствием. Рекомендую сразу приобрести катушку /резьба левая м10!/ от другого производителя. Диск тоже лучше купить штилевский, так как родной не отбалансирован и вибрация при работе с ним такая, что рога реально отбивают руки.
Комментарий: Очень мощная коса. Косить можно абсолютно все. При несамостоятельной сборке рекомендую проверить затяжку резьбовых соединений /и проверять ее как можно чаще/. Простая и надежная конструкция позволяет урал бк-3650 ; бензотриммер устройство к. При работе с диском от вибрации болты склонны к самооткручиванию. Калибр бк-750 56 мм бензотриммер калибр бк-750л описание калибр. После длительного перерыва в работе возможно придётся попотеть с запуском. НО 1,5 кВт МОЩНОСТИ ЗА 4250 руб ВРЯД ЛИ ЕЩЕ ГДЕ-НИБУДЬ КУПИТЕ. Для сельских жителей с руками весьма рекомендую.
Достоинства: низкая цена
Недостатки: Слабые детали, некачественные материалы, подходит только для косьбы газона и на 1 сезон
Комментарий: Лучше не стоит покупать и преобрести более дорогую
Достоинства: за 2 года не ломалась ток винты надо под кручивтать вовремя
Недостатки: со временем поменял броне провод пробивал и плохо заводился за него поставил обычный провод все норм стало
Комментарий: можно покупать
Достоинства: дешевый мощный
Комментарий: Купил для сенокоса. Хватило почти на месяц. Большинство винтов открутились от вибрации. Потерялась крышка воздушного фильтра, ладно вовремя заметили, нашли. А вот карбюратор ослаб- вовремя не заметили. В итоге прокладка в цилиндр и печальный итог
двигатель: бензиновый, тип триммера: переносной, Мощность ДВС: 2.10 л.с., количество тактов двигателя: двухтактный, режущий элемент триммера: леска и нож, ширина скашивания: 42 см, конструкция подробнее. штанги: прямая, количество колес: нетскрыть
голоса
Рейтинг статьи
Инструкция мотокультиватор Пчелка – что советует производитель?
Прежде, чем приступить к использованию модели, необходимо изучить советы и указания от производителя. Придерживаясь их, вы сможете продлить сроки эксплуатации своего культиватора. Обслуживание агрегата заключается в следующем:
- В первую очередь, необходимо регулярно менять масло и бензин. Производитель советует делать это перед каждым запуском мотора после длительного простоя. Не нужно экономить на бензине, ведь покупка и замена сломанных деталей мотора обойдется в разы дороже;
- Во-вторых, необходимо регулярно смазывать трансмиссию культиватора. Своевременное внесение масла играет большую роль для увеличения сроков службы шестерней;
- В-третьих, не используйте агрегат на сильно заросших участках или для вспашки целины. В связи с невысокой мощностью, мотор культиватора будет регулярно перегреваться;
- В-четвертых, не используйте габаритное навесное оборудование, так как это плохо скажется на качестве обработки почвы и уменьшит ресурс мотора и редуктора.
Принцип работы со снегоотвалом для мотоблока
Как правило, на всех мотокультиваторах имеется штатный кронштейн для крепления навесного оборудования. Он вполне подойдет для присоединения фронтального отвала. При необходимости делается переходник, чтобы обеспечить возможность поворота ковша вправо или влево.
Предлагаем ознакомиться Удобрения из опилок для томатов
Крепление изготавливается таким способом:
- С тыльной части ковша приваривается профильная труба. Для обеспечения прочности фиксации целесообразно дублировать сварочный шов несколькими болтами.
- Выпиливается полукруг диаметром 20-25 см из листового металла толщиной 10 мм. Заготовка приваривается к профильной трубе. В ней по краю с интервалом 20 мм делаются отверстия для выставления угла ковша.
- Из трубы квадратного сечения изготавливается держатель в форме буквы «Г». Короткая сторона держателя закрепляется на поворотном секторе, второй конец жестко фиксируется на кронштейне мотоблока. Для регулировки высоты ножа используются болты, вкрученные в переходник.
Более простым способом соединения является система проушин и зажимов, изготовленных из толстой листовой стали.
Вместо бочки материалом для лопаты послужит газовый баллон. Принцип изготовления навесного приспособления на мотоблок аналогичен, но имеется ряд нюансов:
Если в баллоне имеются остатки газа, его стравливают, открутив вентиль. Однако внутри еще может остаться не менее опасный конденсат. Бронзовый вентиль полностью выкручивают ключом из баллона и, перевернув его, сливают оставшуюся жидкость
Внимание! Конденсат из баллона ядовит, огнеопасен и имеет едкий токсичный запах. Нужно заранее продумать способ утилизации жидкости.С баллона отрезают торцевые заглушки и распускают его на две части. В баллон немного не до верха заливают воды
В баллон немного не до верха заливают воды
Болгаркой срезают верхнюю полукруглую заглушку. Воду выливают, после чего срезают нижнюю заглушку – днище. Получившуюся трубу разрезают вдоль болгаркой на две половинки. Полукруглые сегменты сваривают между собой в длину.

Обычно масса отвала не превышает 20 кг. Подвесить его можно на любой мотоблок. В зависимости от модели агрегата, подсоединение навески производитель предусматривает к передней или задней части. Во втором варианте у мотоблока рулевая колонка имеет свойство разворачиваться на 180 о.
Техническое обслуживание
Что подразумевает собою техническое обслуживание? Это ряд мероприятий, которые обеспечивают исправную работу и правильное хранение техники. Под техническим обслуживанием культиватора “Крот” понимают следующие работы:
- мойка;
- очистка;
- смазка;
- контроль;
- заправка;
- контроль;
- крепеж;
- регулировка всех блоков и систем
Такие работы необходимо делать как можно чаще, особенно, если работать приходится в неблагоприятных условиях.
Перед тем, как завести мотор культиватора, необходимо проверить наличие топлива, масла и т. д. Заливать смеси необходимо до определенного уровня, при необходимости необходимо произвести замену топлива и масла. Для культиваторов используется масло Автол (М-8В), зарекомендовавшее себя еще при Союзе.
Если достать его затруднительно, то можно воспользоваться аналогами:
- 10W-30 (не использовать при температуре выше +27 градусов);
- SAE 30 (не использовать при температуре ниже +4 градуса).
Регулировочные работы подразумевают отладку сцепления, заднего хода, карбюратора, искры и т. д.
Очистительные работы включают очистку фильтра, рабочих поверхностей, корпуса и всех засоренных частей на поверхности мотокультиватора “Крот”. При возникновении неисправностей, или с профилактическими целями (реже), необходимо производить чистку внутренних частей машины.
Прежде чем поставить какую-либо деталь на прежнее место убедитесь в ее исправности.
Установка или замена любого навесного оборудования должна проходить при полном выключении двигателя. При подготовке к длительному хранению мотокультиватор требует консервации. Для этого необходимо определенным образом подготовить двигатель (смотрите инструкцию), затем очистить (промыть) и высушить все наружные части “Крот”, протереть их ветошью, хорошо просушив. После этого нужно смазать консистентной смазкой все доступные места культиватора. Теперь агрегат готов к длительному отдыху.
Мотокультиватор Сибиряк МК-3-02: культиватор, инструкция, технические характеристики, ремонт
Инструкции и руководства пользователя для двигателя к мотокультиватору Мастер МК 265 можно найти на странице сайта Pahalka — Двигатели для мотоблока
Конструктивной особенностью мотокультиватора является возможность отсоединения редуктора от двигателя, что позволяет использовать двигатель как силовой агрегат.
Благодаря малому весу, размеру и возможности легкой частичной разборки мотокультиватор «МАСТЕР» удобен в транспортировке.
Внимание: транспортировку и хранение осуществлять в горизонтальном положении, допустимый угол наклона мотокультиватора не более 15°.Для обеспечения удобства пользования мотокультиватором при работе, а также для транспортировки, руль с органами управления имеет возможность регулировки по высоте и углу поворота в горизонтальной плоскости, а также складываться в транспортное положение. Мотокультиватор Мастер МК 265 — инструкция по эксплуатации скачать. Мотокультиватор Мастер МК 265 — инструкция по эксплуатации скачать
Мотокультиватор Мастер МК 265 — инструкция по эксплуатации скачать
Мотокультиватор Мастер МК 265 — инструкция по эксплуатации скачать.
ОБЩИЕ УКАЗАНИЯМотокультиватор предназначен для эксплуатации в районах с умеренным климатом.Надежность работы Вашего культиватора будет максимальной, если Вы будете строго соблюдать правила эксплуатации, технического обслуживания и хранения.Перед началом эксплуатации мотокультиватора внимательно ознакомьтесь с руководствами по эксплуатации мотокультиватора и двигателя.В период обкатки (5-10 часов) нового мотокультиватора не допускайте его перегрузок. Обработку почвы производите в 2…3 приема на глубину до 10 см за один проход. Рычаг дроссельной заслонки используйте не более чем на половину его хода. Обслуживание двигателя при обкатке проводите согласно руководству по эксплуатации на двигатель.В процессе работы пространство между роторными ножами и корпусом редуктора может забиться травой или другими посторонними предметами. В этом случае немедленно выключите двигатель и удалите застрявшие предметы.
Навесное оборудование для мотокультиватора Мастер МК 265 (ЗиД)
Ни культиватор, ни мотоблок не имеют ценности «сами по себе», их сфера деятельности зависит от навесного и прицепного оборудования.
Пример навесного оборудования приложение из инструкции по эксплуатации:
Ключевая отличительная особенность машины заключается в модульной конструкции. Один из модулей — двигатель, второй — рабочий механизм, который может быть разным. Изначально таковым, естественно, является сам культиватор — червячный редуктор с фрезами и рукоятками управления. Однако вместо него можно поставить другие механизмы, и вот на этом моменте следует остановиться подробнее.
Известно, что культиватор — инструмент, в общем, сезонный. Основная его задача — рыхление земли; в качестве дополнительного оборудования чаще всего предлагают плуг, окучник и картофелекопатель. И к ним обязательно металлические колёса с грунтозацепами. К отдельным моделям можно приобрести резиновые колёса, они пригодятся для буксировки прицепа. На прицепе список доступного навесного оборудования обычно заканчивается, больше к культиваторам ничего не предлагают. Всё остальное — удел мотоблоков, у которых есть вал отбора мощности и связанная с этим возможность работы с активной «навеской» (то есть требующей привода от двигателя).
Хомут, соединяющий отдельные блоки (редуктор колёс и редуктор-адаптер)
Иное дело — «Мастер». Возможность замены исполнительных механизмов (по сути — просто перестановка мотора) открывает безграничный простор для фантазии конструкторов. В итоге получился такой своеобразный гибрид — относительно лёгкие культиваторы не очень большой мощности, способные выполнять операции, характерные для мотоблоков. К «Мастеру» можно приобрести роторную сенокосилку МКС‑1 и мотоснегоуборщик МСУ‑1. В комплекте к ним идёт редуктор-адаптер — он используется для отбора мощности от двигателя.
Мотоснегоуборщик МСУ-1 (с редуктором-адаптером) для мотокультиватора «Мастер МК 265»
Мотоснегоуборщик (МСУ) в комплекте с мотокультиватором «Мастер» предназначен для уборки снега с ровных поверхностей в климатических зонах с умеренным климатом, в температурном интервале от +5°С до -20°С и относительной влажности до 100%.
Мотокультиваторы
Мотокультиваторов Тарпан идет уже целая линейка, которая, в основном, отличается установленными двигателями.
Мотокультиватор Тарпан с двигателем Briggs and Stratton.
Данная машина оснащена бензиновым двигателем с мощностью в 5,5 лошадиных сил, и предназначена для облегчения дачных работ – вспашки прополки грядок, посадки и окучивания картофеля, подготовки почвы для посадки культур.
Мотокультиватор Тарпан двигатель Briggs&Stratton
Технические характеристики
- Производитель двигателя – Briggs&Stratton;
- Двигатель – бензиновый 4-х тактный – “B&S” Qvantum – (США);
- Мощность двигателя – 6,0 л.с.;
- Сцепление – сухое, автоматическое, центробежное;
- Редуктор – односкоростной, червячный в масленой ванне;
- Глубина обработки максимальная – 200 мм;
- Ширина захвата – 350, 700, 1000 мм;
- Расход топлива – при макс. нагрузке 1.1 л/час;
- Производительность – 0,06 га/час;
- Габаритные размеры (рукоятки управления сложены) – 1300х700х1060 мм;
- Масса – 45 кг.
Мотокультиватор Тарпан с мотором Champion
Этот мотоблок имеет аналогичные технические характеристики с предыдущей моделью, отличается он только производителем двигателя.
Важно Какие самоделки для мотоблока можно сделать своими руками: удивительные изобретения и приспособы
Мотокультиватор Тарпан с мотором Champion
Технические характеристики
- Двигатель: Champion Китай
- Мощность: 5,5 л.с.
- Редуктор: Червячный
- Скорости: 1-Вперед
- Глубина вспашки: 20 см.
- Ширина вспашки: 56 см.
- Гарантия: 1 год
- Сцепление: Центробежное, автоматическое
- Особенности: Разборный
- Вид: Бензиновый 4-х тактный
- Вес: 45 кг.
- Размер упаковки (ДхШхВ), мм: 710х400х750
Мотокультиватор Тарпан тмз мк 03-01 с двигателем Weima
Эта машина оборудована бензиновым двигателем с мощностью 3,7 л.с. Он предназначен для механизации различных аграрных работ на участках с площадью до 0,2 Га. Если сравнивать его работу с плугом, то мотокультиватор тмз мк 03 лучше рыхлит почву, измельчает и удаляет сорняки.
Мотокультиватор Тарпан тмз мк 03-01 с двигателем Weima
Технические характеристики
- Производитель: Туламаш-Тарпан ООО
- Вес: 34.00кг
- Двигатель: 4.0 л.с.WM1Р65F
- Тип двигателя: 4-х тактный,
- Скорости: 1 вперед,
- Ширина обработки: 36 см.
- Глубина обработки: 18 см
- Объём топливного бака: 1,6 л.
Электрокультиватор Тарпан КЭ 0,7-2,2
Многие покупатели сейчас ищут электрические модели культиваторов, чтобы работать на них в закрытых теплицах или садах. Туламашзавод предлагает для них электрокультиватор Тарпан КЭ 0,7-2,2.
Электрокультиватор Тарпан КЭ 0,7-2,2
Это простая машина, которая способна осуществить измельчение и рыхление почвы, а также равномерное перемешивание удобрений.
Технические характеристики
| Страна производства | Россия, г. Тула. Туламашзавод |
| Тип передачи | Червячный редуктор, 1 скорость вперед |
| Мощность | 2,2 кВт |
| Напряжение | 220 В |
| Тип двигателя | Электрический, 220 Вольт |
| Глубина обработки | до 25 см |
| Ширина обработки | 350-700 мм |
| Вес | 32 кг |
| Габариты | 1400*640*870 мм |
| Гарантия | 12 месяцев |
Проверка и ремонт редуктора
Признаки неисправности трансмиссии:
- Обороты рабочего вала не соответствуют оборотам двигателя;
- Горит ремень на культиваторе, или проскальзывает при интенсивной нагрузке;
- Вы еще не погрузили фрезу в грунт – а двигатель «захлебывается» от нагрузки;
- Выходной вал мотора вращается, а рабочий вал стоит на месте.
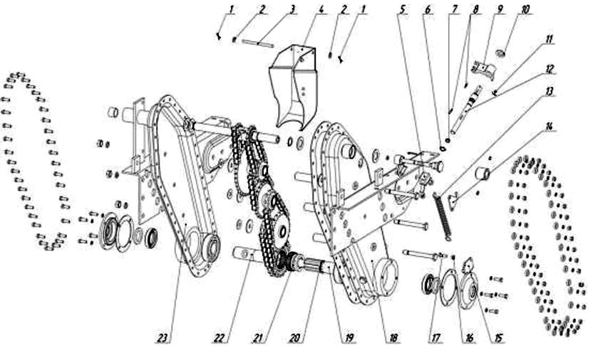
Перед осмотром и ремонтом редуктора – надо понимать, как разобрать и правильно собрать этот сложный узел. Особенно внимательно следует обращаться со стопорными кольцами шестерен и сальниками валов. Общая схема редуктора изображена на иллюстрации:

В первую очередь проверьте уровень масла в корпусе. Если вы не можете ответить на вопрос: «Какое масло заливают в мотокультиватор?» – внимательно перечитайте инструкцию.
Для движущихся частей редуктора применяются специальные смазочные материалы, поскольку они работают в экстремальных условиях.
После разделения половинок корпуса, внимательно осмотрите цепь и шестерни на предмет повреждений. Проверьте натяжение цепи.
В любом случае, следует разобрать редуктор (тщательно фиксируя расположение элементов) и промыть все детали в керосине. Детали, имеющие дефекты или отсутствующие части (например, зубья шестерен), подлежат замене.
Аккуратно соберите конструкцию. Следите за тем, чтобы все детали вошли в зацепление друг с другом, и не возникало перекосов шестерен. При необходимости смените прокладку или сформируйте ее из соответствующего герметика.

Перед установкой на культиватор, прокрутите валы редуктора вручную. Убедитесь в том, что вращение происходит равномерно, не слышно лязганья и скрежета. Заполните редуктор новой смазочной жидкостью.
Запустите мотокультиватор без навесного оборудования. Убедитесь в отсутствии течи из корпуса редуктора. После чего выполните несложную работу фрезой или другими приспособлениями. Если работоспособность восстановлена – ваши старания окупились, и вам не придется посещать мастерскую.
Популярные бренды-производители
На отечественном рынке можно встретить множество марок оборудования для обработки почвы.
Однако, безусловными лидерами по продаже культиваторов являются четыре страны:
- Белоруссия — агрегаты МТЗ, используют принципиально новую технику сбора агрегата, где используются двигатели японских или европейских фирм.
- Россия — Нева, Патриот, Угра, Салют — делают упор на высокую мощность, что способствует длительной эксплуатации прибора.
- Китай — машины Кроссер, Скаут — притягивают низкой стоимостью товара и большим выбором моделей.
- Япония — культиватор Хендай — славится эргономичными моделями. но самыми дорогими в стоимости и обслуживании.
- Германия — культиваторы Хаммер известны своим истинным надежным качеством, многофункциональностью и долгим сроком эксплуатации.



































