Технические характеристики

Автогрейдер ГС 14.02 — современная машина 140 класса, в которой используются отечественные и импортные комплектующие. Крупные узлы и агрегаты проектируются в соответствии с требованиями пользователей к техническим характеристикам строительных машин. Автогрейдер комплектуется различными силовыми агрегатами и предлагает владельцам расширенные возможности.
- Класс — 140;
- Эксплуатационная масса, кг — 13 500;
- Двигатели Д442/Д260/ЯМЗ-236/Cummins 6ВТ5.9-С135/Cummins 6ВТА-С165;
- Трансмиссия — механическая;
- Скорость движения ГС-14.02, км/ч: 4,1-34,2;
- Количество передач автогрейдера: вперед — 6; спинка – 2;
- Колесная формула автогрейдера 1х2х3;
- Габаритные размеры ГС-14.02, мм 8820х2500х3475;
- Шины: 14.00-20.00;
- Лезвие грейдера:
Габаритные размеры, мм – 3740х620х250; - Вылет, мм — 800;
- угол уборки откосов, град — 90.
Двигатель

Производитель предлагает покупателям на выбор пять комплектаций. Изначально автомобиль снабжался отечественным двигателем марки Д-442. Это турбированный дизельный двигатель номинальной мощностью 100 л.с. Позднее стали доступны модели с силовыми агрегатами Д-260 и ЯМЗ-236 номинальной мощностью 100 и 110 л.с соответственно.
Самые современные машины оснащены импортными двигателями американской марки Cummins. Модель Cummins 6BT5.9-C135 выдает максимальную мощность 100 л.с. Модель Cummins 6BTA-C165 работает с максимальной мощностью 120 л.с. Американские двигатели надежны и долго не требуют капитального ремонта. С другой стороны, российские силовые агрегаты дешевле в обслуживании, а запчасти на автогрейдеры ГС 14.02 доступны в любом регионе.
Расход топлива
Данная модель аппарата оснащена большим топливным баком на 490 литров. В разных комплектациях автогрейдеров используются собственные двигатели, поэтому расход топлива зависит от их мощности. В большинстве случаев для этих целей используются двигатели с расходом 220-230 г/кВтч.
Коробка передач

На современные автогрейдеры GS 14.02 устанавливаются автоматические коробки передач немецкой марки ZF. В стандартной комплектации с отечественным силовым агрегатом машина идет с механической коробкой передач. GS 14.02 может двигаться с шестью передними и двумя задними скоростями. При этом диапазон скоростей составляет от 4,1 до 34,2 км/ч.

На ходовой части автогрейдера производитель использовал колесную формулу 1х2х3. Базовые модели оснащены шинами 14.00-20. Коробка передач дополнена тандемной тележкой NAF и дифференциалом No-Spin. Рабочая тормозная система представлена дисковыми тормозами с педальным приводом. В устройстве используется двухконтурная тормозная система, обеспечивающая одинаковое усилие на все колеса автогрейдера. Для повышения надежности тормозной механизм снабжен резервным источником питания.
Гидросистема
Гидравлическая система ГС 14.02 использует насос постоянной производительности с дополнительной системой разгрузки рабочего органа в нейтральном положении рычага управления. Работу системы обеспечивают шесть ручных гидрораспределителей, с помощью которых осуществляется управление рабочими органами. Четыре электрогидравлических клапана используются для связанных операций.
Рабочее оборудование и характеристики отвала
Автогрейдер GS 14.02 оснащен полноповоротным отвалом со следующими характеристиками:
- длина — 3740мм;
- высота — 620мм;
- опускание ниже опорной поверхности – 250 мм;
- вынос — 800мм;
- угол уборки откосов – 90 градусов.
В качестве сменного рабочего оборудования производитель поставляет:
- отвал бокового грейдера;
- вращающийся отвал экскаватора;
- задний рыхлитель.
Технические параметры ГС-14.02
Рассматриваемая спецтехника относится к классу 140, и его колесная формула выглядит таким образом: 1х2х3. На автомобиле установлены шины 14.00-20.00. Остальные технические характеристики автогрейдера ГС-14.02 сведены в нижеприведенную таблицу:
| Показатели | Ед.изм. | Величины |
| Масса эксплуатационная | тн | 13,5 |
| Скорость перемещения (min/max) | км/ч | 4,1/34,2 |
| Габариты | м | 8,82х2,50х3,48 |
| Передачи (вперед/назад) | кол-во | 6/2 |
| Uраб. эл. оборудования | В | 12 |
| Отвал: – габариты | м | 3,74х0,62х0,25 |
| – вынос | м | 0,8 |
| – зачистка откосов (угол) | град | 90 |
| – резание на глубину | м | 0,38 |
| – угол резания ножа | град | 49-86 |
Указанные параметры делают грейдер ГС-14.02 востребованным для работ в сложных условиях.
Автогрейдер ГС-14.02 – размеры
Особенности устройства автогрейдера ГС-14.02
Колёсная формула автогрейдера – 1х2х3 трёхосная, с парой ведущих осей и одной осью управляемой. Данная спецмашина работает по грунтам с I по III категорию, в условиях температур окружающего воздуха от +40° С до -40° С.
Шарнирное соединение рамы обеспечивает прочное сцепление с неустойчивым грунтом и наклонными плоскостями рабочей площадки. Передняя рама представляет собой сварную конструкцию из стали коробчатого сечения. Уклон вперед позволяет улучшить обзорность из кабины.
Задняя рама допускает монтаж навесных механизмов модулями. Шарнир рамы обеспечивает поворот на 26 градусов на оба направления. Управляется парой гидроцилиндров с замками. Колёса и шины крепятся шпилечным соединением к ступицам мостов, одинаковы по типоразмеру – 14.00-20, модель ОИ-25.
Полноповоротный грейдерный отвал с приводом от червячного редуктора обеспечивает профилирование поверхности при движении назад. Формирует откосы с углом в 90 градусов. Имеется возможность использования пятнадцати видов дополнительного навесного оборудования. Допускается установка дополнительных механизмов на переднюю, заднюю полурамы, с широкими параметрами в горизонтальной и вертикальной плоскости и с выносом на одну из сторон, что расширяет технологические возможности машины.
- Габаритные размеры автогрейдера ГС-14.02: 8820 х 2500 х 3475 мм.
- Типоразмер шин: 14.00-20.00.
- Грейдерный отвал: габаритные размеры – 3740 х 620 х 250 мм; вынос – 800 мм.
- Угол зачистки откосов – 90 градусов.
Автогрейдер отличается полной обзорностью рабочей площадки из кабины, оборудуется дополнительными фарами и проблесковым маячком. Присутствует гидравлическое управление рабочим оборудованием. Опционно на автогрейдеры UMG устанавливают системы электронного контроля узлов и агрегатов, модуль ГЛОНАСС, автоматику нивелирования, видеокамеры контроля задней сферы, устройства централизованной смазки шарнирных соединений.
В зависимости от эксплуатационной мощности двигателя, автогрейдеры классифицируются на классы:
- класс 100, имеющий эксплуатационную мощность двигателя до 88,2 кВт (или 120 л.с.);
- класс 140, имеющий эксплуатационную мощность двигателя в пределах от 88,9 до 117,6 кВт (или от 121 до 160 л.с.),
- класс 180, имеющий эксплуатационную мощность двигателя в пределах от 118,4 до 147,0 кВт (или от 161 до 200 л.с.), и
- класс 250, имеющий эксплуатационную мощность двигателя от 147,8 и выше (или от 201 л.с. и выше).
Основные технические характеристики ГС 14 02:
| Размеры д/ш/в, мм | Скорость движения км/ч | Расход топлива г/кВтч | Количество передач | Петля рамы | Радиус поворота |
| 8825/2500/3475 | 34 | 220 | 6/2 | 26° | 7,8 м |
Характеристики двигателя
В двигателях этой серии используется V-образный 6-цилиндровый агрегат ЯМЗ-236Г6 или двигатель Д-260.14 производства ММЗ. В основном предназначен для установки в спецтехнику, также может применяться в дизель-генераторах. Двигатель четырехтактный, работает на дизеле и развивает мощность 150 л.с. Двигатель оснащен системами впрыска топлива в цилиндры, жидкостного охлаждения с радиатором, оснащенным вентилятором. Силовой агрегат раскручивает вал до 1700 об/мин.
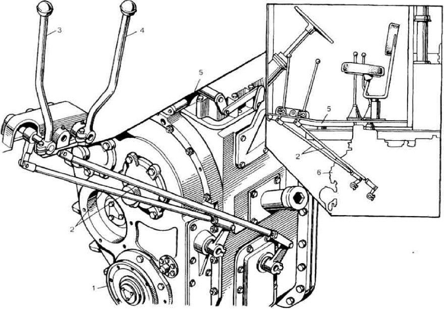
Кабина и органы управления оператора
Эргономичная кабина, расположенная на передней раме, повышает эффективность использования грейдера. Наклон кабины вперед улучшает видимость с рабочего места. Рулевое колесо и панель приборов расположены спереди в секторе 90°. На блоке индикации водитель может следить за параметрами управления системами и срабатыванием сигнализации, автоматических выключателей гидрораспределителей. С правой стороны расположены: рычаг переключения передач механической коробки передач, органы управления светом, обогревом и омывателем ветрового стекла, кулисные переключатели и кнопки опций, блок предохранителей. Дополнительный комфорт создает отсутствие вибраций и хорошая звукоизоляция. Громкость звука в кабине от работающего дизеля сравнима с допустимым уровнем шума в кабине пассажирского автобуса и не превышает 78–80 дБ.
Варианты двигателей на UMG ГС-14.02
Автогрейдеры данной модели комплектуются шестицилиндровыми дизельными двигателями двух основных вариантов. Это может быть ЯМЗ-236Г6 Ярославского моторного завода; либо ММЗ-Д260.14 Минского моторного завода.
ЯМЗ-236Г6 – это шестицилиндровый V-образный дизель из обширного ярославского семейства ЯМЗ-236, безнаддувный, с прямым, механически регулируемым впрыском дизтоплива. Система топливоподачи: разделённого типа, производства ЯЗДА. Топливный насос высокого давления – шестиплунжерный (рядный 601.5). Регулятор частоты вращения – механический, всережимный. Топливоподкачивающий насос – поршневого типа.
Топливные фильтры – грубой и тонкой очистки, со сменными фильтрующими элементами. Система охлаждения: жидкостная, закрытого типа с принудительной циркуляцией охлаждающей жидкости. Оборудована термостатическим устройством для автоматического поддержания теплового режима двигателя. Водяной насос – центробежного типа с ременным приводом.
Генератор – переменного тока с клиноременным приводом, с напряжением 28В. Пусковое устройство – электрический стартер, номинальное напряжение 24В.
- Рабочий объём двигателя – 11,15 литра.
- Диаметр и ход поршня – 130 х 140 мм.
- Номинальная мощность, брутто – 110 кВт (150 л.с.), при номинальной частоте вращения 1700 мин-1.
- Удельный расход дизтоплива при номинальной мощности – 220 г/кВт·ч / 162 г/л.с.·ч.
- Ресурс до капитального ремонта – 8000 часов.
- Габаритные размеры – длина 1130 / ширина 1040 / высота 1070 мм.
- Масса двигателя – 980 кг.
Модификация двигателя ЯМЗ-236Г-6 была специально создана для использования в составе автогрейдеров ГС-14.02 производства завода «Брянский арсенал».
Дизель Д-260.14 представляет собой шестицилиндровый, рядный, с вертикальным расположением цилиндров, четырёхтактный мотор жидкостного охлаждения, с газотурбинным наддувом и промежуточным охлаждением надувочного воздуха. Дизель Д-260 оснащается топливным насосом ЯЗДА 363 и турбокомпрессором ТКР 7.
- Рабочий объём двигателя Д-260.14 – 7,12 л.
- Диаметр цилиндра и ход поршня – 110 х 125 мм.
- Степень сжатия – 16:1.
- Удельный расход дизтоплива – 220 г/кВт / 162 г/л.с.ч.
- Номинальная мощность, брутто – 103 кВт (140 л.с.)
- Частота вращения – 1800 об/мин.
- Максимальный крутящий момент – 682 Н.м (69,6 кгм).
- Частота вращения при максимальном крутящем моменте – 1300–1450 об/мин.
- Габаритные размеры – длина 1300 / ширина 705 / высота 1118 мм.
- Масса двигателя – 410 кг.
Модификация двигателя Д-260.14 была специально создана для использования в составе дорожно-строительной техники различных отечественных производителей.
ЦЕНА ГС 25.09
Стоимость новых моделей GS 25.09 в базовой версии варьируется от 8,4 до 8,7 млн рублей. Ценники на б/у версии:
- 2011-2013 год — 3,4-4,2 млн рублей;
- 2015-2017 год — 5,5-6,8 млн руб.
Грейдер ГС 18.05
ГС 18.05 — отечественный самоходный легкий-тяжелый грейдер, предназначенный для выполнения широкого спектра работ. Изготовителем данного оборудования является завод «Брянский Арсенал». Эта модель не имеет конкурентов в своем классе среди российских автогрейдеров, что делает ее очень популярной среди потребителей. Машина имеет классический дизайн и отличается высокой надежностью. Несмотря на большие размеры, эта техника отличается хорошей маневренностью и проходимостью.
HS 18.05 идеально подходит для энергоемких земляных и дорожных работ в тяжелых условиях. Модель предназначена для планировки от 1 до 3 разряда, содержания и ремонта дорожных покрытий, планировки откосов, устройства мостовых мостовых из брусчатки, устройства насыпей и свай, рыхления асфальтобетонных покрытий. В зимний период грейдер успешно справляется с различными коммунальными работами (расчистка тротуаров и дорог после снегопада, вывоз мусора и другие).

Диапазон рабочих температур модели GS 18.05 составляет от -40 до +40 градусов.
Отличительные особенности серии
Автогрейдер ГС-14.03 по конструктивной схеме и применяемым техническим решениям аналогичен модели 14.02.
Более высокие эксплуатационные возможности агрегата обеспечиваются применением деталей и механизмов производства ведущих немецких фирм в области ответственных узлов.
Дизельный двигатель BF04M1013FC завода DEUTZ AG мощностью 117 кВт обеспечивает увеличение крутящего момента на оси на 17% при одновременном снижении расхода топлива.
Автоматическая трансмиссия В ZF WG160 тандемная тележка NAF TAP 5501.105 (BRA) с блокировкой дифференциала No-Spin повышает производительность и надежность грейдера.
Не менее важную роль в росте эффективности применения ГС-14.03 играют:
- модуль ГЛОНАСС, автоматизация системы нивелирования TOPCON/LIECA в 2D и 3D дизайне;
- автоматизированная центральная система смазки шарниров LINCOLN;
- видеокамеры для наблюдения за рабочей зоной;
- подогрев зеркал и топливный фильтр.
В серию грейдеров GS входят машины:
- Легкий класс 10.01 и 10.07 – используются для подготовки и содержания дорог, используются в коммунальной сфере.
- Средний 14.02 и 14.03.
- Тяжелые грейдеры 18.07 и 25.09 — для крупных работ, в том числе земляных работ и планировки.
Устройства с возможностью работы в тяжелых условиях, определенной на этапе проектирования, универсальны в использовании. На их основе построена более эффективная и производительная серия автогрейдеров от ТГ Брянских машиностроителей.
Назначение и особенности машины
Относится к среднетоннажным, менее 14 т эксплуатационного веса, машинам. Используется при осуществлении масштабных проектов по строительству объектов транспортной инфраструктуры – автомобильных дорог, железнодорожных путей, аэродромов.
Выполняет работы по механизации:
- перемещения грунта, его рыхления, киркования, укладки;
- формирования кюветных траншей, насыпей с различными уклонами;
распределения инертных материалов по полотну дороги;
снегоуборки.
Особенности агрегата:
- Колесная формула 1х2х3 – 3-осная, с парой ведущих осей и одной управляемой.
- Работает по грунтам с I по III категорию в условиях температур от +40° С до -40° С.
- Полноповоротный грейдерный отвал с приводом от червячного редуктора обеспечивает профилирование поверхности при движении назад.
- Формирует откосы с углом в 90 град.
- Шарнирное соединение рамы обеспечивает прочное сцепление с неустойчивым грунтом и наклонными плоскостями рабочей площадки.
- Возможность использования 15 видов навесного оборудования.
Допускается установка дополнительных механизмов на переднюю, заднюю полурамы с широкими параметрами в горизонтальной и вертикальной плоскости и с выносом на одну из сторон, что расширяет технологические возможности машины.
- Полная обзорность рабочей площадки из кабины, дополнительные фары и проблесковый маяк. Гидравлическое управление рабочим оборудованием.
- Опционная установка систем электронного контроля узлов и агрегатов, модуля ГЛОНАСС, автоматики нивелирования, видеокамеры контроля задней сферы, устройства централизованной смазки шарнирных соединений.
Мы расскажем, как устроен автогрейдер ДЗ-122 и какими техническими характеристиками он обладает.
Из следующего обзора вы узнаете особенности управления мини-погрузчиком Bobcat S175.
Отличительные особенности серии
Грейдер ГС-14.03 по конструктивной схеме, примененным техническим решениям аналогичен модели 14.02.
Более высокие эксплуатационные возможности агрегату обеспечивает использование в ответственных узлах деталей и механизмов производства ведущих немецких компаний.
Дизель BF04M1013FC от завода DEUTZ AG с мощностью 117 кВт обеспечивает 17% прироста крутящего усилия на валу при снижении расхода горючего.
Автоматическая трансмиссия В WG160 фирмы ZF, тандемная тележка ТАР 5501.105 (BRA) фирмы NAF с дифференциалом, имеющим блокировку No-Spin, повышают производительность и надежность работы грейдера.
Не менее важную роль в росте эффективности применения ГС-14.03 играют:
- модуль ГЛОНАСС, автоматика системы нивелирования TOPCON/LIECA в 2D и3D исполнении;
- автоматизированный центральный узел подачи смазки в шарниры LINCOLN;
- видеокамеры контроля рабочей сферы;
- подогрев зеркал и топливных фильтров.
Серия грейдеров ГС включает в себя машины:
- Легкого класса 10.01 и 10.07 – применяются при обустройстве и содержании дорог, используются в коммунальном секторе.
- Средние 14.02 и 14.03.
- Тяжелые грейдеры 18.07 и 25.09 – для крупных проектов, включающих землеройные и профилировочные работы.

Агрегаты с заложенной на этапе проектирования способностью эксплуатироваться в жестких условиях универсальны в использовании. Являются основой для более эффективной и производительной серии грейдеров от брянских машиностроителей TG.
Силовые характеристики
Автогрейдер ГС-14.02 оснащен дизельным мотором, при этом есть возможно применять различные модификации. Среди них наиболее используемые двигатели:
| Характеристики | Д-260.14 | ЯМЗ-236.Г6 |
| Количество цилиндров/тактов | 6/4 | |
| Особенности | Цилиндровая группа представлена «мокрыми» гильзами, установленными в ряд | Сечение блока V-образное |
| Наличие наддува | Турбинный | Безнаддувный |
| Впрыск топлива | Механически регулируемый | |
| Охлаждение | Жидкостное | Закрытое жидкостное, принудительное |
| Фильтр очистки (сухого типа) | 3-хступенчатый со сменными бумажными патронами | С индикатором заполнения |
| Расход топлива, г/кВт*ч, удельный | 227 | 220 |
| Средний расход, л\ч | 12 | |
| Объем группы цилиндров (л) | 7,12 | 11,5 |
| Мощность (кВт) | 101 | 110 |
| Max усиление на валу (Нм) | 596,8 | 667 |
| Запуск | Посредством стартера |
Более современные модели грейдеров комплектуются американскими моторами марки Cummins на 100-120 л. с. Они способны выдерживать большие нагрузки и готовы к длительной эксплуатации без промежуточного ремонта. У отечественных моторов меньший запас прочности, но они стоят дешевле, а запчасти более доступны. Поэтому рентабельнее использовать российские модели.
Двигатель Д-260.14
Цена
Майские 2015 года предложения по поставке автогрейдера ГС-14.02 начинались с 3 млн 650 тыс. руб. Действующие машины с пробегом предлагались по ценам начиная от 1 млн 900 тыс. руб.
Автогрейдеры — техника штучная и длительного использования. Если агрегат производства конца прошлого века еще на ходу и выполняет свои задачи — менять его на более внешне привлекательный наверняка не будут.
Для машиностроителей необходим прорыв в качестве проектных работ, техническом исполнении изделий, ценовой политике, маркетинговой работе с покупателем.
Предлагаем посмотреть видео, из которого станет понятно, как автогрейдер ГС-14.02, имеющий хорошие технические характеристики, справляется со своей работой:




































