Конструкция автогрейдера ГС-14.02
Нож рубанка полностью вращается и закреплен между задней и передней осями. Такая конструкция позволяет работать в реверсивном процессе. Самосвалы можно заменить рыхлителями (скарификатором или скарификатором). Наличие набора съемных инструментов является одной из конструктивных особенностей автогрейдеров ГС-14.02.
В технологическом блоке также есть такие узлы:

Мотострогальный станок ГС-14.02
- механическая коробка передач позволяет использовать автомобиль при работе даже на высокогорье;
- 2-контурная тормозная система с гидравлическим приводом (с нерегулируемым насосом) и резервным источником питания;
- кроме того, грейдер оснащен стояночным тормозом;
- в гидравлике кроме 6 усилителей для основного оборудования есть еще 4 электрических модуля — для доп;
- обработка самосвалов автоматизирована и осуществляется с помощью балансиров и датчиков.
Эффективность грейдера напрямую зависит от функций установленного двигателя.
Устройство

Используется машина такого класса для планировки дорожного полотна и его профилирования. Дополнительно он применяется для создания насыпей из гравия, разных типов грунта и щебня путём их разравнивания, перемещения. В зимний период допускается применение автогрейдера ГС-14.02 для расчистки дорожно-транспортных путей от осадков и образовавшегося льда. Возможно это благодаря широкому диапазону рабочих температур и адаптации для работы в тропических и умеренных широтах.
Широкий захват грейдерного полотна образуется за счёт использования шарнирно сочленённой рамы и поворотного грейдерного и бульдозерного отвалов. Такая конструкция также позволяет использовать машину для профилирования при обратном направлении движения за счёт заднего хода. Отвал располагается непосредственно между передней и задней осями, и является полноповоротным.
Особенность конструкции автогрейдера ГС-14.02 в том, что он комплектуется съёмным оборудованием. Поэтому его бульдозерный отвал можно заменить рыхлителем-кирковщиком, а его, в свою очередь, можно поменять на рыхлитель-скарификатор.
Мощность оборудования напрямую зависит от используемого двигателя, но ввиду того, что существует несколько вариантов исполнения, каждую модификацию стоит рассматривать отдельно, опираясь на технические характеристики.
Автогрейдер ГС-14.02 приспособлен для работы на высокогорных участках. Во многом это доступно благодаря используемой трансмиссии. Она здесь немецкого производства. Тормозная система двухконтурная гидравлического типа с резервным источником мощности. Дополняет её стояночный тормоз с блокировкой включения передач.
Гидравлика снабжается насосом постоянного объёма. Она включает 6 гидроусилителей для основного оборудования и четыре электрических модуля для дополнительного оборудования, а также гидрозамки для контуров.
Работу оператора облегчает автоматическая система управления отвала. Для этого в конструкции предусмотрены ряд датчиков и балансиры, также содержащие датчики.

- длина — 8820 мм;
- ширина — 2500 мм;
- высота по крышу кабины — 3475 мм;
- эксплуатационная масса — 13 500 кг.
Органы управления

Рулевое управление воздействует на переднюю пару поворотных колес через привод, состоящий из двух гидроцилиндров. Механической связи колес и рулевой колонки нет.
Тормоза колодочного типа с гидроприводом установлены на колесах заднего моста. Тормоз стоянки дискового типа воздействует на вал ведущей шестерни центрального редуктора. Демпферы крепления кабины, устройства отопления и вентиляции, пружинная подвеска сиденья создают комфортные условия оператору.
Оборудование кабины продумано, эргономика салона современного уровня. Остекление с минимумом закрытых зон, фары освещения и зеркала обеспечивают обзор рабочей зоны и визуальный контроль узлов автогрейдера.
Усиленная стальными вставками кабина предохраняет оператора при аварийных ситуациях. Поворотный круг для монтажа грейдерного отвала закреплен в трех местах устройствами зажимного типа. Управляется парой гидроцилиндров с клапанами, настроенными на снятие ударных нагрузок.
Технические характеристики автогрейдера TEREX ГС серии
| ГС-10.01 | ГС-10.07 | ГС-14.02 | ГС-18.05 | ГС-25.09 | |
| ДВИГАТЕЛЬ | |||||
| Модель | ММЗ Д-243 | ММЗ Д-245 | ЯМЗ-236Г6 / Д-260.14 (ММЗ) | ЯМЗ-236Д4 | ЯМЗ-236БЕ2-20 |
| Тип | дизельный 4х тактный | ||||
| Рабочий объем | 4,75 | 11,15/7,12 | 11,15 | ||
| Диаметр и ход поршня | 110/125 | 130/140 / 110/125 | 130/140 | ||
| Мощность | 57,4 кВт / 2 200 об/мин | 77,2 кВт / 2 200 об/мин | 110 кВт / 1 700 101 /1 800 об/мин | 128 кВт / 2 100 об/мин | 184 кВт / 2 000 об/мин |
| Максимальный крутящий момент | 258 Нм | 384 Нм | 667 / 596,8 Нм | 667 Нм | 1 078 Нм |
| Напряжение в бортовой электросети | 24 Вольт | ||||
| Воздушный фильтр | инерц. масляный | сухой | |||
| ТРАНСМИССИЯ | |||||
| МТЗ | МТЗ | ПЗМП | ХТЗ | 6WG 190 (ZF) | |
| Тип | механическая | механ. с гидропод- жимными муфтами | гидромех. автомат. | ||
| Число передач | Передняя/ Задняя | ||||
| 18 / 4 | 6 / 2 | 12 / 4 | 6 / 3 | ||
| Колесная формула | 1х1х2 | 1х2х3 | 1х3х3 | ||
| ШИНЫ И КОЛЕСА | |||||
| Шины | 1 200×500-508 | 12,00-20 | 14,00-20 | 14,00-24 | |
| Размерность дисков колес, дюйм | 400Г-508 | 8,5-20 | 10,0-24 | ||
| Норма слойности (PR) | 10 | 8 | 14 | 16 | |
| ТОРМОЗНАЯ СИСТЕМ | |||||
| Тип | дисковые | сухие | колодочные | дисковые в масле | |
| Стояночный тормоз | дисковый сухой | ||||
| ГС-10.01 | ГС-10.07 | ГС-14.02 | ГС-18.05 | ГС-25.09 |
| МОСТЫ | |||||
| Мосты | МТЗ | ЧЗСА | ZF (Германия) | NAF (Германия) | |
| Угол качания моста | +- 16° | ||||
| Дорожный просвет | 490 мм | 600 мм | 635 мм | ||
| Задний мост, модель | 80-0002000 | А120.00.00 | MT G3080 | BRA02 | |
| Расстояние между осями заднего моста | нет | 1 296 | 1 420 | 1 495 | 1 540 |
| РУЛЕВОЕ УПРАВЛЕНИЕ | |||||
| Тип | Гидростатический | ||||
| Минимальный радиус поворота | 4 750 мм | 5 500 мм | 7 500 мм | 7 800 мм | |
| РАМА | |||||
| Тип | Шарнирно-сочлененная | ||||
| ГИДРАВЛИЧЕСКАЯ СИСТЕМА | |||||
| Тип | Постоянного объема | ||||
| Производительность при 2 000 об/мин насоса | 84 л. | 96 л. | |||
| Максимальное давление | 13 мПа | 14 мПа | |||
| ТЯГОВАЯ РАМА | |||||
| Тяговое усилие на ноже при Ксц.* 0,9 | 4 500 кг | 5 508 кг | 7 965 кг | 9 445 кг | 16 515 кг |
| * Ксц. — коэффициент сцепления | |||||
| ПОВОРОТНЫЙ КРУГ | |||||
| Тип | неполноповоротный | полно- поворотный | неполноповоротный | ||
| Диаметр круга | 1 160 | 1 200 | 1 458 | ||
| Число зажимных пластин | 3 | ||||
| Число гидроцилиндров | 2 | червячный редуктор | 2 | ||
| Угол поворота | +- 45° | 360° | +- 65° | ||
| ГС-10.01 | ГС-10.07 | ГС-14.02 | ГС-18.05 | ГС-25.09 |
Автогрейдер TEREX GS Series габариты
Преимущества моделей автогрейдеров Terex Gs
ГС-10.01
- Увеличенный дорожный просвет;
- Малые габариты и высокая маневренность для работы в условиях городской застройки.
ГС-10.07
- Увеличенное тяговое усилие за счет применения тандемной тележки;
- Малые габариты и высокая маневренность для работы в условиях городской застройки.
ГС-14.02
Оптимальное решение для строительства и содержания дорог.
ГС-18.05
Цельносварная Т-образная тяговая рама обеспечивает оптимальный обзор рабочей зоны.
ГС-25.09
- Современная просторная кабина, обеспечиваюящая комфортную работу оператора;
- Эффективная автоматическая трансмиссия 6/3 с возможностью ручного управления;
- Гидростатический отключаемый привод перед- него моста;
Тандемная балансирная тележка с самоблокирующимся дифференциалом.
Особенности устройства автогрейдера ГС-14.02
Колёсная формула автогрейдера – 1х2х3 трёхосная, с парой ведущих осей и одной осью управляемой. Данная спецмашина работает по грунтам с I по III категорию, в условиях температур окружающего воздуха от +40° С до -40° С.
Шарнирное соединение рамы обеспечивает прочное сцепление с неустойчивым грунтом и наклонными плоскостями рабочей площадки. Передняя рама представляет собой сварную конструкцию из стали коробчатого сечения. Уклон вперед позволяет улучшить обзорность из кабины.
Задняя рама допускает монтаж навесных механизмов модулями. Шарнир рамы обеспечивает поворот на 26 градусов на оба направления. Управляется парой гидроцилиндров с замками. Колёса и шины крепятся шпилечным соединением к ступицам мостов, одинаковы по типоразмеру – 14.00-20, модель ОИ-25.
Полноповоротный грейдерный отвал с приводом от червячного редуктора обеспечивает профилирование поверхности при движении назад. Формирует откосы с углом в 90 градусов. Имеется возможность использования пятнадцати видов дополнительного навесного оборудования. Допускается установка дополнительных механизмов на переднюю, заднюю полурамы, с широкими параметрами в горизонтальной и вертикальной плоскости и с выносом на одну из сторон, что расширяет технологические возможности машины.

- Габаритные размеры автогрейдера ГС-14.02: 8820 х 2500 х 3475 мм.
- Типоразмер шин: 14.00-20.00.
- Грейдерный отвал: габаритные размеры – 3740 х 620 х 250 мм; вынос – 800 мм.
- Угол зачистки откосов – 90 градусов.
Автогрейдер отличается полной обзорностью рабочей площадки из кабины, оборудуется дополнительными фарами и проблесковым маячком. Присутствует гидравлическое управление рабочим оборудованием. Опционно на автогрейдеры UMG устанавливают системы электронного контроля узлов и агрегатов, модуль ГЛОНАСС, автоматику нивелирования, видеокамеры контроля задней сферы, устройства централизованной смазки шарнирных соединений.
В зависимости от эксплуатационной мощности двигателя, автогрейдеры классифицируются на классы:
- класс 100, имеющий эксплуатационную мощность двигателя до 88,2 кВт (или 120 л.с.);
- класс 140, имеющий эксплуатационную мощность двигателя в пределах от 88,9 до 117,6 кВт (или от 121 до 160 л.с.),
- класс 180, имеющий эксплуатационную мощность двигателя в пределах от 118,4 до 147,0 кВт (или от 161 до 200 л.с.), и
- класс 250, имеющий эксплуатационную мощность двигателя от 147,8 и выше (или от 201 л.с. и выше).
Технические параметры ГС-14.02
Рассматриваемая спецтехника относится к классу 140, и его колесная формула выглядит таким образом: 1х2х3. На автомобиле установлены шины 14.00-20.00. Остальные технические характеристики автогрейдера ГС-14.02 сведены в нижеприведенную таблицу:
| Показатели | Ед.изм. | Величины |
| Масса эксплуатационная | тн | 13,5 |
| Скорость перемещения (min/max) | км/ч | 4,1/34,2 |
| Габариты | м | 8,82х2,50х3,48 |
| Передачи (вперед/назад) | кол-во | 6/2 |
| Uраб. эл. оборудования | В | 12 |
| Отвал: – габариты | м | 3,74х0,62х0,25 |
| – вынос | м | 0,8 |
| – зачистка откосов (угол) | град | 90 |
| – резание на глубину | м | 0,38 |
| – угол резания ножа | град | 49-86 |
Указанные параметры делают грейдер ГС-14.02 востребованным для работ в сложных условиях.
Автогрейдер ГС-14.02 – размеры
Отличительные особенности серии
Автогрейдер ГС-14.03 по конструктивной схеме и применяемым техническим решениям аналогичен модели 14.02.
Более высокие эксплуатационные возможности агрегата обеспечиваются применением деталей и механизмов производства ведущих немецких фирм в области ответственных узлов.
Дизельный двигатель BF04M1013FC завода DEUTZ AG мощностью 117 кВт обеспечивает увеличение крутящего момента на оси на 17% при одновременном снижении расхода топлива.
Автоматическая трансмиссия В ZF WG160 тандемная тележка NAF TAP 5501.105 (BRA) с блокировкой дифференциала No-Spin повышает производительность и надежность грейдера.
Не менее важную роль в росте эффективности применения ГС-14.03 играют:
- модуль ГЛОНАСС, автоматизация системы нивелирования TOPCON/LIECA в 2D и 3D дизайне;
- автоматизированная центральная система смазки шарниров LINCOLN;
- видеокамеры для наблюдения за рабочей зоной;
- подогрев зеркал и топливный фильтр.
В серию грейдеров GS входят машины:
- Легкий класс 10.01 и 10.07 – используются для подготовки и содержания дорог, используются в коммунальной сфере.
- Средний 14.02 и 14.03.
- Тяжелые грейдеры 18.07 и 25.09 — для крупных работ, в том числе земляных работ и планировки.

Устройства с возможностью работы в тяжелых условиях, определенной на этапе проектирования, универсальны в использовании. На их основе построена более эффективная и производительная серия автогрейдеров от ТГ Брянских машиностроителей.
Силовые характеристики
Автогрейдер ГС-14.02 оснащен дизельным мотором, при этом есть возможно применять различные модификации. Среди них наиболее используемые двигатели:
| Характеристики | Д-260.14 | ЯМЗ-236.Г6 |
| Количество цилиндров/тактов | 6/4 | |
| Особенности | Цилиндровая группа представлена «мокрыми» гильзами, установленными в ряд | Сечение блока V-образное |
| Наличие наддува | Турбинный | Безнаддувный |
| Впрыск топлива | Механически регулируемый | |
| Охлаждение | Жидкостное | Закрытое жидкостное, принудительное |
| Фильтр очистки (сухого типа) | 3-хступенчатый со сменными бумажными патронами | С индикатором заполнения |
| Расход топлива, г/кВт*ч, удельный | 227 | 220 |
| Средний расход, л\ч | 12 | |
| Объем группы цилиндров (л) | 7,12 | 11,5 |
| Мощность (кВт) | 101 | 110 |
| Max усиление на валу (Нм) | 596,8 | 667 |
| Запуск | Посредством стартера |
Более современные модели грейдеров комплектуются американскими моторами марки Cummins на 100-120 л. с. Они способны выдерживать большие нагрузки и готовы к длительной эксплуатации без промежуточного ремонта. У отечественных моторов меньший запас прочности, но они стоят дешевле, а запчасти более доступны. Поэтому рентабельнее использовать российские модели.
Двигатель Д-260.14
Технические характеристики

Автогрейдер ГС 14.02 — современная машина 140 класса, в устройстве которой использованы отечественные и импортные комплектующие. Крупные узлы и агрегаты созданы в соответствии с требованиями пользователей к техническим показателям строительных машин. Грейдер комплектуется различными силовыми агрегатами и предлагает владельцам расширенные возможности.
- Класс — 140;
- Эксплуатационная масса, кг — 13 500;
- Двигатели Д442 / Д260 / ЯМЗ-236 / Cummins 6ВТ5.9-С135 / Cummins 6ВТА-С165;
- Трансмиссия — механическая;
- Скорость передвижения ГС-14.02, км/ч: 4,1-34,2;
- Число передач автогрейдера: вперед — 6; назад – 2;
- Колесная формула автогрейдера 1х2х3;
- Габаритные размеры ГС-14.02, мм 8820х2500х3475;
- Шины: 14.00-20.00;
- Грейдерный отвал:
Габаритные размеры, мм — 3740х620х250; - Вынос, мм — 800;
- Угол зачистки откосов, град — 90.
Двигатель

Производитель предлагает покупателям выбор из пяти комплектаций. Первоначально машина снабжалась отечественным мотором марки Д-442. Это турбированный дизель с номинальной мощностью 100 л.с. Позднее стали доступны модели с силовыми агрегатами Д-260 и ЯМЗ-236 с номинальной мощностью 100 и 110 л.с. соответственно.
Самые современные машины комплектуются импортными двигателями американской марки Cummins. Модель Cummins 6ВТ5.9-С135 выдает максимальную мощность 100 л.с. Модель Cummins 6ВТА-С165 работает на максимальной мощности 120 л.с. Американские моторы отличаются надежностью и не требуют серьезного ремонта на протяжении длительного времени. С другой стороны, российские силовые агрегаты дешевле в обслуживании, а запчасти на моторы автогрейдера ГС 14.02 доступны в любом регионе.
Расход топлива
Эта модель устройства снабжена объёмным топливным баком на 490 литров. Для различных комплектаций автогрейдера используются собственные двигатели, поэтому расход топлива зависит от их мощности. Чаще всего для этих целей используются двигатели с потреблением 220 -230 г/кВтч.
Коробка передач

На современных грейдерах ГС 14.02 устанавливаются автоматические коробки переключения передач немецкой марки ZF. В стандартной комплектации с отечественным силовым агрегатом машина поставляется с механической коробкой передач. ГС 14.02 может двигаться с шестью скоростями вперед и двумя назад. При этом скоростной диапазон составляет 4,1-34,2 км/ч.

Производитель применил в ходовой части грейдера колесную формулу 1х2х3. На базовых моделях устанавливаются шины 14.00-20. КПП дополнена тандемной тележкой компании NAF и дифференциалом типа No-Spin. Рабочая тормозная система представлена дисковыми тормозами, управляемыми педалью. В устройстве применена двухконтурная система тормозов, обеспечивающая одинаковое усилие на всех колесах автогрейдера. Для повышения надежности тормозной механизм оснащается резервным источником мощности.
Гидросистема
Гидравлическая система ГС 14.02 использует насос постоянного объема с дополнительной системой разгрузки рабочего узла при нейтральном положении рукояти управления. Функционирование системы обеспечивают шесть ручных гидрораспределителей, с помощью которых осуществляется управление рабочими органами. Четыре электрических гидрораспределителя используются для выполнения сопутствующих операций.
Рабочее оборудование и характеристики отвала
Автогрейдер ГС 14.02 оснащается полноповоротным грейдерным отвалом со следующими характеристиками:
- длина — 3740 мм;
- высота — 620 мм;
- опускание ниже опорной поверхности — 250 мм;
- вынос — 800 мм;
- угол зачистки откосов — 90 градусов.
В качестве сменного рабочего оборудования производитель поставляет:
- боковой грейдерный отвал;
- поворотный бульдозерный отвал;
- задний рыхлитель.
Основные технические характеристики ГС 14 02:
| Размеры д/ш/в, мм | Скорость движения км/ч | Расход топлива г/кВтч | Количество передач | Петля рамы | Радиус поворота |
| 8825/2500/3475 | 34 | 220 | 6/2 | 26° | 7,8 м |
Характеристики двигателя
В двигателях этой серии используется V-образный 6-цилиндровый агрегат ЯМЗ-236Г6 или двигатель Д-260.14 производства ММЗ. В основном предназначен для установки в спецтехнику, также может применяться в дизель-генераторах. Двигатель четырехтактный, работает на дизеле и развивает мощность 150 л.с. Двигатель оснащен системами впрыска топлива в цилиндры, жидкостного охлаждения с радиатором, оснащенным вентилятором. Силовой агрегат раскручивает вал до 1700 об/мин.
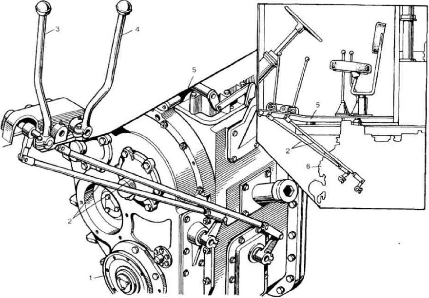
Кабина и органы управления оператора
Эргономичная кабина, расположенная на передней раме, повышает эффективность использования грейдера. Наклон кабины вперед улучшает видимость с рабочего места. Рулевое колесо и панель приборов расположены спереди в секторе 90°. На блоке индикации водитель может следить за параметрами управления системами и срабатыванием сигнализации, автоматических выключателей гидрораспределителей. С правой стороны расположены: рычаг переключения передач механической коробки передач, органы управления светом, обогревом и омывателем ветрового стекла, кулисные переключатели и кнопки опций, блок предохранителей. Дополнительный комфорт создает отсутствие вибраций и хорошая звукоизоляция. Громкость звука в кабине от работающего дизеля сравнима с допустимым уровнем шума в кабине пассажирского автобуса и не превышает 78–80 дБ.

Варианты двигателей на UMG ГС-14.02
Автогрейдеры данной модели комплектуются шестицилиндровыми дизельными двигателями двух основных вариантов. Это может быть ЯМЗ-236Г6 Ярославского моторного завода; либо ММЗ-Д260.14 Минского моторного завода.
ЯМЗ-236Г6 – это шестицилиндровый V-образный дизель из обширного ярославского семейства ЯМЗ-236, безнаддувный, с прямым, механически регулируемым впрыском дизтоплива. Система топливоподачи: разделённого типа, производства ЯЗДА. Топливный насос высокого давления – шестиплунжерный (рядный 601.5). Регулятор частоты вращения – механический, всережимный. Топливоподкачивающий насос – поршневого типа.
Топливные фильтры – грубой и тонкой очистки, со сменными фильтрующими элементами. Система охлаждения: жидкостная, закрытого типа с принудительной циркуляцией охлаждающей жидкости. Оборудована термостатическим устройством для автоматического поддержания теплового режима двигателя. Водяной насос – центробежного типа с ременным приводом.
Генератор – переменного тока с клиноременным приводом, с напряжением 28В. Пусковое устройство – электрический стартер, номинальное напряжение 24В.
- Рабочий объём двигателя – 11,15 литра.
- Диаметр и ход поршня – 130 х 140 мм.
- Номинальная мощность, брутто – 110 кВт (150 л.с.), при номинальной частоте вращения 1700 мин-1.
- Удельный расход дизтоплива при номинальной мощности – 220 г/кВт·ч / 162 г/л.с.·ч.
- Ресурс до капитального ремонта – 8000 часов.
- Габаритные размеры – длина 1130 / ширина 1040 / высота 1070 мм.
- Масса двигателя – 980 кг.

Модификация двигателя ЯМЗ-236Г-6 была специально создана для использования в составе автогрейдеров ГС-14.02 производства завода «Брянский арсенал».
Дизель Д-260.14 представляет собой шестицилиндровый, рядный, с вертикальным расположением цилиндров, четырёхтактный мотор жидкостного охлаждения, с газотурбинным наддувом и промежуточным охлаждением надувочного воздуха. Дизель Д-260 оснащается топливным насосом ЯЗДА 363 и турбокомпрессором ТКР 7.
- Рабочий объём двигателя Д-260.14 – 7,12 л.
- Диаметр цилиндра и ход поршня – 110 х 125 мм.
- Степень сжатия – 16:1.
- Удельный расход дизтоплива – 220 г/кВт / 162 г/л.с.ч.
- Номинальная мощность, брутто – 103 кВт (140 л.с.)
- Частота вращения – 1800 об/мин.
- Максимальный крутящий момент – 682 Н.м (69,6 кгм).
- Частота вращения при максимальном крутящем моменте – 1300–1450 об/мин.
- Габаритные размеры – длина 1300 / ширина 705 / высота 1118 мм.
- Масса двигателя – 410 кг.
Модификация двигателя Д-260.14 была специально создана для использования в составе дорожно-строительной техники различных отечественных производителей.
Отвал автогрейдера TEREX GS series
| ГС-10.01 | ГС-10.07 | ГС-14.02 | ГС-18.05 | ГС-25.09 | |
| Тип | Грейдерный | ||||
| Габариты, мм | 3 040х470х350 | 3 740х620х450 | 3 660х630х450 | 4 270х700х500 | |
| Длина бульдозерного отвала | 2 440 мм | 2 475 мм | |||
| Высота бульдозерного отвала | 590 мм | 840 мм | 920 мм | ||
| Вылет за пределы колеи, рама прямая, мм л/п | 970/1 300 | 1 680/1 570 | 1 920/2 020 | 2 218/2 322 | |
| Вылет за пределы колеи, рама изогнута, мм л/п | 1 380/1 700 | 2 200/2 100 | 2 556/2 762 | 2 856/3 062 | |
| Боковой сдвиг отвала, мм л/п | 400/600 | 650/710 | 700/700 | ||
| Боковой сдвиг поворотного круга, мм л/п | 200/330 | 260/430 | 660/760 | ||
| Угол профилирования откоса | 45° | 90° | |||
| Дорожный просвет отвала | 350 мм | 450 мм | |||
| Глубина резания отвала | 350 мм | 380 мм | 450 мм | 500 мм | |
| Угол резания ножа | 32-72° | 49-86° | 30-70° |
Автогрейдер TEREX GS Series навесное оборудование



































