Ремень генератора
Приводом от коленчатого вала двигателя на шкив генераторной установки служит гибкая ременная передача. Ремень стандартного размера, он вставляется в ручьи шкивов на валу двигателя и на самом генераторе. Натяжение ремня осуществляется регулировкой кронштейна генератора на двигателе.
Генератор Г250П2 крепится на кронштейне к блоку двигателя УМЗ-417 с правой стороны. Приводится во вращение с помощью клиновидного ремня от шкива коленчатого вала. На УАЗ обычно ставится ремень генератора УАЗ 469, размер которого 1 275 мм. Модель ремня 6 РK 1275. Аббревиатура означает: 6 ручейков, РК – поликлиновой, длина 1 275 миллиметров. Это размер ремня генератора УАЗ 469 двигатель 417.
Неисправности и ремонт
Распространенные проблемы:
- Отсутствие зарядки батареи возникает при проскальзывании приводного ремня из-за износа или слабого натяжения. Ремонт заключается в установке новой детали и корректировке натяжения. Другой причиной может быть износ щеточного узла, который требуется очистить от грязи и нагара. Параллельно рекомендуется осмотреть и зачистить коллектор, при сильном износе поверхность протачивается.
- Постоянный перезаряд аккумулятора возникает из-за поломки регулятора напряжения или повреждения цепи питания интегрального узла. Сгоревшая деталь меняется на новую.
- Низкая мощность генератора наблюдается при проскальзывании ремня или повреждении регулятора. Также возможно межвитковое замыкание внутри обмоток статора, который придется заменить. Рекомендуется проверить работоспособность диодного моста.
- Ускоренный износ щеток возникает при биении коллектора или замасливании поверхности узла. Ремонт заключается в проточке поверхности и обезжиривании бензином.
Как проверить
Проверка генератора выполняется при помощи тестового прибора, который подключается к положительной клемме и корпусу. Напряжение должно находиться в диапазоне 13,5-14,6 В.
Регулятор напряжения тестируется при помощи лампы и подачи повышенного напряжения. Тщательно проверить генератор можно в условиях мастерской с использованием специального стенда.
Замена ремня генератора
Тип и размер ремня зависят от модели двигателя. Например, на инжекторном агрегате ЗМЗ-409 используется поликлиновая деталь длиной 1220 мм. Для снятия элемента необходимо ослабить ролик натяжителя, а затем открутить крепление генератора. После этого ремень снимается со шкивов и монтируется новая деталь.
Смотрите » Как выявить неисправности и провести ремонт переднего моста УАЗ

Для замены клиновидного ремня, применяемого на карбюраторных моторах, требуется ослабить крепление генератора. После установки новой детали натяжение обеспечивается перемещением корпуса по направляющему кронштейну
Важно выставить шкивы генератора и коленчатого вала в одной плоскости, что продлевает срок службы ремня и позволяет снизить шум при работе
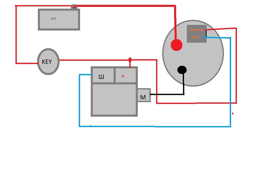
Подключение генератора к аккумулятору и двигателю УАЗ
В данной статье рассмотрим пошаговую инструкцию по подключению генератора к аккумулятору и двигателю УАЗ.
Шаг 1: Подготовьте необходимые инструменты и материалы, такие как отвертки, ключи, провода, реле регулятор и генератор.
Шаг 2: Откройте капот автомобиля и обнаружьте генератор. Он находится обычно справа от двигателя.
Шаг 3: Отсоедините провод от отрицательного клеммного соединения аккумулятора, чтобы избежать короткого замыкания при проведении работ.
Шаг 4: Ослабьте крепежные винты генератора с помощью подходящего ключа и снимите ремень с пульта.
Шаг 5: Отсоедините все провода от генератора, не забывая пометить их положение, чтобы затем правильно подключить.
Шаг 6: Установите новый генератор на место и затяните крепежные винты.
Шаг 7: Подключите провода к генератору в соответствии с их пометкой, следуя схеме подключения генератора УАЗ с реле регулятором.
Шаг 8: Подсоедините провод отрицательного клеммного соединения аккумулятора и затяните его.
Шаг 9: Проверьте, чтобы все провода были надежно закреплены и не мешали другим частям двигателя.
Шаг 10: Закройте капот автомобиля и убедитесь, что генератор работает правильно, обеспечивая заряд аккумулятора во время работы двигателя.
Следуя этой пошаговой инструкции, вы сможете успешно подключить генератор к аккумулятору и двигателю УАЗ с использованием реле регулятора.
Поломки и ремонт
Проблемы, ведущие к ремонту генератора УАЗ, могут быть следующие:
- Не заряжается батарея. Основная причина неисправности — износ приводного ремня или слабое его натяжение. Решается регулировкой натяжения или заменой старого ремня. Ещё может износиться щёточный узел, из-за чего может отсутствовать зарядка батареи, надо убрать с детали грязь и нагар, если есть. Заодно осмотрите и очистите коллектор.
- Идёт постоянная перезарядка аккумулятора. Причины часто две: повреждена цепь интегрального узла или вышел из строя регулятор напряжения. Решение — замена неисправных деталей.
- Быстро изнашиваются щётки. Такое случается, если поверхность узла замасливается, а также при биении коллектора. В первом случае поможет обезжиривание бензином, во втором — надо проточить поверхность.
Правильная и тщательная проверка автогенератора возможна только в автомастерской на специальном стенде.
Также советуем посмотреть полезное видео про проблемы с генератором УАЗ-469 и пути их решения:
https://youtube.com/watch?v=BXXRmfa-qK8
Замена подшипников
Если в генераторе изнашиваются подшипники, в генераторном узле появляется шум (гул). Некоторое время с таким шумом ездить можно, но нежелательно, а затягивать с ремонтом надолго нельзя – подшипники могут заклинить и сгореть. Меняются подшипники всегда на снятом генераторе, и чтобы произвести замену, генераторный узел необходимо разобрать. Подобную работу можно произвести самостоятельно, но следует учитывать, что подшипники запрессовываются, и для демонтажа их потребуется специальный съемник. Задний подшипник жестко напрессовывается на вал ротора, и без съемника здесь практически не обойтись.

В некоторых случаях в передней крышке корпуса подшипник закипает намертво, и в таком случае его легче заменить в сборе с крышкой.
Источник
Схема подключения генератора УАЗ 469
Электрическая схема подключения генератора Г250П2:

- Тахометр
- Электродвигатель
- Генератор
- Вольтметр
- Амперметр
- Выключатель
- Реостат на 40 А
- Вольтметр
- Реостат на 5 А
- Выключатель
- Аккумуляторная батарея
Схема подключения генератора УАЗ 469 показана на рисунке вверху. Статор набран из отдельных пластин, соединенных в пакет, и имеет 36 пазов, в которых заложены трехфазные обмотки, соединенные в звезду. Ротор генератора состоит из обмотки возбуждения, намотанной на отдельную втулку.
К торцам втулки примыкают два клювообразных полюсных наконечника, образующих двенадцатиполюсную магнитную систему. Концы обмотки возбуждения припаяны к двум контактным кольцам. Втулка, полюсные наконечники и контактные кольца напрессованы на вал. В алюминиевой крышке со стороны контактных колец установлены выпрямительный блок и щеткодержатель.
Крышка со стороны привода также изготовлена из алюминия. В обеих крышках имеются вентиляционные окна и лапы для крепления на двигателе. Шкив и вентилятор устанавливаются на вал генератора на шпонке и закрепляются гайкой с пружинной шайбой. Схема подключения генератора УАЗ 469 старого образца приблизительно аналогичная нынешнему прибору. Схема сборки генератора Г250П2 изображена на рисунке внизу.

Монтаж трехуровневого регулятора
Чтобы установить трехуровневый регулятор необходимо:
- Произвести демонтаж генератора и съем защитного корпуса, расположенного на задней крышке.
- Отключить стандартный регулятор напряжения, проверить в каком состоянии находятся коллекторные пластины на роторе электрогенератора.
- Произвести монтаж трехуровневого регулятора: закрепить стандартными гайками и проводами.
- Сделать вывод дополнительного кабеля с защитой из гофры через вспомогательное отверстие в защитном корпусе.
- Смонтировать контроллер управления и выставить необходимые параметры работы.
- Поставить на место электрогенератор.
Корпус регулятора устанавливается на кузов машины, штекер с буквой Ш применяется для подключения к модернизированному щеточному узлу. Другой выход от щеток стыкуется с 3-им контактом Б-регулятора. Колодка Б соединяется с плюсовой клеммой АКБ посредством реле, который запитан от замка зажигания.
Популярные неисправности
Если машина не может завестись, при этом вы слышите, что моторный отсек загудел и начал выть, либо же авто периодически глохнет под нагрузкой или без нее, это может свидетельствовать о поломке генератора. Снимать и разбирать свой гудящий генератор — это последнее дело, для начала необходимо разобраться в основных неисправностях и причинах. Видов поломок, при которых требуется генераторов ремонт, может быть два — это механические и электрические типы.
К основным механическим повреждениями относятся поломка креплений, корпуса устройства, проблемы в работе подшипниковых устройств, прижимных пружинок, ременного привода. В принципе, причины неисправности генератора механического типа существуют самые разные, но так или иначе, они не связаны с электрической частью. Что касается электрических поломок, то к таковым относятся неисправности обмоток, диодного моста, выход из строя щеток, замыкания, пробои, проблемы в работе реле и т.д.
Диодный мост автомобильного генератора
Как показывает практика, довольно часто симптомы, свидетельствующие о выходе из строя генераторного устройства, могут появиться в результате других неполадок. К примеру, при наличии плохого контакта в разъеме предохранительных элементов можно подумать, что проблема связана с устройством. Но такой же признак может проявиться в результате выгоревших контактов в замке зажигания. Кроме того, если постоянно горит лампа выхода из строя устройства, это не означает что появились проблемы с генератором, поскольку это может свидетельствовать о выходе из строя реле.
Каковы же признаки неисправности генератора:
- На работающем моторе стала мигать лампочка разряда батареи. Также она может непрерывно гореть.
- Ремонт генератора своими руками может осуществляться при выкипании АКБ.
- При работе оптики замечается более тусклое освещение. Также при работающем моторе может проявляться дребезг. В свою очередь, когда водитель жмет на педаль газа, то есть обороты мотора увеличиваются, яркость оптики значительно возрастает. Как правило, это проявляется при перегазовке, однако оптика, которая стала работать ярче, более ярко уже не работает.
- Гудит генератор. Если воет генератор или гудит, это в первую очередь свидетельствует о его неисправности, которую необходимо как можно быстрее решить.
- Ремонт автомобильных генераторов также должен осуществляться в том случае, если машина периодически глохнет. Если генератор воет, при этом автомобиль глохнет прямо на ходу, это может свидетельствовать о нехватке напряжения. Разумеется, когда авто глохнет во время движения, водитель в первую очередь проверит АКБ, но если батарея заряжена, необходимо произвести диагностику генераторного устройства (ГУ).
Реле регулятора напряжения генераторного устройства
В каких случаях требуется замена генератора или его ремонт и обслуживание?
Разобрать генератор потребуется при таких неисправностях:
- Механические повреждения либо износ шкива. Если повреждения довольно значимые, то осуществляется замена шкива генератора.
- Разборка генератора производителя при износе либо повреждении токосъемных щеток.
- Поломка токосъемных колец генератора (износ коллектора). Обычно замена токосъемных колец производится своими руками без проблем.
- Выход из строя или проблемы в работе регулятора.
- Снятие генератора и его ремонт также должен осуществляться при замыкании витков статорной обмотки.
- Обслуживание генераторов должно производиться при полном разрушении или износе подшипниковых деталей.
- Неисправности диодного моста генератора также приведут к его разбору и ремонту. Основные признаки неисправности диодного моста — это слабая искра на свечах, а также сниженный вольтаж батареи.
- Различные повреждения кабелей зарядной сети.
Схема замера напряжения на клеммах АКБ
Характеристики генератор для УАЗ

Один из главных узлов машины
Автомобиль УАЗ ломается с той же периодичностью, что и многие другие машины. Возникают проблемы и с генератором. Не каждый владелец авто знает, как подключать генератор на УАЗ Патриот и УАЗ 469.
Модель УАЗ 469 имеет стандартный генератор переменного тока. Этот агрегат необходим для питания автомобиля электричеством и подзарядки аккумуляторной батареи. Узел работает только при наличии самого аккумулятора и регулятора напряжения. Схема подключения генератора является однопроводной, выходной контакт – «минус». Имеются и дополнительные выходы, которые необходимы для подключения агрегата к системе автомобиля.
Для обеспечения качественной работы устройства нужно правильно и своевременно его обслуживать. Следует заботиться о чистоте механизма. Перед каждым выездом необходимо проверять рабочие показатели агрегата при помощи амперметра. При прохождении технического обслуживания проводится проверка креплений узла и натяжки ремней. По окончании сезона нужно снимать механизм, очищать его от пыли и грязи. При износе комплектующих следует заменить их новыми.
Когда наблюдается нестабильная работа устройства или слышен шум, механизм следует заменить новым. В редких случаях приходится менять блок выпрямителей. Такая необходимость возникает при отсутствии стабильной работы диодов.
Рекомендуется проводить разборку механизма только в специальном сервисе. При отсоединении проводов необходимо вытянуть саму колодку. Ни в коем случае не следует тянуть за провода.
Нет необходимости заменять смазку, так как ее хватает на весь срок эксплуатации генератора.
Устраняем неисправности
Рассмотрим наиболее распространенные причины, почему нет зарядки АКБ автомобилей ГАЗ с моторами ЗМЗ 402, 405 и 406, а также расскажем, что можно сделать в каждом конкретном случае.
Проверка натяжения ремня
С течением времени ремень привода может растянуться, и он начнет проскальзывать. Чтобы проверить его натяжение, нужно приложить к середине его верхнего участка силу, равную 40 Н (4 кгс). При этом ремень должен прогнуться на 8-10 мм.

Чтобы отрегулировать натяжение ремня на автомобиле ГАЗ с двигателем 402, нужно:
с помощью ключа ослабить крепление двух болтов, которыми генератор крепится к кронштейну;

ослабить затяжку болта, крепящего регулировочную планку;

используя гаечный ключ, ослабить крепление регулировочного болта;

- увеличить натяжение ремня, поворачивая генератор в сторону, противоположную той, где находится блок цилиндров мотора;
- затянуть регулировочный болт и проверить натяжение, если оно в пределах нормы — затянуть все остальные болты.
На машинах с двигателем ЗМЗ-406 при нагрузке 80 Н (8 кгс) прогиб должен быть 15 мм. Чтобы добиться этого, требуется:
при помощи гаечного ключа ослабляем крепление болта натяжного ролика;

натягиваем ремень, поворачивая регулировочный болт по направлению движения часовой стрелки.

Проблемы с проводкой
Иногда причиной, почему пропала зарядка, может стать плохой контакт. Наиболее частой причиной нарушения контактов является окисление клемм аккумулятора. Чтобы их почистить, нужно:
отсоединить провода от АКБ;

протереть аккумулятор;

- приготовить чистящую жидкость (30 г соды развести в 0,5 л воды);
- намочите в приготовленной жидкости зубную щетку и почистите клеммы;

очистите контакты от чистящей жидкости и протрите их сухой тряпкой;

подсоедините провода к аккумулятору.

Как проверить генератор
Не снимая генератор, можно проверить роторную обмотку на обрыв. Для этого снимаем щеточный узел, устанавливаем предел измерения омметра до 10 Ом и измеряем электрическое сопротивление ротора. Оно должно быть в пределах от 2,5 до 3 Ом.
Чтобы проверить генератор после снятия, выполняем следующие действия:
- подключаем минус аккумулятора к корпусу генератора;
- положительный вывод подключаем к щеткам ротора;
- подключаем один выход контрольной лампочки к минусовой клемме АКБ, а второй — к силовому выходу генератора.
Теперь при вращении шкива генератора лампочка должна загораться.
Видео быстрой проверки генератора:
Диагностика реле-регулятора
Для проверки реле-регулятора нужно запустить двигатель автомобиля и включить фары. Через 25 минут требуется измерить напряжение между клеммой «В+» (для моторов ЗМЗ 405 и 406) или 30 (для ЗМЗ 402) генератора и массой. Напряжение должно в диапазоне от 13,6 до 14,6 В. Если оно выходит за эти пределы, то регулятор не выполняет своих функций.
Еще один способ проверки снятого с автомобиля реле-регулятора вы можете увидеть в видеоролике:
Сейчас читают:
Пропала зарядка на Ниве: основные причины и инструкция по ремонту всех моделей
Почему пропала зарядка на ВАЗ 2107 — ищем и устраняем неисправности
Нет зарядки на ВАЗ 2114 — основные причины и способы их устранения
Как отремонтировать блок питания компьютера своими руками
Почему ноутбук не включается без аккумулятора
Принцип действия генератора Г250П2
Принцип действия генератора Г250П2 основан на явлении магнитной индукции. При пуске двигателя на обмотку ротора от аккумуляторной батареи подается ток, создающий магнитное поле возбуждения. При вращении ротора это магнитное поле пересекает проводники обмоток статора, в результате чего в обмотках статора индуцируется переменная электродвижущая сила.
Поскольку обмотки сдвинуты друг относительно друга, то и их ЭДС также сдвинуты на 120 градусов. Таким образом, на выходе обмоток статора при вращении ротора появляется трехфазный переменный ток. Но все потребители в автомобиле работают на постоянном токе. Чтобы его получить, в генератор встроен выпрямительный блок БПВ4-45, который содержит шесть диодов Д104-20 или Д104-20Х.
Характерные неисправности и способы их устранения
Какие неполадки могут произойти в работе генератора:
- Вышел из строя диодный мост. Специалисты рекомендуют менять выпрямитель целиком, в сборе. При необходимости вы можете поменять и отдельные диодные элементы, но в данном случае их нужно будет правильно запрессовать в фиксатор, данная процедура требует навыков.
- Повреждение шкива либо его износ. Ремонту такая неисправность не подлежит, устройство придется менять.
- Износ щеток или коллектора. Если речь идет об износе, то процедура ремонта заключается в замене вышедших из строя элементов.
- Замыкание витков обмотки статора. В данном случае можно попытаться заново перемотать обмотку, но это очень кропотливая операция и справиться с ней сможет не каждый. Придется потратить достаточно времени, при этом не факт, что вы сможете добиться желаемого результата.
- Выход из строя подшипника. Как правило, такая проблема также связана с износом детали, поэтому неисправности такого рода решаются путем замены.
- Выход из строя регулятора напряжения. Деталь также надо менять.
- Повреждение проводки электроцепи. Поврежденные участки цепи следует восстановить путем замены проводов.
- Износ ремня генератора Волга или Газель. Об износе могут свидетельствовать следы трещин и прочих повреждений на структуре ремешка. Ремонту такая неисправность также не подлежит, ремешок следует менять (автор видео — Алексей Наджафо).
Инструкция по разбору
Вкратце о том, как демонтировать и разобрать узел:
- Сначала отключается зажигание, открывается капот и отсоединяются клеммы от АКБ.
- Затем необходимо отключить провода питания от генераторной установки.
- Используя натяжное устройство, необходимо ослабить натяжение ремешка и демонтировать его.
- Далее, выкручиваются два винта, которые фиксируют узел к кронштейнам, после чего устройство снимается.
- Теперь приступаем к разбору. Сначала демонтируем защитный кожух и извлекаем реле регулятора, оно снимается вместе с щеточным узлом, от реле нужно отключить провод.
- Далее, необходимо выкрутить четыре стягивающих болта и произвести демонтаж задней крышки со статорным механизмом.
- Теперь вам нужно отключить фазные контакты обмотки из выпрямительного устройства и произвести демонтаж статорного устройства. Извлекаются все необходимые для замены и ремонта составляющие конструкции, сборка производится в обратной последовательности.
Загрузка …
Схема автомобиля — УАЗ 3151
Схема всего электрооборудования на УАЗ 3151 и 3153


1 – передний фонарь; 2 – фара; 3 – противотуманная фара; 4 – звуковой сигнал; 5 – генератор; 6 – подкапотная лампа; 7 – датчик указателя темпеpатуpы охлаждающей жидкости в блоке цилиндpов; 8 – датчик сигнальной лампы аваpийного пеpегpева охлаждающей жидкости в pадиатоpе; 9 – датчик сигнальной лампы аварийного состояния гидропривода тормозной системы; 10 – датчик указателя давления масла; 11 – датчик сигнальной лампы аварийного давления масла; 12 – микровыключатель управлениия ЭПХХ; 13 – свечи зажигания; 14 – датчик-распределитель; 15 – электpодвигатель омывателя ветрового стекла; 16 – электромагнитный клапан ЭПХХ; 17 – электромагнитный клапан карбюратора; 18 – катушка зажигания; 19 – аккумуляторная батарея; 20 – выключатель «массы»; 21 – стартер; 22 – добавочное сопротивление; 23 – боковой повторитель указателя поворота; 24 – выключатель противотуманных фар; 25 – прикуриватель; 26 – предохранитель прикуривателя; 27 – аварийный вибратор; 28 – транзисторный коммутатор; 29 – электронный блок управления ЭПХХ; 30 – электродвигатель стеклоочистителя; 31 – реле стартера; 32 – блок плавких предохранителей; 33 – выключатель сигнала торможения; 34 – переключатель указателей поворота; 35 – выключатель аварийной сигнализации; 36 – прерыватель указателей поворота; 37 – штепсельная розетка; 38 – выключатель фонаря освещения кузова; 39 – фонарь освещения кузова; 40 – переключатель электродвигателя стеклоочистителя и омывателя; 41 – электродвигатель вентилятора отопителя; 42 – переключатель электродвигателя вентилятора отопителя; 43 – резистор отопителя; 44 – предохранитель электродвигателя отопителя; 45 – выключатель зажигания; 46 – тепловой пpедохpанитель; 47 – центральный переключатель света; 48 – ножной пеpеключатель света; 49 – вольтметр; 50 – указатель давления масла; 51 – сигнальная лампа аварийного давления масла; 52 – указатель температуры охлаждающей жидкости в блоке цилиндров двигателя; 53 – сигнальная лампа аварийного перегрева охлаждающей жидкости в радиаторе; 54 – указатель уровня топлива; 55 – сигнальная лампа указателей поворота; 56 – сигнальная лампа аварийного состояния гидропривода тормозной системы; 57 – сигнальная лампа включения стояночной тормозной системы; 58 – кнопка звукового сигнала; 59 – сигнальная лампа включения дальнего света фар; 60 – спидометр; 61 – выключатель протитуманного фонаря; 62 – выключатель сигнальной лампы стояночной тормозной системы; 63 – выключатель фонаря заднего хода; 64 – датчик указателя уровня топлива в правом баке; 65 – переключатель датчиков уровня топлива; 66 – датчик указателя уровня топлива в левом баке; 67 – фонарь задний; 68 – фонарь освещения номерного знака; 69 – фонарь заднего хода; 70 – штепсельная розетка прицепа; 71 – фонарь задний противотуманный
Электpосхема генеpатоpа Г250П2

1 – щетка; 2 – контактное кольцо; 3 – обмотка возбуждения; 4 – выпpямитель; 5 – теплоотвод; 6 – обмотка статоpа
Выбор подходящего генератора для УАЗ
При выборе генератора для УАЗ необходимо учитывать несколько важных параметров, чтобы он соответствовал требованиям автомобиля и обеспечивал надежную работу электрооборудования.
Мощность генератора: Первым и основным параметром является мощность генератора. Она определяет, сколько энергии может генератор выдать и какое количество электрооборудования может с ним работать одновременно. Для УАЗ в среднем подходит генератор мощностью от 90 до 120 Ампер.
Напряжение генератора: Вторым параметром является напряжение генератора, которое может быть либо 12 Вольт, либо 24 Вольта в зависимости от модели автомобиля УАЗ. Необходимо учитывать, что генератор должен быть совместим с напряжением аккумулятора и электрооборудования автомобиля.
Тип генератора: Генераторы могут быть постоянного тока (ПТГ) или переменного тока (ВТГ)
Постоянный ток обеспечивает стабильный заряд аккумулятора и работу электрооборудования, в то время как переменный ток подходит для автомобилей с более слабой электрической нагрузкой.
Производитель генератора: Важно выбирать генераторы от надежных производителей, таких как Bosch, Valeo, Denso и др
Качество и надежность генератора зависят от его производителя, поэтому лучше предпочесть генераторы известных брендов.
Совместимость с автомобилем: При выборе генератора необходимо обратить внимание на совместимость с конкретной моделью УАЗ. Генератор должен подходить по крепежным отверстиям, размерам и разъемам для подключения.
Важно помнить, что выбор генератора для УАЗ должен основываться на требованиях автомобиля, его оснащенности электрооборудованием и ожидаемой эксплуатации
Генератор УАЗ 469
Автомобильный двигатель внутреннего сгорания УМЗ-417, устанавливаемый на УАЗ 469, комплектуется генератором постоянного тока Г250П2. Главная и единственная функция этого агрегата – преобразование механической энергии вращения коленчатого вала двигателя в электрическую энергию.

При движении транспортного средства все элементы электросети получают необходимое электричество только от работающего генератора. Это система зажигания, приборы освещения, коммутационное оборудование, бортовой компьютер, диагностическая система. От генератора также заряжается аккумуляторная батарея. Обычно для всех легковых автомобилей используются генераторы мощностью около 1 кВт.
Что может быть с генератором
Если при включении зажигания на панели приборов не загорелась лампочка разрядки аккумулятора, то генератор после запуска двигателя не заработает, смотрите по вольтметру, стрелка останется слева.
Если двигатель заработал, а лампочка не погасла, значит генератор не заработал (проверьте ремень)
Генератор работает, но на стоянке аккумулятор быстро разряжается. Вместо регулятора Я 112 В установлен регулятор Я 112 А
Если лампочка загорелась на ходу, то значит генератор перестал работать
Если лапочка помаргивает, это значит, что пора заменить щетки
Если лампочка слабо подсвечивается – генератор неисправен
Если лампочки светятся слишком ярко, помаргивают, а аккумулятор становится мокрым, значит напряжение слишком высокое, надо срочно заменить регулятор напряжения.
Если лампочка гаснет только на высоких оборотах, то генератор неисправен
Если генератор громко шумит, надо менять подшипники. Если генератор очень старый, то лучше поменять целиком генератор.
При любой неисправности надо ехать туда, где сделаю ремонт генератора, иначе через два часа можно безнадежно встать
Если генератор 6631.3701 сломался, а на замену есть генератор без доп диодов 6631.3701-01, то можно его поставить, только лампочка не будет работать.
Работать будет и другое соединение генератора 6631,3701 (6651.3701) и регулятора напряжения Я112В, так как схема остается прежней.


Как работает генератор
При покупке нового оборудования следует обращать внимание на срок гарантии и качество изготовления. После этих действий откручивается болтик клеммы фиксатора щеток





Планку натяжителя установил на родное место, только перевернули теперь к верху — планку пришлось немного подработать в кузне — просто погнули буквой Z, чтобы красиво стояла и ничего не задевала в подкапотном пространстве. При прохождении технического обслуживания проводится проверка креплений узла и натяжки ремней.
На просторах интернета случайно попалась какая та схема зажигания в которой я увидел, что управление на генератор идет через реле и я решил попробовать. Новые генераторы имеют другую конструкцию и, соответственно, иную схему подключения. А лампочку нужно было поставить в разрез красного проводе. УАЗ 31512, 31514, 31519 Мультимедийное руководство
https://youtube.com/watch?v=rjbXRxN9h2M
Ремонт реле регулятора генератора
Разобрать реле регулятор ВАЗ совсем несложно, для этого необходимо снять пластиковую крышку корпуса, которая крепиться защелками. Далее необходимо открутить два винта прижимающих транзистор и отпаять клеммы от выводов 67 и 15.
Важно! При снятии платы необходимо проследить за изолирующей подложкой транзистора и постараться ее не потерять. Без нее включать реле в работу нельзя. Плата и расположение на ней радиоэлементов старых образцов реле регулятора немного отличается от новых, но сама схема не изменилась
Плата и расположение на ней радиоэлементов старых образцов реле регулятора немного отличается от новых, но сама схема не изменилась.
Проверку элементов необходимо начинать в зависимости от симптоматики неисправности.
Если реле хоть как-то работает, завышает или занижает напряжение, тогда скорей всего транзисторы целы. Их можно проверять в последнюю очередь. Первым проверяют номинал резисторов R1-R3 и стабилитрон с диодом D1;D4.
Внимание! Номинал резистора R3 может отличаться от указанного в схеме. На тестируемом реле сопротивление R3 составило 4,7 кОм. Его необходимо определить по цветовой или другой маркировке и проверить сопротивление вручную
Его необходимо определить по цветовой или другой маркировке и проверить сопротивление вручную
Если реле вообще не включается, позваниваем предохранитель F1, диоды D2;D3 и все транзисторы в первую очередь. При проверке транзисторов их необходимо не забыть выпаять со схемы.
Для наглядности и удобства все компоненты со схемы обозначены на плате. Зачастую вся плата покрыта слоем защитного лака, это надо учесть и смыть его в местах подключения щупов.
В данном случае виновником стал стабилитрон D3 — 2С147А. Он был заменен на его полный аналог КС147А.
Для хорошей точности можно провести тест с мультиметром, после того, как полностью окончен ремонт реле регулятора генератора.
Напряжение 13,05В. Контрольная лампочка светит ярко. Все впорядке.
Как видно из данного теста реле после ремонта прекрасно справляется со своими задачами, а режим работы как раз входит в диапазон 14 – 14,4 В.





































