История автомобиля
Начало 1970-х годов ознаменовало «большую стройку» в СССР. Исходя из этого, были необходимы качественные машины, которые были бы способны функционировать долгий промежуток времени, невзирая на большие нагрузки. Поэтому начали разрабатывать модель грузового самосвала для строительных площадок. Машина разнилась от аналогичных моделей нестандартным для прочих отечественных машин ярко-желтым окрашиванием.

Грузовая машина являлась прочной трехосной конструкцией, какая обладая колесной формулой 6х4. КамАЗ 5511 самосвал выделяла увеличенная грузоподъемность, отличная проходимость и многофункциональность. Модель 5511 шла для перевозок разнообразного груза (куда можно отнести и сыпучие) по различному дорожному покрытию.
Наличие главных деталей и узлов позволило их унифицировать вместе с другими деталями прочих продуктов автомобильного завода в Набережных Челнах. Вдобавок ко всему, данный автомобиль смог приобрести самую современную техническую компоновку тех времен. Например, можно выделить наличие фар с асимметричным лучом освещения, что позволяло сократить шанс встречных автомобилей быть ослепленным.
Салон кабины
Данная модель обладает подрессоренной кабиной, которая закрепляется на раме. Кабина КамАЗ 5511 рассчитывалась на пару человек. Ее можно откидывать вперед при помощи торсионного устройства, что весьма удобно, дабы производить уход и техническое обслуживание за силовым агрегатом. Стекла триплексного типа можно опускать и подымать, а форточки поворачивать.

Пол вместе со стеной покрыли шумовым и теплоизоляционным материалом. Не забыли обеспечить кабину отоплением и вентиляцией. Кабина позже смогла получить небольшие перемены, например, стояло 3-х слойное стекло с дополнительной защитой от повреждения.
Также улучшили сидение водителя, что позволило настраивать его, учитывая рост и вес каждого отдельного водителя. Кабина также получила высокую крышу. Автомобиль был предназначен для пригородных перевозок, поэтому не имел спальное место.
Технические характеристики
У КамАЗа был и остаётся основной конкурент на внутреннем рынке – это автомобиль МАЗ. Стоит отметить, что первые разработки ЗиЛ-170 велись с участием специалистов Минского Автомобильного Завода. У каждого из грузовиков есть свои достоинства и недостатки, но почитателей обеих машин остаётся достаточное количество.
Приведём основные технические характеристики для сравнения:
| КамАЗ – 5320 | МАЗ-5335 | |
|---|---|---|
| Длина, мм | 8395 | 7250 |
| Ширина, мм | 2500 | 2500 |
| Высота, мм | 2830 | 2720 |
| Масса автомобиля, кг | 7080 | 6725 |
| Грузоподъёмность, кг | 8000 | 8225 |
| Максимальная скорость, км/ч | 80-85 | 80-85 |
| Расход топлива, л/100 км | 23-29 | 22-24 |
| Мощность двигателя, л. с. | 210 (КамАЗ-740.10) | 180 (ЯМЗ-236) |
| Запас топлива, л | 170 | 200 |
| Тип кабины | Без спального места | Есть спальное место |
| Шины | 260 R 508 | 300 R 508 |
Модификации и аналоги
За период производства было изготовлено несколько модификаций данной модели:
- 53201: модель с широким спектром применения: в качестве бензовоза, бетономешалки, спецтехники для экстренных и коммунальных служб;
- 53202: экспериментальная модификация, разработанная для увеличения грузоподъемности до 10 тонн;
- 53207: для использования в тропических условиях;
- 53208: экспериментальная модель, работавшая на газе помимо дизельного топлива, для этого в конструкцию были включены механизмы всасывания газа и управления насосом, а также регулятор давления газа.
Аналогами КамАЗ-5320 могут быть МАЗ 6425 и Урал 44202.
Назначение
КАМАЗовские бортовые автомобили всегда отличались своей универсальностью. Еще первые модификации КАМАЗ 5320 предназначались как для обеспечения перевозок в промышленности и сельском хозяйстве, так и в множестве других сфер, включая армейское использование. Бортовая платформа и шасси КАМАЗ 53215 используются в нефте- и газодобыче, различных видах строительства, в промышленном производстве, в лесозаготовительной отрасли, а также для обеспечения деятельности экстренных служб. В сельском хозяйстве КАМАЗ 53215 удобен как тягач-зерновоз для работы с прицепом. Автомобиль успешно используется на внутрирегиональных маршрутах, а также на междугородних и межрегиональных трассах общего назначения.
На универсальное шасси КАМАЗ 53215 устанавливаются коммунальные машины, автокраны, краны-манипуляторы, буры, различные виды фургонов, автомобильные цистерны и другое оборудование. Установленная оснастка в конечном счете и определяет назначение автомобиля. В случае необходимости шасси КАМАЗ 53215 можно переоборудовать с минимальным количеством изменений конструкции самой машины. Список устанавливаемого оборудования достаточно широк и включает в себя как отечественные агрегаты, так и их зарубежные аналоги.
Особенности устройства
Кабина современного тягача рассчитана на максимально комфортное нахождение в ней трех человек. Кроме удобного мягкого и обитого качественными материалами кресла водителя, в кабине находятся вспомогательные сидения. Спального места в данном транспортном средстве не предусмотрено. Кабина Камаза 5320 выделяется от многочисленных аналогов своей идеальной и качественной термической защиты. Оптимальную функциональность и безопасность в управлении обеспечивают особые сдерживающие прочные ремни. Удобное кресло можно регулировать под вес водителя, оно оснащено настраиваемой комфортной подушкой и регулируемой спинкой.
Кабина водителя Камаз 5320
Кабина Камаз 5320 оснащена всеми необходимыми измерительными и контрольными устройствами, а также современными индикаторами. Все это позволяет водителю в постоянном режиме получать сведения относительно общего состояния грузовика. На панели приборов присутствует своя сигнальная система с идеальной обзорностью всех рабочих шкал и основных переключателей. В кузове присутствует прочная и надежная металлическая платформа, которая оснащена боковыми и задними бортами, а также функцией открывания.
Панель приборов Камаз 5320
Присутствие на рынке широкого и разнообразного ассортимента конструкционных элементов для данного транспортного средства, позволит быстро провести замену при их возможной поломке. Ремонт Камаз 5320 не составляет особого труда и не требует серьезных материальных трат.
Технические характеристики
Средство перевозки оснащено двигателем, который представляет по конструкции современное 4-тактное устройство, работающее на дизеле. Мотор характеризуется V-образным уникальным расположением установленных цилиндров, а также форсунок закрытой категории. В общем составе стандартной силовой установки присутствует особый, работающий в разных режимах регулятор уровня частоты рабочего вращения. Также есть специальный сухой работающий воздушный качественный фильтр со встроенным индикатором общего уровня засоренности и качественной сменной фильтрующей деталью.
Двигатель Камаз 5320
В двигателе установлена муфта для опережения периодического впрыска используемого топлива в основное электрофакельное приспособление. Это уникальный по своим техническим характеристикам автомобиль. Вот основные параметры, на которых строится описание модели:
| Длина | 8395 мм |
| Ширина | 2500 мм |
| Высота | 2830 мм |
| Колесная база | 1320 мм |
| Погрузочная высота | 1370 мм |
| Снаряженная масса | 7500 кг |
| Полная масса | 15200 кг |
| Грузоподъемность | 8000 кг |
| Максимальная скорость | 85 км/час |
| Тормозной путь | 21 м |
| Расход топлива | 35 л на 100 км |
| Объем бака | 170 л |
Особого внимания заслуживает не только грузоподъёмность авто, но и тормозная система автомобиля. Она оснащена барабанными механизмами и двухконтурным пневмоприводом. Стояночный тормоз установлен на тормоза тележки и имеет пневматический привод. Что касается запасного, то он оптимально совмещен со стояночным. Машина оснащена вспомогательным тормозом, это моторный замедлитель со встроенным пневмоприводом. В тормозной системе есть специальный спиртовой предохранитель, направленный против замерзания конденсата.
Силовые агрегаты и трансмиссия
На КамАЗ-5320 устанавливались четырёхтактные V-образные восьмицилиндровые дизеля разработки Ярославского Моторного Завода 10,85 л, мощностью 210 или 180 л. с., при максимальном числе оборотов 2600 в минуту. На дизелях для первых КамАЗов были применены конструктивные решения, которые на тот момент являлись для отечественного автомобилестроения новинками или ещё не находили широкого применения, например, азотированный коленчатый вал или полнопоточная система фильтрации масла с центрифугой. Автоматический контроль за правильностью работы системы охлаждения осуществляют гидромуфта в приводе вентилятора и два термостата. Система охлаждения сделана закрытой и была рассчитана на постоянное использование охлаждающей жидкости Тосол. Была введена система очистки воздуха с фильтром сухого типа и автоматическим отсосом пыли из фильтра посредством эжектора, действующего за счёт энергии отработавших газов. Среди других новшеств можно отметить коллоидно-графитовое покрытие юбок поршней, съёмные металлокерамические направляющие втулки для клапанов, молибденовое покрытие нижнего поршневого кольца, активно-реактивный глушитель шума выпуска. В силовых агрегатах КамАЗ-5320 использованы двухдисковые сцепления. В гидравлическом приводе механизма управления сцеплением имеется пневмоусилитель, облегчающий пользование педалью. Особенностью трансмиссии тягача КамАЗ является делитель, или мультипликатор — дополнительная двухступенчатая коробка передач, установленная после сцепления перед основной коробкой. Одна передача делителя сделана прямой, а вторая — повышающей. Собственно коробка передач — пятиступенчатая, синхронизированная на второй, третьей, четвёртой и пятой передачах. Управление коробкой — дистанционное, с механическим приводом. В делителе передачи переключаются посредством пневматического привода. Карданная передача — открытого типа, состоит из двух трубчатых валов. Карданные шарниры на игольчатых подшипниках с постоянным запасом смазки. Главная передача ведущих мостов была сделана двойной: пара конических шестерён со спиральными зубьями и пара цилиндрических косозубых шестерён. В среднем мосту установлен блокируемый симметричный межосевой дифференциал.
Рессоры передней подвески (полуэллиптические, со скользящими задними концами) работают совместно с гидравлическими телескопическими амортизаторами двойного действия. Задняя подвеска — балансирного типа. Её рессоры тоже полуэллиптические, со скользящими передними и задними концами. Листы рессор имеют Т-образное сечение.
Колёса и шины
Автомобиль оснащался бездисковыми колёсами со съёмными бортовыми и замочными кольцами. Шины — радиального типа, 12-слойные, размером 260—508Р (9,00-20), обычно — с универсальным рисунком протектора.
КамАЗ-5320 снабжён несколькими системами тормозов: рабочей, стояночной, вспомогательной и запасной. Тормозные механизмы всех колёс — барабанного типа, с двумя колодками. Привод рабочего тормоза — пневматический, двухконтурный, с раздельным действием для колёс передней оси и колёс задней тележки. На стоянке автомобиль удерживается тормозными механизмами колёс задней тележки, которые в этом случае приводятся в действие от пружинных энергоаккумуляторов. Механизмы вспомогательного тормоза установлены в приёмных трубах глушителя. Их действие основано на создании противодавления в системе выпуска газов посредством заслонок, перекрывающих проходные сечения. При аварийном отказе одной из основных систем автомобиль можно остановить запасным стояночным тормозом. Рабочими тормозами водитель управляет, нажимая на педаль, связанную рычагами и тягами с двухсекционным тормозным краном. Справа от сиденья водителя расположен кран с рукояткой стояночного тормоза. Запасная система включается вместе со стояночной, а вспомогательная — при помощи кнопочного включателя, расположенного на полу кабины под рулевой колонкой.
Рулевое управление
Рулевое управление включает в себя гидроусилитель, объединённый с рулевым механизмом.
Прицепное устройство
В задней части рамы находится буксирное приспособление с двусторонней амортизацией. Оно рассчитано на постоянную работу с прицепом общим весом до 11,5 тонн.
Вплоть до 2001 года транспортное средство выпускалось с минимальными изменениями, тогда как техническая оснастка оставалась практически неизменной. Стоит заметить, что производство КамАЗ-5320 было более чем масштабным и ознаменовало собой одну из последних ударных строек, которые смогли поднять страну на новый уровень. Спустя три года после начала выпуска с конвейера сошел стотысячный большегруз. Весь модельный ряд КамАЗ.
Устройство
Внешний вид
Благодаря большому количеству автомобилей, выпускаемых российским концерном, внешний вид грузовика узнаваем на дороге. Несмотря на то, что внешние данные устарели, модель 5320 считается символом завода КАМАЗ.
Салон кабины
Советским инженерам удалось разработать кабину, казавшуюся достаточно комфортной для сегодняшних условий. В кабине три места, но спать было негде, так как грузовик работал не круглосуточно.
Кабина утеплена и не пропускает холод. Он имеет ремни безопасности и выдвижное сиденье, которое можно отрегулировать по росту водителя
Ценители советских грузовиков обращают внимание на наличие в кабине прозрачных индикаторов, датчиков и весов, которые обеспечивают водителя максимальной информацией, делая его путь безопасным. К ним относятся манометр с двумя стрелками, переключатель управления платформой и индикатор оборотов.
Недостаток — слишком большой руль и слишком тугие педали.
Грузовик построен из рамы балочного типа, состоящей из двух балок, которые в свою очередь соединены дополнительными балками. Балки изготовлены из углеродистой стали, которая имеет большой запас прочности. Передние части балок выполнены в виде конуса для крепления подвески. Номер рамы КАМАЗ выбит на правом лонжероне.
Устройство
В основе шасси лежит стальная рама, состоящая из штампованных элементов. Боковые лонжероны имеют переменное сечение по длине, что обеспечивает прочность и снижает вес автомобиля. На передней части рамы установлен V-образный турбодизель КамАЗ-740-31. В схему наддува входят 2 нагнетателя, каждый из которых обслуживает свой ряд цилиндров. Поздние версии машины оснащены мотором 740-662, отличающимся установкой радиатора для охлаждения сжатого воздуха.
Вездеход 6х6 оснащается 10-скоростной синхронизированной коробкой передач. Картер коробки жестко соединен с блоком цилиндров двигателя через корпус сцепления. В состав муфты входят 2 диска сухого трения, разъединение выполняется гидравлическим приводом. В схеме управления сцеплением имеется пневматический усилитель.
При установке гидроманипулятора на боковую часть коробки передач монтируется специальный редуктор отбора мощности, служащий для привода насосной станции. На машине применяется гидравлический распределитель с клапанами золотникового типа, необходимый для управления погрузочным устройством. Подобную конструкцию имеет сортиментовоз КамАЗ 53228, используемый в качестве лесовоза.

Трансмиссия дополнена 2-скоростным раздаточным редуктором, распределяющим крутящий момент между передним мостом и задней тележкой. В редукторе установлен межосевой дифференциал, оборудованный блокиратором с пневматическим управлением. Завод поставляет грузовики с 3 вариантами передаточных отношений главной пары ведущих мостов. На шасси установлены покрышки с дорожным рисунком. Задние мосты оборудованы сдвоенными колесами.
Балансирная тележка задних мостов оснащена полуэллиптическими рессорами и реактивными штангами с подвижными точками крепления. Тормоза барабанной схемы, оборудованы пневматическим приводом. В конструкции имеется автоматический регулятор зазора.
Грузовое шасси построено по традиционной для КамАЗ схеме с расположением кабины над силовым агрегатом. Для машины предлагались 2 варианта короткой кабины — со стандартной высотой и с увеличенной крышей. Версии со спальным местом заводом производятся по отдельному требованию заказчика. Кабины оснащаются раздельными сидениями для водителя и пассажира.
Габаритные размеры
Шасси поставляется с 3 вариантами межосевого расстояния (между передним и средним мостом):
- 3340 мм (базовый вариант);
- 3690 мм;
- 4100 мм.

Основные параметры техники:
- радиус поворота (максимальный, по внешнему габариту) — 11300 мм
- снаряженная масса шасси — 8280 кг;
- вес надстройки — 6000 кг;
- максимальный вес автомобиля (с прицепом) — 24000 кг;
- длина (в зависимости от базы) — 7415-8900 мм;
- высота (до верхней точки воздухозаборника, расположенного за кабиной) — 3310 мм.
Весовые показатели и нагрузки (базовая версия):
- снаряженная масса – 8320 кг;
- нагрузка на переднюю ось – 4185 кг;
- нагрузка на заднюю часть – 4135 кг;
- полная масса – 24500 кг;
- нагрузка на переднюю ось – 600 кг;
- нагрузка на заднюю часть – 18500 кг;
- предельная масса надстройки с грузом – 16030 кг.

Грузоподъемность автомобиля составляет 16030, 16070 и 15650 кг в зависимости от длины колесной базы.
Максимальная скорость – 80 км/час, угол преодолеваемого подъема – 31%.
Размер базовых шин – 11.00 R20 (300 R508).
Внешние характеристики и внутреннее обустройство автомобиля
Кузов автомобиля представляет собой металлическую платформу, боковые и задняя панели которой открыты. Это обеспечивает удобную погрузку и выгрузку перевозимого груза с любой из трех сторон.

Пол платформы выполнен из прочного дерева, есть возможность установки защитного навеса.
Кабина КамАЗа имеет три места, два из которых заняты обслуживающим персоналом и одно — самим водителем.
Спальное место в этой модели не предусмотрено, но это несколько снижает характеристики салона. Именно этот автомобиль имеет высочайший уровень звукоизоляции и термозащиты от внешних факторов.
По сравнению с другими аналогичными грузовыми тягачами КамАЗ 5320 занимает лидирующие позиции по уровню безопасности водителя и его помощников.
В кабине предусмотрены специальные ремни крепления, а основное сиденье можно отрегулировать по весу водителя. Водительское сиденье также оснащено подушкой и удобной спинкой, положение которой можно легко изменить.
Приборная панель
КАМАЗ-5320 имеет все необходимые индикаторы и приборы, благодаря которым водитель может легко отслеживать информацию об оборудовании грузовика. Вся эта сигнализация установлена на приборной панели.
Он прост в эксплуатации и имеет хороший обзор всех доступных переключателей и грузов.
Главной особенностью модели 5320 является наличие двухточечного манометра, переключателя, регулирующего положение платформы и электронного тахометра.
Рама
На КамАЗ-5320 она штампованно-клепанная, имеет две швеллерные секции, соединенные поперечинами. Передняя часть оборудована буфером, концы штанг оборудованы буксировочными крюками.
За задней поперечиной рамы предусмотрено тягово-сцепное устройство, имеющее надежные резиновые детали (для лучшей двухсторонней амортизации).
Трансмиссия, рулевое управление и подвеска
Автомобиль оснащен однодисковым сцеплением, которое оборудовано пневмогидравлическим усилителем, что значительно увеличивает комфорт при управлении грузовиком. На КамАЗ 5350 установлена «родная» механическая пятиступенчатая коробка передач с двухступенчатым делителем, благодаря которому количество скоростей увеличивается до десяти – вперед и двух – назад.
КамАЗ 5350 смонтирован на зависимой подвеске, передний мост имеет полуовальные рессоры с жестким креплением на лонжеронах и гидроамортизаторы. Плавность движения задних осей обеспечивают продольные рессоры и амортизаторы. Подвеска сконструирована таким образом, чтобы автомобиль испытывал как можно меньший крен, при наезде одним колесом на препятствие.
Балансирная подвеска КамАЗ 5350
На КамАЗ 5350 установлено рулевой механизм реечного типа с гидроусилителем, который значительно облегчает усилие, прилагаемое на рулевое колесо.
Тормоза автомобиля состоят из четырех независимых систем: рабочей, запасной, вспомогательной и стояночной. Они имеют общие узлы, но функционируют независимо друг от друга. Каждое колесо оснащено мощным барабанным тормозом, который способен удержать грузовик на любом склоне. Также здесь имеет механизм растормаживания, предназначенный для возобновления движения при разрыве пневмотрубки и утечке воздуха.
Подробную информацию, технические характеристики можно найти здесь:
| Колесная формула | 6х6 |
| Масса перевозимого груза1) 2), кг | 7400 |
| Технически допустимая максимальная масса транспортного средства2), кг | 17000 |
| Техническая допустимая максимальная масса буксируемого прицепа, кг | 12000 |
| Техническая допустимая максимальная масса автопоезда, кг | 29000 |
| Двигатель | КАМАЗ-740.622-280 Cummins ISB 6.7 Е5 285 |
| Максимальный подъем, преодолеваемый, %, не менее: | |
| 60 (31º) | |
| 36 (20º) | |
| Колеса дисковые | 310-533 |
| Шины | 425/85 R21 |
Бортовий автомобіль КАМАЗ 5350
Таблица дополнительных технических характеристик Камаз 5350
| Эксплуатационные данные | Модель 5350 | |
| автомобиль | шасси | |
| Технически допустимая максимальная масса транспортного средства, кг, приходящаяся на: | ось 1 | 5600; 50001) |
| ось 2 | 11400; 86001) | |
| Максимальная скорость движения2) 3), км/ч, не менее | автомобиля | 100, 904) |
| автопоезда | 80 | |
| Контрольный расход топлива5) на 100 км пути при движении со скоростью 60 км/ч, л, не более | автомобиля | 27,06); 25,07) |
| автопоезда | 36,56); 36,07) | |
| Запас хода2) по контрольному расходу топлива8), км, не менее | автомобиля | 1550 |
| автопоезда | 1150 | |
| Время разгона2) до 60 км/ч, с, не более | автомобиля | 30 |
| автопоезда | 636); 507) | |
| Тормозной путь2) при испытаниях «Тип-0» (с отсоединенным двигателем) со скорости 60 км/ч, м, не более | автомобиля | 36,7 |
| То же, при применении запасной тормозной сиcтемы со скорости 40 км/ч, не более | автомобиля | 33,8 |
| Внешний габаритный радиус поворота автомобиля по переднему буферу, м, не более | 11,79); 12,210); 1311) | |
| Вместимость топливных баков12), л | 210+210 | |
| 1) Для шасси и их исполнений с задней пневмоподвеской. 2) Для транспортного средства технически допустимой максимальной массы. 3) Значение может быть ограничено программным обеспечением автомобиля. 4) Для автомобилей, предназначенных для перевозки опасных грузов. 5) Контрольный расход топлива, измерен в соответствии с ГОСТ Р 54810-2011 для транспортного средства полной массы при движении с постоянной скоростью на специальном измерительном участке, служит для определения технического состояния автомобиля (автопоезда) и не является эксплуатационной нормой. 6) С двигателями КАМАЗ. 7) С двигателями Cummins. 8) Запас хода по контрольному расходу топлива определяется расчетным путем и зависит от вместимости топливных баков, в таблице указан для баков общей емкостью 420 л. 9) С колесной базой 3340 мм. 10) С колесной базой 3690 мм. 11) С колесной базой 4100 мм. 12) Применяемость топливных баков определяется комплектацией автомобиля. |
Использование КамАЗа в армейских подразделениях
С момента поступления в производство КамАЗы поступали и в соединения вооруженных сил СССР.
Основными отличиями военной модификации КамАЗа от гражданской линейки стали: усиленная конструкция, измененный бампер и обязательное наличие системы контроля давления в шинах. Были и другие отличия, не столь существенные. Сфера применения автоматов в войсках была довольно широкой:
- автомобиль для перевозки сыпучих грузов и личного состава;
- использовать в качестве площадки для установки различного радиооборудования: КШМ, командных пунктов управления пуском и мобильных станций для выполнения других задач;
- бронеавтомобили для перевозки личного состава на театре военных действий, этот тип машин серийно не выпускался, на базовую модель навешивалась броня;
- автомашины для сопровождения колонн, «артиллерийские машины», вооруженные ЗУ-23-3.
Стоит еще немного рассказать о «артиллерийских грузовиках», этим машинам изначально ставилась задача сопровождения колонн при их сопровождении в горах Афганистана. В задней части машины устанавливалась зенитная установка ЗПУ-4 или ЗУ-23-2.
Эти установки имели возможность кругового обстрела, имели зенитный угол возвышения и мощные патроны, их снаряды и пули могли достигать противника на большом расстоянии и высоте. Это позволяло эффективно бороться с засадами на дороге.
Бронирование таких машин чаще всего было ручным и заключалось в завешивании дверей кабины бронежилетами, реже они были обшиты металлом.
Саму установку ЗУ прикрывали дверцами от БМП или других подручных средств, задачей которых была защита расчета установки, пусть даже минимальная. Впоследствии производство таких вспомогательных изделий было приостановлено.
Бронеавтомобили «Уралы» и «КамАЗы», появившиеся во время Кавказских войн и получившие прозвище «Покемоны», также являются кустарным продуктом; таких машин в серии практически нет. Хотя доказана их высокая эффективность в эксплуатации.
Технические и эксплуатационные характеристики КамАЗ-53212
Габаритные размеры и весовые характеристики
- Длина бортового грузовика: 8 530 миллиметров;
- Ширина по зеркалам: 2 900 мм, со сложенными внешними зеркалами – 2 500 мм;
- Высота по кабине: 2 630 мм, по трубе воздухозаборника – 2 830 мм;
- Клиренс автомобиля 6 280 мм;
- Габаритный радиус поворота: 9,8 метра;
- Общая масса снаряженного автомобиля: 8 200 кг;
- Грузоподъемность: 10 тонн;
- Максимальная грузоподъемность КамАЗ-53212 с полуприцепом: 20 тонн;
- Объем платформы: 39 м3;
- Объем платформы с полуприцепом: 64 м3;
- Максимальный преодолеваемый подъем: 30%;
- Максимальная скорость по паспорту: 90 км/час.

Силовой агрегат и расход топлива КамАЗ-53212
Основным двигателем для этой модели является отечественный турбодизель КамАЗ 740.10.210, автомобили более поздних годов выпуска приводились в движение мотором КамАЗ-740.11.
КамАЗ 740.10. По своей конструкции это восьмицилиндровый дизель с V-образным расположением цилиндров. Мотор оборудован двумя компрессорами, имеет систему турбонаддува и механизм принудительного охлаждения наддувочного воздуха. Рабочий объем двигателя равен 10,86 литрам, при скорости коленчатого вала 2 600 об/минуту, он развивает мощность до 210 лошадиных сил. Турбодизель оборудовался встроенным индикатором засоренности воздушного фильтра и предпусковым подогревателем топлива. Эти опции доступны даже в базовой комплектации.
КамАЗ-740.10.
Советуем быть внимательным при покупке автомобиля, оборудованного мотором КамАЗ 740.10. Дело в том, что по экологическим параметрам этот двигатель соответствует стандартам Евро 1. В некоторых регионах России, Украины и других постсоветских стран запрещается эксплуатация автомобилей, оснащенных подобными моторами.
КамАЗ-740.11.240. Имеет схожие характеристики с предыдущим силовым агрегатом, благодаря измененным настройкам, развивает мощность до 240 лошадиных сил. Также отличается низкой экологичностью, уровень выбросов вредных веществ в атмосферу соответствует стандарту Евро 1.

При детальном изучении характеристик КамАЗ-53212, нельзя не отметить довольно низкий расход топлива этого автомобиля: всего 27 литров на 100 километров пути. В реальных условиях, при исправном автомобиле, потребление горячего не на много отличается от заявленной нормы. В базовой комплектации грузовик поставляется с топливным баком, объемом 250 литров.
Трансмиссия и схема электрооборудования КамАЗ-53212
Двигатель работает со стандартной десятиступенчатой коробкой переключения передач КамАЗ-15. Эта механическая КПП имеет пять ступеней, но за счет наличия двух ступенчатого редуктора-делителя мы получаем 10 передних и две задние скорости. Отметим, что II, III, IV и V передачи оснащены синхронизатором, также синхронизатор установлен на делителе. Управление коробкой происходит дистанционно из кабины водителя при помощи качающегося рычага.
Напряжение в сети КамАЗ-53212 24 Вольта, проводка — однодротовая. Все электрические схемы и электроприборы питаются от двух 12-вольтных аккумуляторов по 190 А/часов. Автомобиль оборудован 28-вольтовым генератором, также предусмотрено наличие преобразователя напряжения, который находится в кабине водителя.
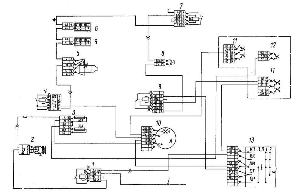
Схема электропроводки бортового грузовика КамАЗ-53212:
1 – реле отключения обмотки возбуждения генератора; 2 – генератор; 3 – блок предохранителей; 4 – реле стартера; 5 – стартер; 6 – батареи аккумуляторные; 7 – выключатель «массы»; 8 – кнопка дистанционного выключателя «массы» аккумуляторных батарей; 9 – реле электродвигателей отопителя; 10 – амперметр; 11 – предохранители 13.3722 (7.5 А); 12 – предохранитель ПР310 (10 А); 13 – выключатель приборов и стартера; I – к термореле ЭФУ.
Тормоза и подвеска КамАЗ-53212
Грузовик оборудован основной тормозной системой барабанного типа, которая обеспечивает достаточную безопасность движения по дорогам общего назначения и в городских условиях. На каждом колесе машины установлен барабан, диаметром 400 миллиметров, ширина тормозных накладок – 140 мм, общая площадь – 6 300 см3. С целью повышения безопасности на КамАЗ-53212 установлен вспомогательный, резервный и стояночный тормоз, работающий на пружинных энергоаккумуляторах. Помимо прочего, автомобиль оборудован пневматической системой экстренного растормаживания.

Конструкция подвески КамАЗ-53212 – рамная, усиленная двумя продольными лонжеронами с поперечными балками. Передняя подвеска – рессорная с гидравлическими амортизаторами телескопического вида. Задняя подвеска имеет схожую конструкцию, однако отличается увеличенным количеством рессор.
Техническое обслуживание и ремонт КамАЗ-5320
Хотя многие современные водители, особенно те, кто не работает на своих грузовых автомобилях, считают ежедневную визуальную диагностику необязательным, эта процедура может спасти водителю жизнь. Помимо ежедневных самостоятельных осмотров и проверок уровней технических жидкостей, КамАЗ рекомендуется проверять на АЗС каждые 10 000 км.
Отдельного внимания заслуживают мосты КАМАЗ-5320. Необходимо следить, не ослабли ли крепления, проверять уровень масла в редукторах мостов КамАЗ-5320. Такая глубокая диагностика необходима, ведь в случае внезапного отказа одной из систем на дороге неуправляемый автомобиль с тяжелым грузом будет представлять смертельную опасность для всех участников дорожного движения.
В техническое обслуживание КамАЗ-5320 также входит проверка всего электрооборудования, которое устанавливалось на КамАЗ-5320. Проверяются все компоненты подвески и тормозной системы. Если обнаружено, что он изготовлен с недопустимым износом, его необходимо заменить новым.

Стоимость и модификации
Мы уже говорили о том, что в 2001 году с конвейера сошел последний «КАмАЗ». Между тем, эта модель достаточно активно продается на вторичном рынке. Цена на нее зависит от пробега и года выпуска, может колебаться от 150 000 до 500 000 рублей. Также есть возможность взять в аренду КамАЗ-5320. За каждый час эксплуатации будет необходимо оплатить 900 – 1 500 рублей.
Уже в 1984 году создали прототип, и была разработана общая концепция производства газодизеля на платформе дизельной машины. В следующем, 85-м году, проводились испытательные заезды, какие дали понять, что, применяя газодизельный метод, улучшается экономность топлива, дымность и степень шумности мотора.
Уже спустя 3 года, в 1987 году, в г. Набережные Челны был запущен выпуск грузовиков КамАЗ-53208 и КамАЗ-5312 с моторами на газодизельной системе. Мощность мотора составляла 210 л. с. Газодизельное шасси с платформой 3190 мм обладало значением КамАЗ-53217.
| КамАЗ-532007 | вариант грузовой машины для тропиков КамАЗ-5320. |
| КамАЗ-53201 | производство для широких использований типа топливовоза, пожарной машины, авто-бетономешалок, автомобилей для дорожно-уборочных и коммунальных служб, а также НефАЗ при строении самосвала для сельского хозяйства КамАЗ-55102. |
| Шасси КамАЗ-53201 | с мотором от 7403.10 обладало наименованием КамАЗ-53211. |
| КамАЗ-53202 | Одновременно с описываемым КамАЗом проходил испытательное вождение и производился в скромном числе бортовой грузовик с выросшими до 3690 мм базой колес и длиной – 6100 мм. Он мог перевозить все те же 8 000 кг. Уже в 1980 году его сменил КамАЗ-53212, который перевозил уже 10 тонн. Шасси автомобиля КамАЗ-53202 обладало значением КамАЗ-53203. |
| КамАЗ-53208 | Середина 80-х годов обозначилась тем, что вместе с Научным автомобильным и моторным институтом (НАМИ) и участием Камского и Ярославского заводов, придумали производительную вариацию применения газов в дизельных агрегатах – функцию ГД-НАМИ (газодизельная система). По данной схеме в строение дизельного мотора внесли перечень поправок и преобразований – добавлялся газовый смеситель, функция хранения, управления и впуска газа, функция взаимосвязанного регулирования рейкой насоса, отвечающего за подачу солярки, и газовый редуктор. Более того, свое место нашла функция предохранения мотора от перегрузок и аварии, если перестанет функционировать система подачи топлива. |
Техническое обслуживание и устранение неполадок
КамАЗ-5320, как и все грузовики, нуждается в ежедневном обслуживании. Кроме того, через некоторое время после начала эксплуатации грузовик должен пройти специальные проверки:
- после первой тысячи километров автомобиль должен пройти техническое обслуживание;
- после 8 тыс км КамАЗ нужно отдать в сервис;
- когда автомобиль проехал 12 000 километров и более, его необходимо отправить на профилактику глубоких повреждений.
Такой регулярный технический контроль необходим для проверки, без которого движение в транспортном средстве (а тем более перевозка грузов) становится неопределенным.
Такая профилактика также помогает поддерживать хороший внешний вид.
Техническая диагностика включает в себя проверку всех электрических систем и механизмов КамАЗа, а также смазку всех необходимых соединений. Кроме того, они осуществляют монтаж и демонтаж отдельных узлов и систем.
Благодаря большому количеству запчастей, предлагаемых на рынке транспортных услуг, отремонтировать КамАЗ и устранить мелкие неполадки несложно как самостоятельно, так и в специальных мастерских.
Обслуживание транспорта осуществляется быстро и достаточно экономично, особенно по сравнению с ремонтом грузовых автомобилей иностранного производства.
Плюсы и минусы
Плюсы машины
- Подходит для любого климата — от +50 до -40 градусов;
- Отлично подходит для российских дорог;
- Хорошая ремонтопригодность;
- Относительно небольшая цена на запчасти;
- Стоимость грузовика;
- Легко переносит перегрузки;
- КПП с делителем;
- Может доехать до гаража с некоторыми поломками.
- Приемлемая высота дорожного просвета;
- Практичность;
- Отличная обзорность автомобиля;
- Неплохая тормозная система;
- Есть различные модификации, расширяющие возможности грузовика.
Минусы машины
- Скудный интерьер;
- Шумность мотора;
- Плохая шумоизоляция салона;
- Чтобы произвести ремонт требуются специальные навыки;
- Слабоватый двигатель.
- Не сильно удобные сидения;
- Много свободного пространства реализовано бесполезно;
- Сборка салона вызывает нарекания;
- Качество применяемых материалов при отделке салона низкое;
- Большой расход топлива.





























