Назначение
Любой самоходный кран с пневматическим ходом колес предназначен для обеспечения качественного и быстрого выполнения различных строительных, монтажных и погрузочно-разгрузочных работ на объектах, расположенных на небольших расстояниях друг относительно друга в пространстве.

При выполнении указанной работы допускается одновременное выполнение:
- Поднимайте или опускайте груз одновременно с подъемом или опусканием самой стрелы.
- Поднимите или опустите рабочую стрелу, повернув машину в нужном направлении.
Все эти действия выполняются безопасно благодаря наличию на кране специального оборудования, о котором мы поговорим далее.
Аренда КС 5363 в Москве
Хотите оформить аренду крана КС-5363 – обращайтесь в компанию «Спецтехника». Мы предлагаем широкий выбор строительной и специальной техники различной конфигурации. Наши преимущества:
- Доступные цены, приятные скидки для постоянных клиентов и предприятий-партнеров.
- Гарантия работоспособности крана и отсутствия простоев по нашей вине.
- Аренда осуществляется вместе с опытным оператором, имеющим необходимые разрешения и допуски.
- Доставка техники в заданное место своими силами, последующий вывоз ее на лафете или другом автотранспорте.
- Возможность оформления аренды на необходимый период – неделю, месяц, полгода.
Отдел продаж: 8(4922) 52-21-15, 8(495) 565-33-24, 8(920) 624-00-64, 8(909) 272-22-55
Описание агрегата
Кран КС-5363 по паспорту — дизель-электрическая конструкция грузоподъемностью 25 т. Оснащена она двумя крюками механизмов для основного подъема (25 т), а также вспомогательного перемещения (5 т). Еще на кране используется грейфер с парой канатов и ковшом, емкость которого 2 куб. м. Используется на кране, чтобы увеличить его грузовые характеристики, многомоторный привод, который питает индивидуальная силовая генераторная установка.

Регулировка скорости работы исполнительных узлов происходит по контуру с генератора на двигатель посредством изменения подаваемого напряжения на главном устройстве, который питает мотор.
Когда кран передвигается без груза, его кабину позволено поворачивать. Установка обеспечивает широкий диапазон для изменения в системе передвижения скоростей не только в рабочем, но и транспортном состоянии. Всеми механизмами оборудования управляют, используя смешанную приводную систему.
Главными механизмами оператор управляет, используя кнопочный пульт и два командных контроллера. Чтобы выполнять переключения КПП, управлять колесным поворотом при движении, выносными опорами, системой тормозов автокрана, блокировкой дифференциала, присутствует гидравлика насосного типа.
Дифференциалом либо опорами осуществляют управление, используя пульт на самом ходовом оборудовании, всеми остальными узлами — непосредственно из кабины оператора.
Устройство передвижения имеет два приводных моста со сдвоенными колесами. На раме присутствуют выносные телескопические опоры, хотя кран, при небольшой массе груза, способен обходиться без них. Такие специальные опорные приставки расширяют габариты базы, увеличивая ее на 0,8 м. Установку можно прицеплять сцепным устройством к тягачу, который будет перемещать его со скоростью, не превышающей 20 км/ч.

При необходимости перевозить оборудование железной дорогой, с него снимают стрелу вместе с колесами. Чтобы выполнить погрузку на шестидесяти тонную платформу, используют другой кран, позволяющий поднимать груз в 25 т.
Модификации
- КС-5363 — базовая модель, для умеренного климата (от −40 °C до +40 °C).
- КС-5363А — первая модификация.
- КС-5363М, КС-5363АМ — армейские модификации. Производились под заказ МО СССР. Предназначены для работы как с обычными, так и с военными разрядными грузами, в том числе стратегического ядерного оружия. Каждый из созданных кранов этих моделей проходил перед отправкой тщательную приёмку представителей МО. По состоянию на 2000 год в Военно-Морском флоте России числилось 63 таких крана, из которых только 17 — были рабочими.
- КС-5363Б — вторая модификация. Модель оснащена устройством «УПГ», повышающим грузоподъёмность крана с 25 т до 40 тонн. В его состав входит А-образная стойка-мачта, которая посредством канатов держит вспомогательный 9-тонный противовес. Этот противовес придвигается к платформе, когда кран переводится в транспортное положение. Модель имеет ряд других улучшений (см. ниже).
- КС-5363В — третья модификация, развитие КС-5363Б, грузоподъёмность 36 т. Модель содержит устройство «УПГ». Дополнительный противовес в этой модели удерживается посредством канатов, которые закреплены на 2-ногой стойке и на прикреплённой к платформе выносной рамке.
- КС-5363Д — четвёртая модель серии, грузоподъёмность 36 т.
- КС-5363Е — пятая модель серии, грузоподъёмность 36 т.
- КС-5363ХЛ — модификация (северная), для работы в северных районах с низкими температурами. Конструкции модели выполнены из спец. марок сталей с гарантированной ударной вязкостью при −70 °C, а узлы механизмов крана — улучшены и их отличает повышенная надёжность.
- КС-5366 — последняя выпускавшаяся модификация: грузоподъёмность 36 т, гидравлический привод стреловой лебёдки и механизма поворота.
Устройство крана КС-5363
Пневмоколесный кран КС 5363 относится к числу специальной техники с несколькими основными системами управления.
Управление краном осуществляется:
- Механической системой.
- Гидравлической системой.
- Электрической системой.
Управление механической системой осуществляется с пульта. Он отвечает за тормозную систему, коробку передач, колеса и опоры. Когда необходимо осуществить переезд и стать в определенном месте водитель-механик используют эту систему.
Гидравлическое оборудование необходимо для осуществления поднятия и опускания грузов. Основной элемент этой системе – это шестеренный насос НШ-32Э. Кроме этого, оборудование состоит из гидробака, насоса, аккумулятора, турбопроводов, исполнительных цилиндров.
В состав электрического управления входят генераторы постоянного тока. Один из них осуществляет работу лебедки и крана. Другой генератор работает вместе с дизелем и двумя аккумуляторами.
Особенности КС-5363
Стрелковый кран имеет следующие особенности:
- Сохранение высокой эффективности с дизельным генератором.
- Невысокая стоимость и ремонтопригодность.
- Низкая стоимость обслуживания и ремонта.
- Возможность использования грейфера с ковшом.
- Платформу можно поворачивать, даже если стрела не нагружена.
- Наличие пневмоколесной системы повышает управляемость крана.
- Межколесное расстояние составляет 2,4 метра, что заметно повышает баланс и устойчивость.

Гидравлическая система
Основной элемент гидравлической системы – шестеренный насос НШ-32Э. Значение производительности этого элемента 32 л/мин, давления 10,5 Мпа. Начало действия системы происходит при поступлении масла из гидробака в насос.
За счет специального цилиндра происходит перемещение масла к исполнительным цилиндрам. Необходимое давление поддерживается за счет крана, находящегося в распределителе. Масло давит на поршень, который, в свою очередь, приводит механизм в действие.
Модификация КС 5363 , технические характеристики
Одной из самых распространенных модификаций модели является КС-5363А. Она имеет грузоподъемность 25 тонн. Но достигается она только после установки выносных аутригеров. При невыставленных опорах поднимать краном можно до 14 тонн груза.
Технические характеристики оборудования:
- Длина стрелы – 18 м. (возможность увеличить или уменьшить стрелу за счет секций в диапазоне от 15 до 32 м).
- Наличие управляемого и неуправляемого гуська длиной 10 м.
- Башенно-стреловое снаряжение имеет высоту 15 метров.
- Клюв имеет длину до 15 метров.
Модель укомплектована дизель-электрическим многомоторным приводом. Питание установки осуществляется за счет дизельного двигателя ЯМЗ. В качестве источника питания может использоваться внешняя сеть.
Модификация КС-5363А, технические характеристики
Базовая модель КС-5363 была доработана в КС-5363А. Эта модель незаменима в случае, если нужна техника грузоподъемностью 25 тонн.
Этот параметр гарантируется при установке выносных аутригеров.
Есть 2 варианта комплектации КС-5363А :
- Стреловымоборудованием. Основная стрела длиной=17,5 м, ее оборудование 3-мя секциями позволяет сократить длину до 15 м или прибавить максимум до 32,5 м. В качестве вспомогательного на стрелу монтируется управляемый или неуправляемый гусёк (10м).
- Башенно—стреловымснаряжением. Башни высотой =15 м, оборудуются клювом длиной=10/15 м, 20-25м башни – клювом 10, 15 или 20 м.
У модели есть дизель-электрический многомоторный привод. Питание агрегата может производиться как от своего дизеля ЯМЗ-А204М, так и от внешней сети (380 В).
КС-5363А двигается по стройплощадке со скоростью до 17 км/ч с грузом до 6 т. Колея колёс =2,5 м, кран — компактен, может лавировать на небольших площадках и отличается хорошей проходимостью. Зона работы с грузом составляет 360º.
Кабина сделана из стальных листов, вентилируется и обогревается.
Назначение башенных кранов
Прямое назначение любого башенного крана — подъем грузов на различную высоту Все многообразие представленных на сегодняшнем рынке кранов можно разделить на несколько групп по их назначению:
- краны для промышленно-гражданского строительства различной высотности;
- специализированные краны для работы в определенных условиях;
- краны особо большой высоты;
- краны, предназначенные для использования на складских территориях, торгово-промышленных базах, производственных объектах и т. д.
Наибольшим спросом, конечно же, пользуются модели общего назначения, которые применяются при жилищном строительстве и возведении различных общественных и производственных объектов. Они обладают универсальными характеристиками и широчайшими возможностями использования. Поэтому именно такие краны составляют основу предложения .
Модификации КС-5363

За 23 года украинский завод выпустил несколько разновидностей кранов, которые имели буквенные обозначения: А, Б, С, Д, Е.
Начиная с модификации «Б» краны оснащены устройством увеличения грузоподъемности (УПД).
Буквы «HL» обозначают северную модификацию. Металлоконструкции данной модификации изготавливаются из марок стали с улучшенными техническими характеристиками для работы в климате с низкими температурами (до -70ºС). Рулевая кабина оборудована стеклоочистителями и системой обогрева.
Наличие букв М, АМ означает армейские модификации, краны выпускались по заказу Минобороны СССР.
Происшествия с КС-5363
30 мая 2005 года в Якутске на строительстве второй очереди крытого рынка при подъёме краном КС-5363 банки с бетоном произошла авария. Выяснилось, что во время подъёма груза два аутригера (с правой стороны) провалились под землю. Затем стрела крана ударилась в стену перекрытия второго этажа строящегося рынка. После чего произошло разрушение стрелы, повреждения получили гусёк, корневая и промежуточная секции
По результатам расследования установлен комплекс причин: «отсутствие у компании-застройщика проекта производства СМР краном»; «не было принято во внимание весеннее оттаивание грунта — ни при подготовке, ни в процессе производства работ краном»; «плохая организация производства работ краном»; «не было инструктажа обслуживающего кран персонала»; «эксплуатация крана была запрещена инженером по надзору»; «крановщик приступил к работе, находясь в состоянии алкогольного опьянения, не проверив состояние площадки для установки крана, то есть нарушил требования Производственной инструкции для крановщиков (машинистов) по безопасной эксплуатации стреловых самоходных кранов».
26 июня 2010 года на производственной площадке Тульской области при разгрузке грузового автомобиля краном КС-5363В произошла авария крана. Авария произошла в городе Суворов
С автомобиля рабочие разгружали листовой металл. В разгрузке дополнительно участвовал работник, официально не оформленный в компании (работал по устной договорённости). Во время разгрузки стреловой канат крана оборвался. После чего стрела упала на разгружаемую машину. В результате смертельную травму получил привлечённый по устному договору работник. Саму компанию впоследствии подвергали административному наказанию — приостанавливали на 60 суток деятельность двух грузоподъёмных кранов.
20 октября 2010 года в Великом Новгороде при проведении ремонтных работ на одном из мостов произошла авария КС-5363. Кран опрокинулся и повредил трубу газопровода низкого давления. В результате на 12 с лишним часов микрорайон Волховский (население 3 тысячи человек) остался без газа, а машинист крана с травмами госпитализирован. Следователями проводится проверка.
22 марта 2011 года в Минске на территории образовательного учреждения при перемещении железобетонных блоков краном КС-5363 произошла авария. В результате никто не пострадал. Сам кран опрокинулся и повредил ограждение из металла и крышу детской беседки. Причины выясняются.
14 апреля 2012 года на строительстве жилого дома в Новосибирске при подаче железобетонной плиты краном КС-5363 произошла авария крана со смертельным исходом. В результате двое рабочих погибли. Как оказалось, при подаче оборвался стреловой канат. После чего произошло падение рабочей стрелы на перекрытие строящегося дома, где в то время находились рабочие, скончавшиеся вследствие полученных от удара стрелой несовместимых с жизнью травм. Специалистами Ростехнадзора было проведено расследование, которое показало, что основными причинами аварии стали три: «нахождение рабочих в опасной зоне работы крана»; «использование стрелового каната, подлежащего выбраковке» и «эксплуатация крана, имеющего неисправности».
КС 5363 / Большие машины
Грузоподъемность крана составляет 25 тонн. Оснащен двумя подъемными крюками – основным (25 т) и вспомогательным (5 т).
У этого технологического чуда 8 колес, по 4 на каждую ось. Кран оснащен собственной силовой установкой, соединенной с дизельным двигателем. Рулится с помощью рычага. Гидравлика, широко используемая в этом аппарате, помогает поворачивать мощные колеса.
Полный привод здесь также реализован весьма своеобразно – на задней оси привод идет на все 4 колеса, а на передней оси привод распространяется только на внутренние колеса, тогда как внешние могут свободно вращаться. Выносные опоры управляются 4 рычагами, расположенными снаружи под кабиной.
Когда установка питается от троса, она двигается очень неохотно, по словам того же Алексея, даже забраться на небольшой склон уже большая проблема. На дизеле агрегат работает охотнее. Максимальная скорость здесь ограничена смехотворными 19,5 км/ч, но не забывайте, что это не автомобиль, а кран, которому для перемещения с места на место нужны только колеса. Транспортируется в сложенном состоянии и цепляется за погрузочный тягач.
Конкретно этот экземпляр 1985 года и колеса видимо вообще никогда не менялись. Резина Мецами уже потрескалась и выглядит, скажем так, не очень здорово =) Но тем не менее агрегат ездит и поднимает грузы каждый день.
Двигатель здесь — ярославский 180-сильный ЯМЗ-М204А. Мощность электродвигателей 166 кВт. Масса всего этого великолепия 33 тонны, тем, кто хочет больше технической информации, а также схемы и чертежи основных узлов и механизмов, рекомендую пройти по этой ссылке.
Главные параметры установки
В нескольких таблицах сведены основные характеристики оборудования.
| Минимум | Максимум | |
| Вылет крюка, если не выставлены опоры выносные телескопические, м | 3,3 | 25,1 |
| Вылет крюка, когда установка на опорах телескопических, м | 2,1 | 7,5 |
| Вынос стрелы от установки, м | 2,5 | 15,9 |
| Вероятный подъем | 13,7 м | 6,4 м |
| Скорость при подъеме тяжести, м/мин | 7,5 | 9,0 |
| Скорость спуска груза, м/мин | 0,7 | 9,0 |
| Вращение кабины, об/мин | 0,1 | 1,3 |
| С какой скоростью установка двигается, км/час | 3,0 | 20 |
| Опорная нагрузка | 324 кН | |
| Осевая нагрузка | 174 кН | |
| Малый радиус кривизны поворота, м | 10,3 | |
| Угол подъема дороги | 15° | |
| Двигатель дизельный | 180 л.с. | |
| Двигатель электрический | 166 кВт | |
| Колея колес спереди | 2,4 м | |
| Колея колес сзади | 2,4 м | |
| Сколько весит кран | 33 т | |
| Противовес, т | 4,0 |
Параметры установки при ее движении:
| Вес груза | 14 т |
| Процентное отношение | 56 |
| Уклон рабочей площадки | 3 |
Основные значения стрелы:
| Длина | 15 м |
| Максимальное наращивание | 30 м |
| Вынос гуська | 5–10 м |
| Объем грейфера | 2 куб. м |
Здесь можно скачать для сравнения информацию по характеристикам пневмоколесных и гусеничных кранов, где, в том числе, описан и КС-5363.
Устройство и преимущества
Силовая установка крана представлена двухтактным дизельным четырехцилиндровым и электрическим силовым агрегатом, двумя генераторами электричества. В составе кинематической схемы лебедки: электродвигатель, редуктор, муфта, колодки тормозов и барабан с венцом из зубьев.
Преимущества крана КС-5363:

Кран КС-5363
- производительность не снижается при работе от дизельного генератора;
- простое и доступное обслуживание;
- возможность использования вспомогательных приспособлений;
- поворот платформы при отсутствии материалов на крюке;
- простота управления благодаря пневмоколесной системе;
- доступность запчастей для ремонта.
Достаточная удаленность колес друг от друга балансирует устойчивость крана и его стабильность при выполнении рабочих операций.
Технические характеристики
На момент создания краны серии КС-5363 по своим техническим характеристикам не уступали зарубежной технике. Широкая унификация узлов и дублирующий силовой привод позволяют работать в городских условиях, а также в открытом поле или в карьере. Для обеспечения безопасности работы установлен ограничитель, не позволяющий начинать работу с перегрузкой.
Параметры машины:
- грузоподъемность крана в движении — 14 тонн;
- максимальная грузоподъемность — до 36-40 тонн (в зависимости от модификации);
- вес — 33 тонны;
- длина машины в транспортном состоянии — 20,3 м;
- транспортная ширина – 3,29 м;
- ширина с опорными ногами — 4,2 м
- высота (без стрелы) — 3,9 м.
Описание и назначение
КС-5363 – высокопроизводительная крановая установка, разработанная в 1971 году. До 1994 года было выпущено несколько тысяч экземпляров этой модели, которая считалась одним из самых востребованных пневматических кранов на территории СССР. Автокран выпускался в Украинской СССР, в Одессе. Сфера применения данного автокрана во многом схожа с задачами, в которых используются классические краны, построенные на базе автомобильного шасси КамАЗ. Так, модель КС-5363 широко востребована в строительстве жилых и промышленных построек, перевалке сыпучих грузов грейфером, а также используется в целях перевозки громоздкого технического оборудования. Кроме того, в возможности этой автокрановой установки входит работа в крупных логистических центрах и других серьезных организациях, которым не хватает мощности относительно слабых манипуляторов. Более того, техника считается более востребованной в поисково-спасательной деятельности – например, при разгрузке и растаскивании завалов, возникших в результате разрушений городской инфраструктуры, стихийных и природных бедствий и т. д.
Управление краном
Гидравлическая схема управления КС-5363
Машина с весом более 30 тонн оборудована тремя системами: гидравлической, механической и электрической. Гидравлика представлена комплексом механизмов, которые обеспечивают нормальную работу подъемников. Механика отвечает за деятельность коробки переключения передач, колес, опорных конструкций и тормоза.
Электрическая система основана на генераторах постоянного тока. Функционирование лебедки и передвижение КС-5363 обеспечивается электрическим двигателем. Мотор и генератор представляют единую систему, для бесперебойной работы дизеля применяется пара аккумуляторов.
При помощи основной стрелы решетчатого типа и дополнительного гуська осуществляется подъем грузов от 3,3 тонн.
Для придания высокой прочности установки используется цельная база и пара осей шасси.
Кабина машиниста
Фронтальная зона кабины самоходного крана оборудована приборной панелью. Она содержит манометр с термометром, вольтметр с амперметром, различные рычаги, а также переключатели. По бокам от этой панели размещены контроллеры с визуальными приборами, отображающими отбор мощности. Здесь же расположено рулевое управление конструкцией.

Кабина оснащена электрическим обогревателем, присутствует возможность на морозе прогревать стекла, есть стеклоочистители и вентилятор. Операторское кресло регулируется как по высоте, так и по углу откидывания спинки. Поскольку фронтальная (вместе с боковыми сторонами) стенка частично остеклена, оператору предоставляется круговой обзор, позволяющий наблюдать за работой оборудования и всех узлов.
В установке присутствует ограничитель грузоподъемности марки ОГП-1. Чтобы не допустить высоту подъема у крюка за пределы допустимых параметров, использован шпиндельный концевик. Он срабатывает, когда вал лебедки поворачивается на установленный угол.
Шестерней такой выключатель соединен непосредственно с самой лебедкой. Ограничитель необходимо регулировать, когда произведен ремонт рабочего оборудования либо грузового каната. Чтобы предотвратить вероятность запрокидывания нагруженной стрелы, оборудование непременно обеспечивают телескопическим упором.
Электрооборудование
В состав силовой установки описываемого самоходного крана включены:
- Дизель ЯМЗ-236.
- Стартер.
- Два генератора, вырабатывающих постоянный ток.

Чтобы обеспечить питанием электродвигатели, передающий вращение механизму передвижения одновременно с лебедками, действует генератор ДК-303Б, выдающий конечную мощность в 50 кВт. Вспомогательный генератор модели П-62 питает оборудование цепей управления, поворотного устройства, освещения. Его мощность (паспортная) — 11 кВт.
Одновременно механизм поворота способен питаться основным генератором. Установка снабжена электродвигателями только постоянного тока, обладающими максимальной механической прочностью, гарантированно отличающимися способностью противостоять перегрузкам.
Благодаря присутствию резистора удается регулировать частоту оборотов электродвигателя, управляющего поворотным механизмом. У остальных моторов частоту вращения изменяют посредством перемены напряжения на главном генераторе. Это выполняется по инструкции, описывающей правила эксплуатации установки.
Всеми крановыми механизмами оператор управляет, используя контроллеры.

Для пуска стрелочной лебедки нужно нажать кнопку, одновременно переместив рукоятку такого контроллера, чтобы обеспечить подъем либо опускание стрелы. Затормозить ее можно, переведя рукоятку на нейтраль при одновременном нажатии останавливающей кнопки. Поворота осуществляют также контроллером и переключателем, подающим команду вспомогательному генератору.
Чтобы повысить точность подачи груза при монтаже оборудования, применяют основной генератор с лебедочным контроллером. С целью повернуть направо рукоятку ставят в такое положение, как при подъеме, чтобы повернуть налево — как при спуске. Перемещение обеих рукояток в позицию «Нейтральная» останавливает механизм. Запрещено выполнять совмещение движений, когда производится регулирование скоростей.
Аналогично происходит управление механизмом передвижения. Запуск двигателя выполняется нажатием кнопки «Пуск» при одновременном плавном переводе рукоятки контроллера между положениями 1 и 5 для увеличения скорости. В зависимости от состояния рукоятки в положениях «Вправо» либо «Влево», происходит перемещение крана вперед/назад.
Видео: в кране КС-5363.
https://youtube.com/watch?v=7FpQEjbqsII
Чтобы увеличить скорость движения, требуется выполнить такие операции: поставить рукоятку контроллера в нейтральную позицию, затем выставить ручку КПП на следующую скорость, нажать «Пуск», после чего плавно переместить рукоятку контроллера туда, куда необходимо двигаться.
Чтобы выполнить электрическое торможение при движении установки, рукоятку контроллера нужно поставить на нейтральное положение, затем поочередно нажать кнопку «Тормоз», удерживая ее. При прекращении нажатия на кнопку система торможения автоматически перестает быть заблокированной.
Остановку на короткий временной промежуток обеспечивают, переводя рукоятку на нейтральную позицию, нажимая «Стоп», а затем включая тормоз, принадлежащий механизму передвижения установки. При длительной стоянке непременно применяют стояночный тормоз.
Описание башенного крана кс – 5363 и технологического процесса в котором он участвует
Для путевой конструкции был выбран полноповоротный кран на пневмоколесном шасси грузоподъемностью 30 т КБ — 5363. Этот кран оснащен опорными стойками, снижающими удельное давление шасси на грунт, тем самым увеличивая грузоподъемность грузоподъемность крана и продление срока службы ходовой части, так как отсутствует избыточное давление воздуха в колесах. Кран имеет достаточно хорошо оборудованную кабину управления, которая имеет отличный обзор, эти факторы позволяют минимизировать психологическую нагрузку на оператора — машиниста крана и его утомляемость.
Кран оснащен комбинированным дизель-электрическим приводом и электрогидравлическим приводом, что обеспечивает высокую плавность всех движений. Кран предназначен для монтажа сборных железобетонных и стальных конструкций, технологического оборудования промышленных предприятий, для монтажа дорожных конструкций, а также для погрузочно-разгрузочных работ.
Лебедка главного подъема крана имеет традиционную однодвигательную схему, в которой двигатель соединен с трехступенчатой коробкой передач посредством муфты, выходной конец которой соединен с барабаном. Муфта, соединяющая двигатель и коробку передач, имеет фрикционную поверхность, облегчающую работу тормоза, удерживающего груз и крюковую подвеску от свободного перемещения при остановленном двигателе.
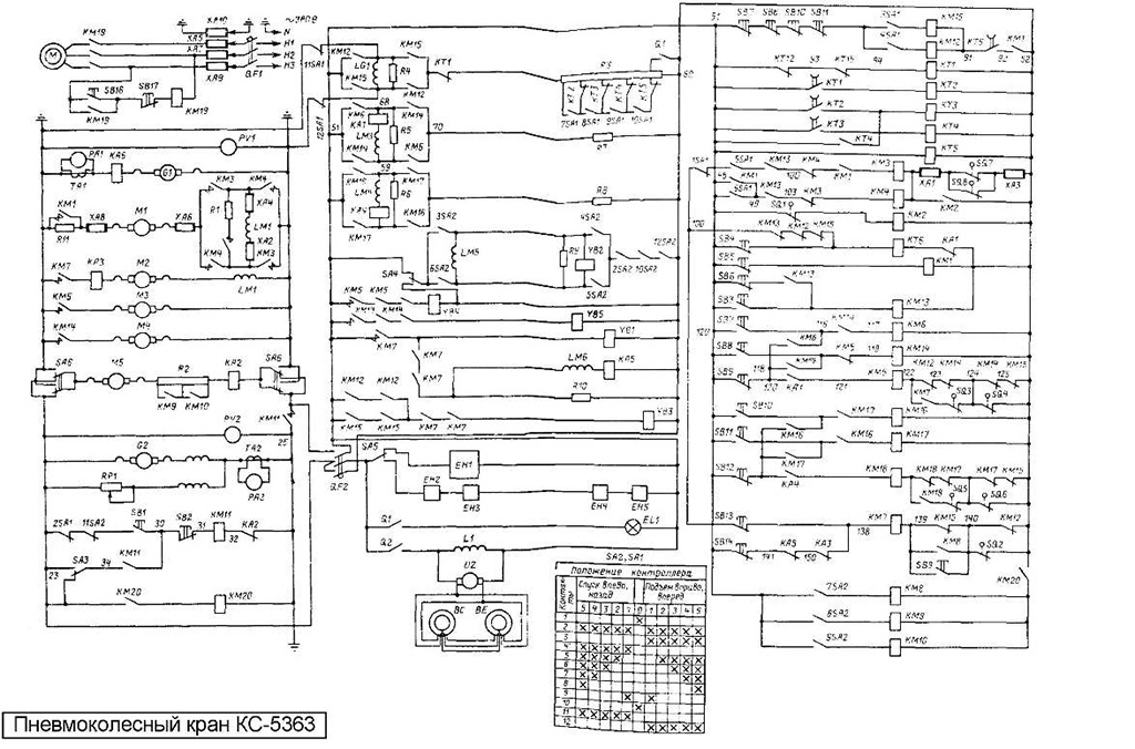
Cхема КС-5363
Длина основной решетчатой стрелы составляет 15 м, специальными вставками длиной 5 или 10 м ее можно удлинить в 2 раза.
Есть возможность присоединить жесткий или маневровый гусек длиной 8 или 15 м.
Основное оборудование
Основное оборудование КС-5363 — жесткая стрела решётчатого типа и канаты.
Главный канат: ø=21мм, l=140м;
вспомогательный канат: ø=21мм, l=95м.
Сменное оборудование
К сменному оборудованию относятся:
- жесткие удлиненные стрелы;
- устройства с гуськами;
- башенно-стреловые элементы. Высота башни=20-30м.
Длина удлиненной сменной стрелы и стрелы с гуськами на основной и вспомогательной подвеске=20-30м, в башенно-стреловом приспособлении=10м.
Перевозка КС-5363 на большие дистанции производится 2-мя способами:
- Буксировка спец.тягачом. При буксировке механизм нужно сложить, скорость≤20км/ч.
- На ж/д платформе (60т) – снимаются колеса и стрела.
Пневмоколесные краны превосходно соединяют в себе отличное качество с разумной ценой. Продолжительный опыт указывает на то, что средства, вложенные в такие машины, быстро возвращаются.



































